Title: Respiration Calorimeters for Studying the Respiratory Exchange and Energy Transformations of Man
Author: Francis Gano Benedict
Thorne M. Carpenter
Release date: February 28, 2009 [eBook #28216]
                Most recently updated: January 4, 2021
Language: English
Credits: Produced by Bryan Ness, Josephine Paolucci and the Online
        Distributed Proofreading Team at https://www.pgdp.net. (This
        book was produced from scanned images of public domain
        material from the Google Print project.)
 
WASHINGTON, D. C.
Published by the Carnegie Institution of Washington
1910
CARNEGIE INSTITUTION OF WASHINGTON
Publication No. 123
The Lord Baltimore Press
BALTIMORE, MD., U. S. A.
The immediate development and construction of suitable apparatus for studying the complicated processes of metabolism in man was obviously the first task in equipping the Nutrition Laboratory. As several series of experiments have already been made with these respiration calorimeters, it is deemed advisable to publish the description of the apparatus as used at present. New features in the apparatus are, however, frequently introduced as opportunity to increase accuracy or facilitate manipulation is noted.
We wish here to express our sense of obligation to the following associates: Mr. W. E. Collins, mechanician of the Nutrition Laboratory, constructed the structural steel framework and contributed many mechanical features to the apparatus as a whole; Mr. J. A. Riche, formerly associated with the researches in nutrition in the chemical laboratory of Wesleyan University, added his previous experience in constructing and installing the more delicate of the heating and cooling devices. Others who have aided in the painstaking construction, testing, and experimenting with the apparatus are Messrs. W. H. Leslie, L. E. Emmes, F. L. Dorn, C. F. Clark, F. A. Renshaw, H. A. Stevens, Jr., Miss H. Sherman, and Miss A. Johnson.
The numerous drawings were made by Mr. E. H. Metcalf, of our staff.
Boston, Massachusetts,
August 10, 1909.
PAGE
Introduction                                                        1
Calorimeter laboratory                                              3
General plan of calorimeter laboratory  3
Heating and ventilating  7
The calorimeter                                                    10
Fundamental principles of the apparatus 10
The calorimeter chamber  11
General construction  14
Prevention of radiation 17
The thermo-electric elements 19
Interior of the calorimeter 20
Heat-absorbing circuit  22
Thermometers 26
Mercurial thermometers 26
Electric-resistance thermometers  28
Air-thermometers 28
Wall thermometers 29
Electrical rectal thermometer 29
Electric-resistance thermometers for the water-current  29
Observer's table 31
Connections to thermal-junction systems 33
Rheostat for heating  34
Wheatstone bridges 34
Galvanometer 35
Resistance for heating coils  35
Temperature recorder  36
Fundamental principle of the apparatus  38
The galvanometer  39
The creeper 40
The clock 42
Installation of the apparatus 42
Temperature control of the ingoing air  43
The heat of vaporization of water 44
The bed calorimeter 45
Measurements of body-temperature  48
Control experiments with the calorimeter 50
Determination of the hydrothermal equivalent of the calorimeter 52
General description of the respiration apparatus                   54
Testing the chamber for tightness 54
Ventilation of the chamber  54
Openings in the chamber 55
Ventilating air-current 57
Blower  57
[Pg vi]Absorbers for water-vapor 58
Potash-lime cans  60
Balance for weighing absorbers 61
Purification of the air-current with sodium bicarbonate 63
Valves 63
Couplings 64
Absorber table 65
Oxygen supply 67
Automatic control of oxygen supply 69
Tension equalizer 71
Barometer 72
Analysis of residual air  73
Gas-meter 75
Calculation of results                                             76
Analysis of oxygen  76
Advantage of a constant-temperature room and temperature control 77
Variations in the apparent volume of air  77
Changes in volume due to the absorption of water and carbon dioxide 78
Respiratory loss 78
Calculation of the volume of air residual in the chamber 79
Residual analyses 80
Calculation from residual analyses 80
Influence of fluctuations in temperature and pressure on the apparent volume of air in the system 83
Influence of fluctuations in the amounts of carbon dioxide and water-vapor upon residual oxygen 83
Control of residual analyses 84
Nitrogen admitted with the oxygen 84
Rejection of air 85
Interchange of air in the food aperture 85
Use of the residual blank in the calculations 86
Abbreviated method of computation of oxygen admitted to the chamber for use during short experiments 88
Criticism of the method of calculating the volume of oxygen 89
Calculation of total output of carbon dioxide and water-vapor and oxygen absorption 91
Control experiments with burning alcohol  91
Balance for weighing subject                                       93
Pulse rate and respiration rate                                    95
Routine of an experiment with man                                  96
Preparation of subject 96
Sealing in the cover  97
Routine at observer's table 97
Manipulation of the water-meter 98
Absorber table  99
Supplemental apparatus 100
PAGE
Fig. 1. General plan of respiration calorimeter laboratory               4
2. General view of laboratory taken near main door 4
3. General view of laboratory taken near refrigeration room  4
4. General view of laboratory taken near temperature recorder 4
5. View of laboratory taken from entrance of bed calorimeter 4
6. Plan of heating and ventilating the calorimeter laboratory 6
7. Horizontal cross-section of chair calorimeter 11
8. Vertical cross-section of chair calorimeter  12
9. Vertical cross-section of chair calorimeter from front to back 13
10. Photograph of framework of chair calorimeter 14
11. Photograph of portion of framework and copper shell 14
12. Cross-section in detail of walls of calorimeter  16
13. Detail of drop-sight feed-valve and arrangement of outside cooling circuit  18
14. Schematic diagram of water-circuit for the heat-absorbers of the calorimeter  22
15. Detail of air-resistance thermometer 28
16. Details of resistance thermometers for water-circuit 30
17. Diagram of wiring of observer's table  32
18. Diagram of rheostat and resistances in series with it  36
19. Diagram of wiring of differential circuit with shunts used with resistance thermometers for water-circuit 38
20. Diagram of galvanometer coil, used with recording apparatus for resistance thermometers in water-circuit 40
21. Diagram of wiring of circuits actuating plunger and creeper  41
22. Diagram of wiring of complete 110-volt circuit 41
23. Temperature recorder 42
24. Detailed wiring diagram showing all parts of the recording apparatus, together with wiring to thermometers  42
25. Section of calorimeter walls and portion of ventilating air-circuit  43
26. Cross-section of bed calorimeter 46
27. Diagram of ventilation of the respiration calorimeter  57
28. Cross-section of sulphuric acid absorber  59
29. Balance for weighing absorbers 62
30. Diagram of absorber table  66
31. Diagram of oxygen balance and cylinders 68
32. The oxygen cylinder and connections to tension equalizer 70
The establishment in Boston of an inquiry into the nutrition of man with the construction of a special laboratory for that purpose is a direct outcome of a series of investigations originally undertaken in the chemical laboratory of Wesleyan University, in Middletown, Connecticut, by the late Prof. W. O. Atwater. Appreciating the remarkable results of Pettenkofer and Voit[1] and their associates, as early as 1892 he made plans for the construction of a respiration apparatus accompanied by calorimetric features. The apparatus was designed on the general ventilation plan of the above investigators, but in the first description of this apparatus[2] it is seen that the method used for the determination of carbon dioxide and water-vapor was quite other than that used by Voit. Each succeeding year of active experimenting brought about new developments until, in 1902, the apparatus was essentially modified by changing it from the open-circuit type to the closed-circuit type of Regnault and Reiset. This apparatus, thus modified, has been completely described in a former publication.[3] The calorimetric features likewise underwent gradual changes and, as greater accuracy was desired, it was found impracticable to conduct calorimetric investigations to the best advantage in the basement of a chemical laboratory. With four sciences crowded into one building it was practically impossible to devote more space to these researches. Furthermore, the investigations had proceeded to such an extent that it seemed desirable to construct a special laboratory for the purpose of carrying out the calorimetric and allied investigations on the nutrition of man.
In designing this laboratory it was planned to overcome the difficulties experienced in Middletown with regard to control of the room-temperature and humidity, and furthermore, while the researches had heretofore been[Pg 2] carried on simultaneously with academic duties, it appeared absolutely necessary to adjust the research so that the uninterrupted time of the experimenters could be given to work of this kind. Since these experiments frequently continued from one to ten days, their satisfactory conduct was not compatible with strenuous academic duties.
As data regarding animal physiology began to be accumulated, it was soon evident that there were great possibilities in studying abnormal metabolism, and hence the limited amount of pathological material available in Middletown necessitated the construction of the laboratory in some large center.
A very careful consideration was given to possible sites in a number of cities, with the result that the laboratory was constructed on a plot of ground in Boston in the vicinity of large hospitals and medical schools. Advantage was taken, also, of the opportunity to secure connections with a central power-plant for obtaining heat, light, electricity, and refrigeration, thus doing away with the necessity for private installation of boilers and electrical and refrigerating machinery. The library advantages in a large city were also of importance and within a few minutes' walk of the present location are found most of the large libraries of Boston, particularly the medical libraries and the libraries of the medical schools.
The building, a general description of which appeared in the Year Book of the Carnegie Institution of Washington for 1908, is of plain brick construction, trimmed with Bedford limestone. It consists of three stories and basement and practically all the space can be used for scientific work. Details of construction may be had by reference to the original description of the building. It is necessary here only to state that the special feature of the new building with which this report is concerned is the calorimeter laboratory, which occupies nearly half of the first floor on the northern end of the building.
[1] Pettenkofer and Voit: Ann. der Chem. u. Pharm. (1862-3), Supp. Bd. 2, p. 17.
[2] Atwater, Woods, and Benedict: Report of preliminary investigations on the metabolism of nitrogen and carbon in the human organism with a respiration calorimeter of special construction, U. S. Dept. of Agr., Office of Experiment Stations Bulletin 44. (1897.)
[3] W. O. Atwater and F. G. Benedict: A respiration calorimeter with appliances for the direct determination of oxygen. Carnegie Institution of Washington Publication No. 42. (1905.)
The laboratory room is entered from the main hall by a double door. The room is 14.2 meters long by 10.1 meters wide, and is lighted on three sides by 7 windows. Since the room faces the north, the temperature conditions are much more satisfactory than could be obtained with any other exposure. In constructing the building the use of columns in this room was avoided, as they would interfere seriously with the construction of the calorimeters and accessory apparatus. Pending the completion of the five calorimeters designed for this room a temporary wooden floor was laid, thus furnishing the greatest freedom in placing piping and electric wiring beneath the floor. As fast as the calorimeters are completed, permanent flooring with suitably covered trenches for pipes is to be laid. The room is amply lighted during the day, the windows being very high, with glass transoms above. At night a large mercury-vapor lamp in the center of the room, supplemented by a number of well-placed incandescent electric lights, gives ample illumination.
The general plan of the laboratory and the distribution of the calorimeters and accessory apparatus are shown in fig. 1. The double doors lead from the main hall into the room. In general, it is planned to conduct all the chemical and physical observations as near the center of the laboratory as possible, hence space has been reserved for apparatus through the center of the room from south to north. The calorimeters are on either side. In this way there is the greatest economy of space and the most advantageous arrangement of apparatus.
At present two calorimeters are completed, one under construction, and two others are planned. The proposed calorimeters are to be placed in the spaces inclosed by dotted lines. Of the calorimeters that are completed, the so-called chair calorimeter, which was the first built, is in the middle of the west side of the room, and immediately to the north of it is the bed calorimeter, already tested and in actual use. On the east side of the room it is intended to place large calorimeters, one for continuous experiments extending over several days and the other large enough to take in several individuals at once and to have installed apparatus and working machinery requiring larger space than that furnished by any of the other calorimeters. Near the chair calorimeter a special calorimeter with treadmill is shortly to be built.
The heat insulation of the room is shown by the double windows and the heavy construction of the doors other than the double doors. On entering the room, the two calorimeters are on the left, and, as arranged at present, both calorimeters are controlled from the one platform, on which, is placed the observer's table, with electrical connections and the Wheatstone bridges[Pg 4] for temperature measurements; above and behind the observer's table are the galvanometer and its hood. At the left of the observer's platform is a platform scale supporting the water-meter, with plug valve and handle conveniently placed for emptying the meter. The absorption system is placed on a special table conveniently situated with regard to the balance for weighing the absorbers. The large balance used for weighing the oxygen cylinders is directly across the center aisle and the analytical balance for weighing the U-tubes for residual analysis is near by.
 Fig. 1.—General plan of respiration calorimeter
laboratory.
Fig. 1.—General plan of respiration calorimeter
laboratory.
 Fig. 2
Fig. 2 Fig. 3
Fig. 3 Fig. 4
Fig. 4 Fig. 5
Fig. 5Another view of the laboratory, taken near the door leading to the refrigeration room, is shown in fig. 3. At the right is seen the balance used for weighing absorbers, and back of it, imperfectly shown, is the case surrounding the balance for weighing oxygen cylinders. On the wall, in the rear, is the recording apparatus for electric resistance thermometers in the water-circuit, a detail of which is shown in fig. 23. In the foreground in the center is seen the observer's table; at the right of this is shown the table for the absorption system, and at the left the chair calorimeter with the balance for weighing subjects above it. The mercury-vapor light, which is used to illuminate the room, is immediately above the balance for weighing absorbers.
 Fig. 6.—Plan of heating and ventilating calorimeter
laboratory, showing general plan of circulation of the special cooling
system and the position of the thermostats and radiators which they
control. The two small diagrams are cross-sections of brine and heating
coils.
Fig. 6.—Plan of heating and ventilating calorimeter
laboratory, showing general plan of circulation of the special cooling
system and the position of the thermostats and radiators which they
control. The two small diagrams are cross-sections of brine and heating
coils.
The bed calorimeter and the absorbing-system table are better shown in fig. 4, a general view of the laboratory taken near the temperature recorder. In the immediate foreground is the table for the absorption system, and back of it are the observer's table and chair calorimeter. At the right, the[Pg 7] bed calorimeter with the front removed and the rubber hose connections as carried from the absorber table to the bed calorimeter are shown. At the extreme left is the balance for weighing the absorbers. Above the chair calorimeter can be seen the balance for weighing the subject, and at its right the galvanometer suspended from the ceiling.
The west side of the laboratory at the moment of writing contains the larger proportion of the apparatus. On the east side there exist only the balance for weighing oxygen cylinders and an unfinished[4] large calorimeter, which will be used for experiments of long duration. A view taken near the front end of the bed calorimeter is shown in fig. 5. At the right, the structural skeleton of the large calorimeter is clearly shown. Some of the copper sections to be used in constructing the lining of the calorimeter can be seen against the wall in the rear.
At the left the balance for weighing the oxygen cylinders is shown with its counterpoise. A reserve oxygen cylinder is standing immediately in front of it. A large calorimeter modeled somewhat after the plan of Sondén and Tigerstedt's apparatus in Stockholm and Helsingfors is planned to be built immediately back of the balance for weighing oxygen cylinders.
Of special interest in connection with this calorimeter laboratory are the plans for maintaining constant temperature and humidity (fig. 6). The room is heated by five steam radiators (each with about 47 square feet of radiating surface) placed about the outer wall, which are controlled by two pendant thermostats. A certain amount of indirect ventilation is provided, as indicated by the arrows on the inner wall. The room is cooled and the humidity regulated by a system of refrigeration installed in an adjoining room. This apparatus is of particular interest and will be described in detail.
In the small room shown at the south side of the laboratory is placed a powerful electric fan which draws the air from above the floor of the calorimeter laboratory, draws it over brine coils, and sends it out into a large duct suspended on the ceiling of the laboratory. This duct has a number of openings, each of which can be controlled by a valve, and an unlimited supply of cold air can be directed to any portion of the calorimeter room at will. To provide for more continuous operation and for more exact temperature control, a thermostat has been placed in the duct and is so constructed as to operate some reheater coils beneath the brine-coils in the refrigerating room. This thermostat is set at 60° F., and when the temperature of the air in the duct falls below this point, the reheater system is automatically opened or closed. The thermostat can be set at any point[Pg 8] desired. Up to the present time it has been unnecessary to utilize this special appliance, as the control by hand regulation has been most satisfactory.
Two vertical sections through the refrigerating coils are shown in fig. 6. Section A-B shows the entrance near the floor of the calorimeter room. The air is drawn down over the coils, passes through the blower, and is forced back again to the top of the calorimeter room into the large duct. If outdoor air is desired, a special duct can be connected with the system so as to furnish outdoor air to the chamber. This has not as yet been used. Section C-D shows the fan and gives a section through the reheater. The brine coils, 400 meters long, are in triplicate. If one set becomes covered with moisture and is somewhat inefficient, this can be shut off and the other two used. When the frozen moisture melts and drops off, the single coil can be used again. It has been found that the system so installed is most readily controlled.
The degree of refrigeration is varied in two ways: (1) the area of brine coils can be increased or decreased by using one, two, or all three of the coils; or (2) the amount of air passing over the cooling pipes may be varied by changing the speed of the blower. In practice substantially all of the regulation is effected by varying the position of the controlling lever on the regulating rheostat. The apparatus functionates perfectly and the calorimeter room can be held at 20° C. day in and day out, whether the temperature outdoors is 40° below or 100° above 0° F.
It can be seen, also, that this system provides a very satisfactory regulation of the humidity, for as the air passes over the brine coils the moisture is in large part frozen out. As yet, no hygrometric study has been made of the air conditions over a long period, but the apparatus is sufficiently efficient to insure thorough electrical insulation and absence of leakage in the intricate electrical connections on the calorimeters.
The calorimeters employ the thermo-electric element with its low potential and a D'Arsonval galvanometer of high sensibility, and in close proximity it is necessary to use the 110-volt current for heating, consequently the highest degree of insulation is necessary to prevent disturbing leakage of current.
The respiration calorimeter laboratory is so large, the number of assistants in the room at any time is (relatively speaking) so small, seldom exceeding ten, and the humidity and temperature are so very thoroughly controlled, that as yet it has been entirely unnecessary to utilize even the relatively small amount of indirect ventilation provided in the original plans.
During the greater part of the winter it is necessary to use only one of the thermostats and the radiators connected with the other can be shut off, since each radiator can be independently closed by the valves on the steam[Pg 9] supply and return which go through the floor to the basement. The temperature control of this room is therefore very satisfactory and economical.
It is not necessary here to go into the advantages of temperature control of the working rooms during the summer months. Every one seems to be thoroughly convinced that it is necessary to heat rooms in the winter, but our experience thus far has shown that it is no less important to cool the laboratory and control the temperature and moisture during the summer months, as by this means both the efficiency and endurance of the assistants, to say nothing of the accuracy of the scientific measurements, are very greatly increased. Arduous scientific observations that would be wholly impossible in a room without temperature control can be carried on in this room during the warmest weather.
[4] As this report goes to press, this calorimeter is well on the way to completion.
In describing this apparatus, for the sake of clearness, the calorimetric features will be considered before the appliances for the determination of the respiratory products.
The measurements of heat eliminated by man, as made by this apparatus, are based upon the fact that the subject is inclosed in a heat-proof chamber through which a current of cold water is constantly passing. The amount of water, the flow of which, for the sake of accuracy, is kept at a constant rate, is carefully weighed. The temperatures of the water entering and leaving the chamber are accurately recorded at frequent intervals. The walls of the chamber are held adiabatic, thus preventing a gain or loss of heat by arbitrarily heating or cooling the outer metal walls, and the withdrawal of heat by the water-current is so controlled, by varying the temperature of the ingoing water, that the heat brought away from the calorimeter is exactly equal in amount to the heat eliminated by radiation and conduction by the subject, thus maintaining a constant temperature inside of the chamber. The latent heat of the water vaporized is determined by measuring directly the water vapor in the ventilating air-current.
In the construction of the new calorimeters a further and fundamental change in construction has been made in that all the thermal junctions, heating wires, and cooling pipes have been attached directly to the zinc wall of the calorimeter, leaving the outer insulating panels free from incumbrances, so that they can be removed readily and practically all parts inspected whenever desired without necessitating complete dismantling of the apparatus. This arrangement is possible except in those instances where connections pass clear through from the interior of the chamber to the outside, namely, the food-aperture, air-pipes, water-pipes, electrical connections, and tubes for connections with pneumograph and stethoscope; but the apparatus is so arranged as to have all of these openings in one part of the calorimeter. It is possible, therefore, to remove all of the outer sections of the calorimeter with the exception of panels on the east side.
This fundamental change in construction has proven highly advantageous. It does away with the necessity of rolling the calorimeter out of its protecting insulating house and minimizes the delay and expense incidental to repairs or modifications. As the calorimeter is now constructed, it is possible to get at all parts of it from the outside, with the exception of one small fixed panel through which the above connections are passed. This panel, however, is made as narrow as possible, so that practically all changes can be made by taking out the adjacent panels.[Pg 11]
 Fig. 7.—Horizontal cross-section of chair calorimeter,
showing cross-section of copper wall at A, zinc wall at B, hair-felt at
E, and asbestos outer wall at F; also cross-section of all upright
channels in the steel construction. At the right is the location of the
ingoing and outgoing water and the thermometers. At C is shown the food
aperture, and D is a gasket separating the two parts. The ingoing and
outcoming air-pipes are shown at the right inside the copper wall. The
telephone is shown at the left, and in the center of the drawing is the
chair with its foot-rest, G. In dotted line is shown the opening where
the man enters.
Fig. 7.—Horizontal cross-section of chair calorimeter,
showing cross-section of copper wall at A, zinc wall at B, hair-felt at
E, and asbestos outer wall at F; also cross-section of all upright
channels in the steel construction. At the right is the location of the
ingoing and outgoing water and the thermometers. At C is shown the food
aperture, and D is a gasket separating the two parts. The ingoing and
outcoming air-pipes are shown at the right inside the copper wall. The
telephone is shown at the left, and in the center of the drawing is the
chair with its foot-rest, G. In dotted line is shown the opening where
the man enters.
 Fig. 8.—Vertical cross-section of chair calorimeter,
showing part of rear of calorimeter and structural-steel frame. N,
cross-section of bottom horizontal channel supporting asbestos floor J;
H, H, upright channels (at the right is a side upright channel and to
the left of this is an upright rear channel); M horizontal 8-inch
channel supporting calorimeter; Zn, zinc wall; Cu, copper wall; J,
insulating asbestos.
Fig. 8.—Vertical cross-section of chair calorimeter,
showing part of rear of calorimeter and structural-steel frame. N,
cross-section of bottom horizontal channel supporting asbestos floor J;
H, H, upright channels (at the right is a side upright channel and to
the left of this is an upright rear channel); M horizontal 8-inch
channel supporting calorimeter; Zn, zinc wall; Cu, copper wall; J,
insulating asbestos.
The respiration chamber used in Middletown, Connecticut, was designed to permit of the greatest latitude in the nature of the experiments to be made with it. As a result, it was found at the end of a number of years of experimenting that this particular size of chamber was somewhat too small for the most satisfactory experiments during muscular work and, on the other hand, somewhat too large for the best results during so-called rest experiments. In the earlier experiments, where no attempt was made to determine the consumption of oxygen, these disadvantages were not so apparent, as carbon dioxide could be determined with very great accuracy;[Pg 12] but with the attempts to measure the oxygen it was found that the large volume of residual air inside the chamber, amounting to some 4,500 liters, made possible very considerable errors in this determination, for, obviously, the subject could draw upon the oxygen residual in the air of the chamber, nearly 1,000 liters, as well as upon the oxygen furnished from outside sources. The result was that a very careful analysis of the residual air must be made frequently in order to insure that the increase or decrease in the amount of oxygen residual in the air of the chamber was known accurately at the end of each period. Analysis of this large volume of air could be made with considerable accuracy, but in order to calculate the exact total of oxygen residual in the air it was necessary to know the total volume of air inside the chamber under standard conditions. This necessitated, therefore, a careful measurement of temperature and pressure, and while the barometric pressure could be measured with a high degree of accuracy,[Pg 13] it was found to be very difficult to determine exactly the average temperature of so large a mass of air. The difficulties attending this measurement and experiments upon this point are discussed in detail elsewhere.[5] Consequently, as a result of this experience, in planning the calorimeters for the Nutrition Laboratory it was decided to design them for special types of experiments. The first calorimeter to be constructed was one which[Pg 14] would have general use in experiments during rest and, indeed, during experiments with the subject sitting quietly in the chair.
 Fig. 9.—Vertical cross-section of chair calorimeter from
front to back, showing structural steel supporting the calorimeter and
the large balance above for weighing the subject inside the calorimeter.
The chair, method of suspension, and apparatus for raising and lowering
are shown. Part of the heat-absorbers is shown, and their general
direction. The ingoing and outgoing air-pipes and direction of
ventilation are also indicated. The positions of the food-aperture and
wire mat and asbestos support are seen. Surrounding the calorimeter are
the asbestos outside and hair-felt lining.
Fig. 9.—Vertical cross-section of chair calorimeter from
front to back, showing structural steel supporting the calorimeter and
the large balance above for weighing the subject inside the calorimeter.
The chair, method of suspension, and apparatus for raising and lowering
are shown. Part of the heat-absorbers is shown, and their general
direction. The ingoing and outgoing air-pipes and direction of
ventilation are also indicated. The positions of the food-aperture and
wire mat and asbestos support are seen. Surrounding the calorimeter are
the asbestos outside and hair-felt lining.
It may well be asked why the first calorimeter was not constructed of such a type as to permit the subject assuming a position on a couch or sofa, such as is used by Zuntz and his collaborators in their research on the respiratory exchange, or the position of complete muscular rest introduced by Johansson and his associates. While the body positions maintained by Zuntz and Johansson may be the best positions for experiments of short duration, it was found, as a result of a large number of experiments, that subjects could be more comfortable and quiet for periods of from 6 to 8 hours by sitting, somewhat inclined, in a comfortable arm-chair, provided with a foot-rest. With this in mind the first calorimeter was constructed so as to hold an arm-chair with a foot-rest so adjusted that the air-space between the body of the subject and the walls of the chamber could be cut down to the minimum and thus increase the accuracy of the determination of oxygen. That the volume has been very materially reduced may be seen from the fact that the total volume of the first calorimeter to be described is less than 1,400 liters, or about one-third that of the Middletown apparatus.
A horizontal cross-section of the apparatus is shown in fig. 7, and a vertical cross-section facing the front is given in fig. 8. Other details of structural steel are seen in fig. 9.
In constructing the new chambers, the earlier wood construction, with its tendency to warp and its general non-rigidity, was avoided by the use of structural steel, and hence in this calorimeter no use whatever is made of wood other than the wood of the chair.
To avoid temperature fluctuations due to possible local stratification of the air in the laboratory, the calorimeter is constructed so as to be practically suspended in the air, there being a large air-space of some 76 centimeters between the lowest point of the calorimeter and the floor, and the top of the calorimeter is some 212 centimeters below the ceiling of the room. Four upright structural-steel channels (4-inch) were bolted through the floor, so as to secure great rigidity, and were tied together at the top with structural steel. As a solid base for the calorimeter chamber two 3-inch channels were placed parallel to each other 70 centimeters from the floor, joined to these uprights. Upon these two 3-inch channels the calorimeter proper was constructed. The steel used for the most part in the skeleton of the apparatus is standard 2-1/2-inch channel. This steel frame and its support are shown in fig. 10, before any of the copper lining was put into position. The main 4-inch channels upon which the calorimeter is supported, the tie-rods and turn-buckles anchoring the framework to the ceiling, the I-beam construction at the top upon which is subsequently installed the large balance for weighing the man, the series of small channels set on edge upon which the asbestos floor is laid, and the upright row of channel ribs are all clearly shown.
 Fig. 10
Fig. 10 Fig. 11
Fig. 11A photograph taken subsequently, showing the inner copper lining in position, is given in fig. 11.
The floor of the chamber is supported by 7 pieces of 2-1/2-inch channel (N, N, N, fig. 8), laid on top and bolted to the two 3-inch channels (M, fig. 8). On top of these is placed a sheet of so-called asbestos lumber (J', fig. 8) 9.5 millimeters thick, cut to fit exactly the bottom of the chamber. Upright 2-1/2-inch channels (H, fig. 8) are bolted to the two outside channels on the bottom and to the ends of three of the long channels between in such a manner as to form the skeleton of the walls. The upper ends of these channels are fastened together by pieces of piping (P, P, P, fig. 8) with lock-nuts on either side, thus holding the whole framework in position.
The I-beams and channels used to tie the four upright channels at the top form a substantial platform upon which is mounted a large balance (fig. 9). This platform is anchored to the ceiling at four points by tie rods and turn-buckles, shown in fig. 4. The whole apparatus, therefore, is extremely rigid and the balance swings freely.
The top of the chamber is somewhat restricted near the edges (fig. 8) and two lengths of 2-1/2-inch channel support the sides of the opening through which the subject enters at the top (fig. 7).
Both the front and back lower channels upon which the bottom rests are extended so as to provide for supports for the outer walls of asbestos wood, which serve to insulate the calorimeter. Between the channels beneath the calorimeter floor and the 3-inch channels is placed a sheet of zinc which forms the outer bottom metallic wall of the chamber.
In order to prevent conduction of heat through the structural steel all contact between the inner copper wall and the steel is avoided by having strips of asbestos lumber placed between the steel and copper. These are shown as J in fig. 8 and fig. 12. A sheet of asbestos lumber beneath the copper bottom likewise serves this purpose and also serves to give a solid foundation for the floor. The supporting channels are placed near enough together to reinforce fully the sheet of asbestos lumber and enable it to support solidly the weight of the man. The extra strain on the floor due to tilting back a chair and thus throwing all the weight on two points was taken into consideration in planning the asbestos and the reinforcement by the steel channels. The whole forms a very satisfactory flooring.
Wall construction and insulation.—The inner wall of the chamber consists of copper, preferably tinned on both sides, thus aiding in soldering, and the tinned inner surface makes the chamber somewhat lighter. Extra large sheets are obtained from the mill, thus reducing to a minimum the number of[Pg 16] seams for soldering, and seams are made tight only with difficulty. The copper is of standard gage, the so-called 14-ounce copper, weighing 1.1 pounds per square foot or 5.5 kilograms per square meter. It has a thickness of 0.5 millimeter. The whole interior of the skeleton frame of the structural steel is lined with these sheets; fig. 11 shows the copper shell in position.
For the outer metallic wall, zinc, as the less expensive metal, is used. One sheet of this material perforated with holes for the attachment of bolts and other appliances is shown in position on the outside of the wall in fig. 11. The sheet zinc of the floor is obviously put in position before the channels upon which it rests are laid. The zinc is obtained in standard size, and is the so-called 9-ounce zinc, or 0.7 pound to the square foot, or 3.5 kilograms to the square meter. The sheet has a thickness of 0.5 millimeter.
 Fig. 12.—Cross-section in detail of walls of
calorimeter, showing zinc and copper walls and asbestos outside (A);
hair-felt lining (B); cross-section of channel iron (H); brass washer
soldered to copper (K); asbestos insulation between channel iron and
copper (J); bolt holding the whole together (I); heating wire (W) and
insulator holding it (F) shown in air-space between zinc and hair-felt;
section of one of the cooling pipes (C) and its brass support (G);
threaded rod (E) fastened into H at one end and passing through asbestos
wall with a nut on the outside; and iron pipe (D) used as spacer between
asbestos and zinc.
Fig. 12.—Cross-section in detail of walls of
calorimeter, showing zinc and copper walls and asbestos outside (A);
hair-felt lining (B); cross-section of channel iron (H); brass washer
soldered to copper (K); asbestos insulation between channel iron and
copper (J); bolt holding the whole together (I); heating wire (W) and
insulator holding it (F) shown in air-space between zinc and hair-felt;
section of one of the cooling pipes (C) and its brass support (G);
threaded rod (E) fastened into H at one end and passing through asbestos
wall with a nut on the outside; and iron pipe (D) used as spacer between
asbestos and zinc.
In the cross-section, fig. 7, A represents the copper wall and B the zinc wall. Surrounding this zinc wall and providing air insulation is a series of panels constructed of asbestos lumber, very fire-resisting, rigid, and light. The asbestos lumber used for these outer panels is 6.4 millimeters (0.25 inch) thick. To further aid in heat insulation we have glued to the inner face of the different panels a patented material composed of two layers of sheathing-paper inclosing a half-inch of hair-felt. This material is commonly[Pg 17] used in the construction of refrigerators. This is shown as E in fig. 7, while the outer asbestos panels are shown as F.
A detail of the construction of the walls, showing in addition the heating and cooling devices, is given in fig. 12, in which the copper is shown held firmly to the upright channel H by means of the bolt I, screwing into a brass or copper disk K soldered to the copper wall. The bolt I serves the purpose of holding the copper to the upright channel and likewise by means of a washer under the head of the screw holds the zinc to the channel. In order to hold the asbestos-lumber panel A with the hair-felt lining B a threaded rod E is screwed into a tapped hole in the outer part of the upright channel H. A small piece of brass or iron tubing, cut to the proper length, is slipped over this rod and the asbestos lumber held in position by a hexagonal nut with washer on the threaded rod E. In this manner great rigidity of construction is secured, and we have two air-spaces corresponding to the dead air-spaces indicated in fig. 7, the first between the copper and zinc and the second between the zinc and hair-felt.
As can be seen from these drawings the whole construction of the apparatus is more or less of the refrigerator type, i. e., there is little opportunity for radiation or conduction of heat. Such a construction could be multiplied a number of times, giving a greater number of insulating walls, and perhaps reducing radiation to the minimum, but for extreme accuracy in calorimetric investigations it is necessary to insure the absence of radiation, and hence we have retained the ingenious device of Rosa, by which an attempt is made arbitrarily to alter the temperature of the zinc wall so that it always follows any fluctuations in the temperature of the copper wall. To this end it is necessary to know first that there is a temperature difference between zinc and copper and, second, to have some method for controlling the temperature of the zinc. Leaving for a moment the question of measuring the temperature differences between zinc and copper, we can consider here the methods for controlling the temperature of the zinc wall.
If it is found necessary to warm the zinc wall, a current of electricity is passed through the resistance wire W, fig. 12. This wire is maintained approximately in the middle of the air-space between the zinc wall and hair-felt by winding it around an ordinary porcelain insulator F, held in position by a threaded rod screwed into a brass disk soldered to the zinc wall. A nut on the end of the threaded rod holds the insulator in position. Much difficulty was had in securing a resistance wire that would at the same time furnish reasonably high resistance and would not crystallize or become brittle and would not rust. At present the best results have been obtained by using enameled manganin wire. The wire used is No. 28 American wire-gage and has resistance of approximately 1.54 ohms per foot. The total[Pg 18] amount of wire used in any one circuit is equal to a resistance of approximately 92 ohms. This method of warming the air-space leaves very little to be desired. It can be instantaneously applied and can be regulated with the greatest ease and with the greatest degree of refinement.
If, on the other hand, it becomes necessary to cool the air-space next to the zinc and in turn cool the zinc, we must resort to the use of cold water, which is allowed to flow through the pipe C suspended in the air-space between the zinc and hair-felt at approximately the same distance as is the heating wire. The support of these pipes is accomplished by placing them in brass hangers G, soldered to the zinc and provided with an opening in which the pipe rests.
In the early experimenting, it was found impracticable to use piping of very small size, as otherwise stoppage as a result of sediment could easily occur. The pipe found best adapted to the purpose was the so-called standard one-eighth inch brass pipe with an actual internal diameter of 7 millimeters. The opening of a valve allowed cold water to flow through this pipe and the considerable mass of water passing through produced a very noticeable cooling effect. In the attempt to minimize the cooling effect of the mass of water remaining in the pipe, provision was made to allow water to drain out of this pipe a few moments after the valve was closed by a system of check-valves. In building the new apparatus, use was made of the compressed-air service in the laboratory to remove the large mass of cold water in the pipe. As soon as the water-valve was closed and the air-cock opened, the compressed air blew all of the water out of the tube.
 Fig. 13.—Detail of drop-eight feed-valve and arrangement
of outside cooling circuit. The water enters at A, and the flow is
regulated by the needle-valve at left-hand side. Rate of flow can be
seen at end of exit tube just above the union. The water flows out at C
and compressed air is admitted at B, regulated by the pet-cock.
Fig. 13.—Detail of drop-eight feed-valve and arrangement
of outside cooling circuit. The water enters at A, and the flow is
regulated by the needle-valve at left-hand side. Rate of flow can be
seen at end of exit tube just above the union. The water flows out at C
and compressed air is admitted at B, regulated by the pet-cock.
The best results have been obtained, however, with an entirely new principle, namely, a few drops of water are continually allowed to pass into the pipe, together with a steady stream of compressed air. This cold water is forcibly blown through the pipe, thus cooling to an amount regulated by the amount of water admitted. Furthermore, the relatively dry air evaporates some of the water, thereby producing a somewhat greater cooling effect. By adjusting the flow of water through the pipe a continuous cooling effect of mild degree may be obtained. While formerly the air in the space next the zinc wall was either cooled or heated alternately by opening the water-valve or by passing a current through the heating coil, at present it is found much more advantageous to allow a slow flow of air and water through the pipes continuously, thus having the air-space normally somewhat[Pg 19] cooler than is desired. The effect of this cooling, therefore, is then counterbalanced by passing an electric current of varying strength through the heating wire. By this manipulation it is unnecessary that the observer manipulate more than one instrument, namely, the rheostat, while formerly he had to manipulate valves, compressed-air cocks, and rheostat. The arrangement for providing for the amount of compressed air and water is shown in fig. 13, in which it is seen that a small drop-sight feed-water valve is attached to the pipe C leading into the dead air-space surrounding the calorimeter chamber. Compressed air enters at B and the amount entering can be regulated by the pet-cock. The amount of water admitted is readily observed by the sight feed-valve. When once adjusted this form of apparatus produces a relatively constant cooling effect and facilitates greatly the manipulation of the calorimetric apparatus as a whole.
In order to detect differences in temperature between the copper and zinc walls, some system for measuring temperature differences between these walls is essential. For this purpose we have found nothing that is as practical as the system of iron-German-silver thermo-electric elements originally introduced in this type of calorimeter by E. B. Rosa, of the National Bureau of Standards, formerly professor of physics at Wesleyan University. In these calorimeters the same principle, therefore, has been applied, and it is necessary here only to give the details of such changes in the construction of the elements, their mounting, and their insulation as have been made as a result of experience in constructing these calorimeters. An element consisting of four pairs of junctions is shown in place as T-J in fig. 25.
One ever-present difficulty with the older form of element was the tendency for the German-silver wires to slip out of the slots in which they had been vigorously crowded in the hard maple spool. In thus slipping out of the slots they came in contact with the metal thimble in the zinc wall and thus produced a ground. In constructing the new elements four pairs of iron-German-silver thermal junctions were made on essentially the same plan as that previously described,[6] the only modification being made in the spool. While the ends of the junctions nearest the copper are exposed to the air so as to take up most rapidly the temperature of the copper, it is somewhat difficult to expose the ends of the junctions nearest the zinc and at the same time avoid short-circuiting. The best procedure is to extend the rock maple spool which passes clear through the ferule in the zinc wall and cut a wide slot in the spool so as to expose the junctions to the air nearest the ferule. By so doing the danger to the unprotected ends of[Pg 20] the junctions is much less. The two lead-wires of German silver can be carried through the end of the spool and thus allow the insulation to be made much more satisfactorily. In these calorimeters free use of these thermal junctions has been made. In the chair calorimeter there are on the top 16 elements consisting of four junctions each, on the rear 18, on the front 8, and on the bottom 13. The distribution of the elements is made with due reference to the direction in which the heat is most directly radiated and conducted from the surface of the body.
While the original iron-German-silver junctions have been retained in two of these calorimeters for the practical reason that a large number of these elements had been constructed beforehand, we believe it will be more advantageous to use the copper-constantin couple, which has a thermo-electric force of 40 microvolts per degree as against the 25 of the iron-German-silver couple. It is planned to install the copper-constantin junctions in the calorimeters now building.
Since the experiments to be made with this chamber will rarely exceed 6 to 8 hours, there is no provision made for installing a cot bed or other conveniences which would be necessary for experiments of long duration. Aside from the arm-chair with the foot-rest suspended from the balance, there is practically no furniture inside of the chamber, and a shelf or two, usually attached to the chair, to support bottles for urine and drinking-water bottles, completes the furniture equipment. The construction of the calorimeter is such as to minimize the volume of air surrounding the subject and yet secure sufficient freedom of movement to have him comfortable. A general impression of the arrangement of the pipes, chair, telephone, etc., inside the chamber can be obtained from figs. 7 and 9. The heat-absorber system is attached to rings soldered to the ceiling at different points. The incoming air-pipe is carried to the top of the central dome, while the air is drawn from the calorimeter at a point at the lower front near the position of the feet of the subject. From this point it is carried through a pipe along the floor and up the rear wall of the calorimeter to the exit.
With the perfect heat insulation obtaining, the heat production of the man would soon raise the temperature to an uncomfortable degree were there no provisions for withdrawing it. It is therefore necessary to cool the chamber and, as has been pointed out, the cooling is accomplished by passing a current of cold water through a heat-absorbing apparatus permanently installed in the interior of the chamber. The heat-absorber consists of a continuous copper pipe of 6 millimeters internal diameter and 10 millimeters external diameter. Along this pipe there are soldered a large number of copper disks 5 centimeters in diameter at a distance of 5 millimeters from each other. This increases enormously the area for the absorption[Pg 21] of heat. In order to allow the absorber system to be removed, added to, or repaired at any time, it is necessary to insert couplings at several points. This is usually done at corners where the attachment of disks is not practicable. The total length of heat-absorbers is 5.6 meters and a rough calculation shows that the total area of metal for the absorption of heat is 4.7 square meters. The total volume of water in the absorbers is 254 cubic centimeters.
It has been found advantageous to place a simple apparatus to mix the water in the water-cooling circuit at a point just before the water leaves the chamber. This water-mixer consists of a 15-centimeter length of standard 1-inch pipe with a cap at each end. Through each of these caps there is a piece of one-eighth-inch pipe which extends nearly the whole length of the mixer. The water thus passing into one end returns inside the 1-inch pipe and leaves from the other. This simple device insures a thorough mixing.
The air-pipes are of thin brass, 1-inch internal diameter. One of them conducts the air from the ingoing air-pipe up into the top of the central dome or hood immediately above the head of the subject. The air thus enters the chamber through a pipe running longitudinally along the top of the dome. On the upper side of this pipe a number of holes have been drilled so as to have the air-current directed upwards rather than down against the head of the subject. With this arrangement no difficulties are experienced with uncomfortable drafts and although the air enters the chamber through this pipe absolutely dry, there is no uncomfortable sensation of extreme dryness in the air taken in at the nostrils, nor is the absorption of water from the skin of the face, head, or neck great enough to produce an uncomfortable feeling of cold. The other air-pipe, as suggested, receives the air from the chamber at the lower front and passes around the rear to the point where the outside air-pipe leaves the chamber.
The chamber is illuminated by a small glass door in the food aperture. This is a so-called "port" used on vessels. Sufficient light passes through this glass to enable the subject to see inside the calorimeter without difficulty and most of the subjects can read with comfort. If an electric light is placed outside of the window, the illumination is very satisfactory and repeated tests have shown that no measurable amount of heat passes through the window by placing a 32 c. p. electric lamp 0.5 meter from the food aperture outside. More recently we have arranged to produce directly inside the chamber illumination by means of a small tungsten electric lamp connected to the storage battery outside of the chamber. This lamp is provided with a powerful mirror and a glass shade, so that the light is very bright throughout the chamber and is satisfactory for reading. It is necessary, however, to make a correction for the heat developed, amounting usually to not far from 3 calories per hour.[Pg 22]
By means of a hand microphone and receiver, the subject can communicate with the observers outside at will. A push-button and an electric bell make it possible for him to call the observers whenever desired.
To bring away the heat produced by the subject, it is highly desirable that a constant flow of water of even temperature be secured. Direct connection with the city supply is not practicable, owing to the variations in pressure, and hence in constructing the laboratory building provision was made to install a large tank on the top floor, fed with a supply controlled by a ball-and-cock valve. By this arrangement the level in the tank is maintained constant and the pressure is therefore regular. As the level of the water in the tank is approximately 9 meters above the opening in the calorimeter, there is ample pressure for all purposes.
 Fig. 14.—Schematic diagram of water circuit for
heat-absorbers of calorimeter. A, constant-level tank from which water
descends to main pipe supplying heat-absorbers; a, valve for
controlling supply from tank A; B, section of piping passing into cold
brine; b, valve controlling water direct from large tank A; c, valve
controlling amount of water from cooling section B; C, thermometer at
mixer; D, electric heater for ingoing water; E, thermometer for ingoing
water; d d d, heat-absorbers inside calorimeter; F, thermometer
indicating temperature of outcoming water; G, can for collecting water
from calorimeter; f, valve for emptying G.
Fig. 14.—Schematic diagram of water circuit for
heat-absorbers of calorimeter. A, constant-level tank from which water
descends to main pipe supplying heat-absorbers; a, valve for
controlling supply from tank A; B, section of piping passing into cold
brine; b, valve controlling water direct from large tank A; c, valve
controlling amount of water from cooling section B; C, thermometer at
mixer; D, electric heater for ingoing water; E, thermometer for ingoing
water; d d d, heat-absorbers inside calorimeter; F, thermometer
indicating temperature of outcoming water; G, can for collecting water
from calorimeter; f, valve for emptying G.
The water descends from this tank in a large 2-inch pipe to the ceiling of the calorimeter laboratory, where it is subdivided into three 1-inch pipes, so as to provide for a water-supply for three calorimeters used simultaneously, if necessary, and eliminate the influence of a variation in the rate of flow in one calorimeter upon the rate of flow in another. These pipes are brought down the inner wall of the room adjacent to the refrigeration room and part of the water circuit is passed through a brass coil immersed in a cooling-tank in the refrigeration room. By means of a by-pass, water of any degree of temperature from 2° C. to 20° C. may be obtained. The water is then conducted through a pipe beneath the floor to the calorimeter chamber, passed through the absorbers, and is finally measured in the water-meter.
A diagrammatic sketch showing the course of the water-current is given (fig. 14), in which A is the tank on the top floor controlled by the ball cock and valve, and a is the main valve which controls this supply to the[Pg 23] cooler B, and by adjusting the valve b and valve c any desired mixture of water can be obtained. A thermometer C gives a rough idea of the temperature of the water, so as to aid in securing the proper mixture. The water then passes under the floor of the calorimeter laboratory and ascends to the apparatus D, which is used for heating it to the desired temperature before entering the calorimeter. The temperature of the water as it enters the calorimeter is measured on an accurately calibrated thermometer E, and it then passes through the absorber system d d d and leaves the calorimeter, passing the thermometer F, upon which the final temperature is read. It then passes through a pipe and falls into a large can G, placed upon scales. When this can is filled the water is deflected for a few minutes to another can and by opening valve f the water is conducted to the drain after having been weighed.
Brine-tank.—The cooling system for the water-supply consists of a tank in which there is immersed an iron coil connected by two valves to the supply and return of the brine mains from the central power-house. These valves are situated just ahead of the valves controlling the cooling device in the refrigeration room and permit the passage of brine through the coil without filling the large coils for the cooling of the air in the calorimeter laboratory. As the brine passes through this coil, which is not shown in the figure, it cools the water in which it is immersed and the water in turn cools the coil through which the water-supply to the calorimeter passes. The brass coil only is shown in the figure. The system is very efficient and we have no difficulty in cooling the water as low as 2° C. As a matter of fact our chief difficulty is in regulating the supply of brine so as not to freeze the water-supply.
Water-mixer.—If the valve b is opened, water flows through this short length of pipe much more rapidly than through the long coil, owing to the greater resistance of the cooling coil. In conducting these experiments the valve c is opened wide and by varying the amount to which the valve b is opened, the water is evenly and readily mixed. The thermometer C is in practice immersed in the water-mixer constructed somewhat after the principle of the mixer inside the chamber described on page 21. All the piping, including that under the floor, and the reheater D, are covered with hair-felt and well insulated.
Rate-valves.—It has been found extremely difficult to secure any form of valve which, even with a constant pressure of water, will give a constant rate of flow. In this type of calorimeter it is highly desirable that the rate of flow be as nearly constant as possible hour after hour, as this constant rate of flow aids materially in maintaining the calorimeter at an even temperature. Obviously, fluctuations in the rate of flow will produce fluctuations in the temperature of the ingoing water and in the amount of[Pg 24] heat brought away. This disturbs greatly the temperature equilibrium, which is ordinarily maintained fairly constant. Just before the water enters the reheater D it is caused to pass through a rate-valve, which at present consists of an ordinary plug-cock. At present we are experimenting with other types of valves to secure even greater constancy, if possible.
Electric reheater.—In order to control absolutely the temperature of the water entering at E, it is planned to cool the water leaving the water-mixer at C somewhat below the desired temperature, so that it is necessary to reheat it to the desired point. This is done by passing a current of electricity through a coil inserted in the system at the point D. This electric reheater consists of a standard "Simplex" coil, so placed in the copper can that the water has a maximum circulation about the heater. The whole device is thoroughly insulated with hair-felt. By connecting the electric reheater with the rheostat on the observer's table, control of the quantity of electricity passing through the coil is readily obtained, and hence it is possible to regulate the temperature of the ingoing water to within a few hundredths of a degree.
The control of the amount of heat brought away from the chamber is made either by (1) increasing the rate of flow or (2) by varying the temperature of the ingoing water. Usually only the second method is necessary. In the older form of apparatus a third method was possible, namely, by varying the area of the absorbing surface of the cooling system inside of the chamber. This last method of regulation, which was used almost exclusively in earlier experiments, called for an elaborate system of shields which could be raised or lowered at will by the operator outside, thus involving an opening through the chamber which was somewhat difficult to make air-tight and also considerably complicating the mechanism inside the chamber. The more recent method of control by regulating the temperature of the ingoing water by the electric reheater has been much refined and has given excellent service.
Insulation of water-pipes through the wall.—To insulate the water-pipes as they pass through the metal walls of the calorimeter and to prevent any cooling effect not measured by the thermometers presented great difficulties. The device employed in the Middletown chamber was relatively simple, but very inaccessible and a source of more or less trouble, namely, a large-sized glass tube embedded in a large round wooden plug with the annular space between the glass and wood filled with wax. An attempt was made in the new calorimeters to secure air insulation by using a large-sized glass tube, some 15 millimeters internal diameter, and passing it through a large rubber stopper, fitting into a brass ferule soldered between the zinc and copper walls. (See N, fig. 25.) So far as insulation was concerned, this arrangement was very satisfactory, but unfortunately the glass tubes break readily[Pg 25] and difficulty was constantly experienced. An attempt was next made to substitute hard-rubber tubing for the glass tube, but this did not prove to be an efficient insulator. More recently we have used with perfect success a special form of vacuum-jacketed glass tube, which gives the most satisfactory insulation. However, this system of insulation is impracticable when electric-resistance thermometers are used for recording the water-temperature differences and can be used only when mercurial thermometers exclusively are employed. The electric-resistance thermometers are constructed in such a way, however, as to make negligible any inequalities in the passage of heat through the hard-rubber casing. This will be seen in the discussion of these thermometers.
Measuring the water.—As the water leaves the respiration chamber it passes through a valve which allows it to be deflected either into the drain during the preliminary period, or into a small can where the measurements of the rate of flow can readily be made, or into a large tank (G, fig. 14) where the water is weighed. The measurement of the water is made by weight rather than by volume, as it has been found that the weighing may be carried out with great accuracy. The tank, a galvanized-iron ash-can, is provided with a conical top, through an opening in which a funnel is placed. The diagram shows the water leaving the calorimeter and entering the meter through this funnel, but in practice it is adjusted to enter through an opening on the side of the meter. After the valve f is tightly closed the empty can is weighed.
When the experiment proper begins the water-current is deflected so as to run into this can and at the end of an hour the water is deflected into a small can used for measuring the rate of flow. While it is running into this can, the large can G is weighed on platform scales to within 10 grams. After weighing, the water is again deflected into the large can and that collected in the small measuring can is poured into G through the funnel. The can holds about 100 liters of water and consequently from 3 to 8 one-hour periods, depending upon the rate of flow, can be continued without emptying the meter. When it is desired to empty the meter at the end of the period, the water is allowed to flow into the small can, and after weighing G, the valve f is opened. About 4 minutes are required to empty the large can. After this the valve is again closed, the empty can weighed, and the water in the small measuring-can poured into the large can G through the funnel. The scales used are the so-called silk scales and are listed by the manufacturers to weigh 150 kilograms. This form of scales was formerly used in weighing the man inside the chamber.[7]
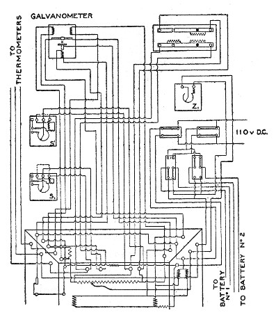
In connection with the calorimeter and the accessories, mercurial and electric-resistance thermometers are employed. For measuring the temperature of the water as it enters and leaves the chamber through horizontal tubes, mercurial thermometers are used, and these are supplemented by electric-resistance thermometers which are connected with a special form of recording instrument for permanently recording the temperature differences. For the measurement of the temperatures inside of the calorimeter, two sets of electric-resistance thermometers are used, one of which is a series of open coils of wire suspended in the air of the chamber so as to take up quickly the temperature of the air. The other set consists of resistance coils encased in copper boxes soldered to the copper wall and are designed to indicate the temperature of the copper wall rather than that of the air.
The mercurial thermometers used for measuring the temperature differences of the water-current are of special construction and have been calibrated with the greatest accuracy. As the water enters the respiration chamber through a horizontal tube, the thermometers are so constructed and so placed in the horizontal tubes through which the water passes that the bulbs of the thermometers lie about in a plane with the copper wall, thus taking the temperature of the water immediately as it enters and as it leaves the chamber. For convenience in reading, the stem of the thermometer is bent at right angles and the graduations are placed on the upright part.
The thermometers are graduated from 0° to 12° C. or from 8° to 20° C. and each degree is divided into fiftieths. Without the use of a lens it is possible to read accurately to the hundredth of a degree. For calibrating these thermometers a special arrangement is necessary. The standards used consist of well-constructed metastatic thermometers of the Beckmann type, made by C. Richter, of Berlin, and calibrated by the Physikalische Technische Reichsanstalt. Furthermore, a standard thermometer, graduated from 14° to 24° C., also made by Richter and standardized by the Physikalische Technische Reichsanstalt, serves as a basis for securing the absolute temperature. Since, however, on the mercurial thermometers used in the water-current, differences in temperature are required rather than absolute temperatures, it is unnecessary, except in an approximate way, to standardize the thermometers on the basis of absolute temperature. For calibrating the thermometers, an ordinary wooden water-pail is provided with several holes in the side near the bottom. One-hole rubber stoppers are inserted in these holes and through these are placed the bulbs and stems of the different thermometers which are to be calibrated. The upright portion[Pg 27] of the stem is held in a vertical position by a clamp. The pail is filled with water, thereby insuring a large mass of water and slow temperature fluctuations, and the water is stirred by means of an electrically driven turbine stirrer.
The Beckmann thermometers, of which two are used, are so adjusted that they overlap each other and thus allow a range of 8° to 14° C. without resetting. For all temperatures above 14° C., the standard Richter thermometer can be used directly. For temperatures at 8° C. or below, a large funnel filled with cracked ice is placed with the stem dipping into the water. As the ice melts, the cooling effect on the large mass of water is sufficient to maintain the temperature constant and compensate the heating effect of the surrounding room-air. The thermometers are tapped and read as nearly simultaneously as possible. A number of readings are taken at each point and the average readings used in the calculations. Making due allowance for the corrections on the Beckmann thermometers, the temperature differences can be determined to less than 0.01° C. The data obtained from the calibrations are therefore used for comparison and a table of corrections is prepared for each set of thermometers used. It is especially important that these thermometers be compared among themselves with great accuracy, since as used in the calorimeter the temperature of the ingoing water is measured on one thermometer and the temperature of the outgoing water on another.
Thermometers of this type are extremely fragile. The long angle with an arm some 35 centimeters in length makes it difficult to handle them without breakage, but they are extremely sensitive and accurate and have given great satisfaction. The construction of the bulb is such, however, that the slightest pressure on it raises the column of mercury very perceptibly, and hence it is important in practical use to note the influence of the pressure of the water upon the bulbs and make corrections therefor. The influence of such pressure upon thermometers used in an apparatus of this type was first pointed out by Armsby,[8] and with high rates of flow, amounting to 1 liter or more per minute, there may be a correction on these thermometers amounting to several hundredths of a degree. We have found that, as installed at present, with a rate of flow of less than 400 cubic centimeters per minute, there is no correction for water pressure.
In installing a thermometer it is of the greatest importance that there be no pressure against the side of the tube through which the thermometer is inserted. The slightest pressure will cause considerable rise in the mercury column. Special precautions must also be taken to insulate the tube through which the water passes, as the passage of the water along the tube does not insure ordinarily a thorough mixing, and by moving the thermometer[Pg 28] bulb from the center of the tube to a point near the edge, the water, which at the edge may be somewhat warmer than at the center, immediately affects the thermometer. By use of the vacuum jacket mentioned above, this warming of the water has been avoided, and in electric-resistance thermometers special precautions are taken not only with regard to the relative position of the bulb of the mercury thermometer and the resistance thermometer, but also with regard to the hard-rubber insulation, to avoid errors of this nature.
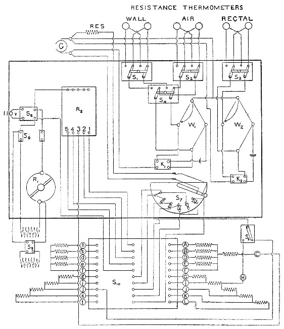
Electric-resistance thermometers are used in connection with the respiration calorimeter for several purposes: first, to determine the fluctuations in the temperature of the air inside the chamber; second, to measure the fluctuations of the temperature of the copper wall of the respiration chamber; third, for determining the variations in body temperature; finally, for recording the differences in temperature of the incoming and outgoing water. While these thermometers are all built on the same principle, their installation is very different, and a word regarding the method of using each is necessary.
The air thermometers are designed with a special view to taking quickly the temperature of the air. Five thermometers, each having a resistance of not far from 4 ohms, are connected in series and suspended 3.5 centimeters from the wall on hooks inside the chamber. They are surrounded for protection, first, with a perforated metal cylinder, and outside this with a wire guard.
 Fig. 15.
Fig. 15.
Detail of air-resistance thermometer, showing method of mounting and wiring the thermometer. Parts of the wire guard and brass guard are shown, cut away so that interior structure can be seen.
The details of construction and method of installation are shown in fig. 15. Four strips of mica are inserted into four slots in a hard maple rod 12.5 centimeters long and 12 millimeters in diameter, and around each strip is wound 5 meters of double silk-covered pure copper wire (wire-gage No. 30). By means of heavy connecting wires, five of these thermometers are connected in series, giving a total resistance of the system of not far from 20 ohms. The thermometer proper is suspended between two hooks by rubber bands and these two hooks are in turn fastened to a wire guard which is attached to threaded rods soldered to the inner surface of the copper wall, thus bringing the center of the thermometer 3.4 centimeters from the copper wall. Two of these thermometers are placed in the dome of the calorimeter immediately over the shoulders of the subject, and the other three are distributed around the sides and front of the chamber. This[Pg 29] type of construction gives maximum sensibility to the temperature fluctuations of the air itself and yet insures thorough protection. The two terminals are carried outside of the respiration chamber to the observer's table, where the temperature fluctuations are measured on a Wheatstone bridge.
The wall thermometers are designed for the purpose of taking the temperature of the copper wall rather than the temperature of the air. When temperature fluctuations are being experienced inside of the respiration chamber, the air obviously shows temperature fluctuations first, and the copper walls are next affected. Since in making corrections for the hydrothermal equivalent of the apparatus and for changes in the temperature of the apparatus as a whole it is desirable to know the temperature changes of the wall rather than the air, these wall thermometers were installed for this special purpose. In construction they are not unlike the thermometers used in the air, but instead of being surrounded by perforated metal they are encased in copper boxes soldered directly to the wall. Five such thermometers are used in series and, though attached permanently to the wall, they are placed in relatively the same position as the air thermometers. The two terminals are conducted through the metal walls to the observer's table, where variations in resistance are measured. The resistance of the five thermometers is not far from 20 ohms.
The resistance thermometer used for measuring the temperature of the body of the man is of a somewhat different type, since it is necessary to wind the coil in a compact form, inclose it in a pure silver tube, and connect it with suitable rubber-covered connections, so that it can be inserted deep in the rectum. The apparatus has been described in a number of publications.[9] The resistance of this system is also not far from 20 ohms, thus simplifying the use of the apparatus already installed on the observer's table.
The measurement of the temperature differences of the water-current by the electric-resistance thermometer was tried a number of years ago by Rosa,[10] but the results were not invariably satisfactory and in all the subsequent[Pg 30] experimenting the resistance thermometer could not be used with satisfaction. More recently, plans were made to incorporate some of the results of the rapidly accumulating experience in the use of resistance thermometers and consequently an electric-resistance thermometer was devised to meet the conditions of experimentation with the respiration calorimeter by Dr. E. F. Northrup, of the Leeds & Northrup Company, of Philadelphia. The conditions to be met were that the thermometers should take rapidly the temperature of the ingoing and outcoming water and that the fluctuations in temperature difference as measured by the resistance thermometers should be controlled for calibration purposes by the differences in temperature of the mercurial thermometers.
 Fig. 16.—Details of resistance thermometers for
water-circuit. Upper part of figure shows a sketch of the outside of the
hard-rubber case. In lower part is a section showing interior
construction. Flattened lead tube wound about central brass tube
contains the resistance wire. A is enlarged part of the case forming a
chamber for the mercury bulb. Arrows indicate direction of flow on
resistance thermometer for ingoing water.
Fig. 16.—Details of resistance thermometers for
water-circuit. Upper part of figure shows a sketch of the outside of the
hard-rubber case. In lower part is a section showing interior
construction. Flattened lead tube wound about central brass tube
contains the resistance wire. A is enlarged part of the case forming a
chamber for the mercury bulb. Arrows indicate direction of flow on
resistance thermometer for ingoing water.
For the resistance thermometer, Dr. Northrup has used, instead of copper, pure nickel wire, which has a much higher resistance and thus enables a much greater total resistance to be inclosed in a given space. The insulated nickel wire is wound in a flattened spiral and then passed through a thin lead tube flattened somewhat. This lead tube is then wound around a central core and the flattened portions attached at such an angle that the water passing through the tubes has a tendency to be directed away from the center and against the outer wall, thus insuring a mixing of the water. Space is left for the insertion of the mercurial thermometer. With the thermometer for the ingoing water, it was found necessary to extend the bulb somewhat beyond the resistance coil, so that the water might be thoroughly mixed before reaching the bulb and thus insure a steady temperature. Thus it was found necessary to enlarge the chamber A (fig. 16) somewhat and the tube leading out of the thermometer, so that the bulb of the thermometer itself could be placed almost directly at the opening of the exit tube. Under these conditions perfect mixing of water and constancy of temperature were obtained.[Pg 31]
In the case of the thermometer which measured the outcoming water, the difficulty was not so great, as the outcoming water is somewhat nearer the temperature of the chamber, and the water as it leaves the thermometer passes first over the mercurial thermometer and then over the resistance thermometer. By means of a long series of tests it was found possible to adjust these resistance thermometers so that the variations in resistance were in direct proportion to the temperature changes noted on the mercurial thermometers. Obviously, these differences in resistance of the two thermometers can be measured directly with the Wheatstone bridge, but, what is more satisfactory, they are measured and recorded directly on a special type of automatic recorder described beyond.
The measurements of the temperature of the respiration chamber, of the water-current, and of the body temperature of the man, as well as the heating and cooling of the air-spaces about the calorimeter, are all under the control of the physical assistant. The apparatus for these temperature controls and measurements is all collected compactly on a table, the so-called "observer's table." At this, the physical assistant sits throughout the experiments. For convenience in observing the mercurial thermometers in the water-current and general inspection of the whole apparatus, this table is placed on an elevated platform, shown in fig. 3. Directly in front of the table the galvanometer is suspended from the ceiling and a black hood extends from the observer's table to the galvanometer itself. On the observer's table proper are all the electrical connections and at the left are the mercurial thermometers for the chair calorimeter. Formerly, when the method of alternately cooling and heating the air-spaces was used, the observer was able to open and close the water-valves without leaving the chair.
The observer's table is so arranged electrically as to make possible temperature control and measurement of either of the two calorimeters. It is impossible, however, for the observer to read the mercurial thermometers in the bed calorimeter without leaving his chair, and likewise he must occasionally alter the cooling water flowing through the outer air-spaces by going to the bed calorimeter itself. The installation of the electric-resistance thermometers connected with the temperature recorder does away with the reading of the mercurial thermometers, save for purposes of comparison, and hence it is unnecessary for the assistant to leave the chair at the observer's table when the bed calorimeter is in use. Likewise the substitution of the method of continuously cooling somewhat the air-spaces and reheating with electricity, mentioned on page 18, does away with the necessity for alternately opening and closing the water-valves of the chair calorimeter placed at the left of the observer's table.[Pg 32]
 Fig. 17.—Diagram of wiring of observer's table. W1,
W2, Wheatstone bridges for resistance thermometers; K1, K2,
double contact keys for controlling Wheatstone circuits; S1, S2,
S3, double-pole double-throw switches for changing from chair to bed
calorimeter; S4, double-pole double-throw switch for changing from
wall to air thermometers; G, galvanometer; R2, rheostat. 1, 2, 3, 4,
5, wires connecting with resistance-coils A B D E F and a b d e f;
S2, 6-point switch for connecting thermal-junction circuits of either
bed or chair calorimeter with galvanometer; S10, 10-point
double-throw switch for changing heating circuits and thermal-junction
circuits to either chair or bed calorimeter; R1, rheostat for
controlling electric heaters in ingoing water in calorimeters; S8,
double-pole single-throw switch for connecting 110-v. current with
connections on table; S9, double-pole single-throw switch for
connecting R1 with bed calorimeter.
Fig. 17.—Diagram of wiring of observer's table. W1,
W2, Wheatstone bridges for resistance thermometers; K1, K2,
double contact keys for controlling Wheatstone circuits; S1, S2,
S3, double-pole double-throw switches for changing from chair to bed
calorimeter; S4, double-pole double-throw switch for changing from
wall to air thermometers; G, galvanometer; R2, rheostat. 1, 2, 3, 4,
5, wires connecting with resistance-coils A B D E F and a b d e f;
S2, 6-point switch for connecting thermal-junction circuits of either
bed or chair calorimeter with galvanometer; S10, 10-point
double-throw switch for changing heating circuits and thermal-junction
circuits to either chair or bed calorimeter; R1, rheostat for
controlling electric heaters in ingoing water in calorimeters; S8,
double-pole single-throw switch for connecting 110-v. current with
connections on table; S9, double-pole single-throw switch for
connecting R1 with bed calorimeter.
Of special interest are the electrical connections on the observer's table itself. A diagrammatic representation of the observer's table with its connections is shown in fig. 17. The heavy black outline gives in a general way the outline of the table proper and thus shows a diagrammatic distribution of the parts. The first of the electrical measurements necessary during[Pg 33] experiments is that of the thermo-electric effect of the thermal junction systems installed on the calorimeters. To aid in indicating what parts of the zinc wall need cooling or heating, the thermal junction systems are, as has already been described, separated into four sections on the chair calorimeter and three sections on the bed calorimeter; in the first calorimeter, the top, front, rear, and bottom; in the bed calorimeter, the top, sides, and bottom.
Since heretofore it has been deemed unwise to attempt to use both calorimeters at the same time, the electrical connections are so made that, by means of electrical switches, either calorimeter can be connected to the apparatus on the table.
The thermal-junction measurements are made by a semicircular switch S7. The various points, i, ii, iii, iv, etc., are connected with the different thermal-junction systems. Thus, by following the wiring diagram, it can be seen that the connections with i run to the different binding-posts of the switch S10, which as a matter of fact is placed beneath the table. This switch S10 has three rows of binding-posts. The center row connects directly with the apparatus on the observer's table, the outer rows connect with either the chair calorimeter or the bed calorimeter. The points marked a, b, d, e, f, etc., connect with the bed calorimeter and A, B, D, etc., connect with the chair calorimeter. Thus, by connecting the points g and i with the two binding-posts opposite them on the switch S10, it can be seen that this connection leads directly to the point i on the switch S7, and as a matter of fact this gives direct connection with the galvanometer through the key on S7, thus connecting the thermal-junction system on one section of the bed calorimeter between g and i directly with the galvanometer. Similar connections from the other points can readily be followed from the diagram. The points on the switch S7 indicated as i, ii, iii, iv, correspond respectively to the thermal-junction systems on the top, rear, front, and bottom of the chair calorimeter.
By following the wiring diagram of the point v, it will be seen that this will include the connections with the thermal junctions connected in series and thus give a sum total of the electromotive forces in the thermal junctions. The point vi is connected with the thermal-junction system in the air system, indicating the differences in temperature between the ingoing and outgoing air. It will be noted that there are four sections in the chair calorimeter, while in the bed calorimeter there are but three, and hence a special switch S3 is installed to insure proper connections when the bed calorimeter is in use.
This system of connecting the thermal junctions in different sections to the galvanometer makes possible a more accurate control of the temperatures[Pg 34] in the various parts, and while the algebraic sum of the temperature differences of the parts may equal zero, it is conceivable that there may be a condition in the calorimeter when there is a considerable amount of heat passing out through the top, for example, compensated exactly by the heat which passes in at the bottom, and while with the top section there would be a large plus deflection on the galvanometer, thus indicating that the air around the zinc wall was too cold and that heat was passing out, there would be a corresponding minus deflection on the bottom section, indicating the reverse conditions. The two may exactly balance each other, but it has been found advantageous to consider each section as a unit by itself and to attempt delicate temperature control of each individual unit. This has been made possible by the electrical connections, as shown on the diagram.
The rheostat for heating the air-spaces and the returning air-current about the zinc wall is placed on the observer's table and is indicated in the diagram as R2. There are five different sets of contact-points, marked 1, 2, 3, 4, and 5. One end of the rheostat is connected directly with the 110-volt circuit through the main switch S5. The other side of the switch S5 connects directly with the point on the middle of switch S10, and when this middle point is joined with either f and F, direct connection is insured between all the various heating-circuits on the calorimeter in use. The various numbered points on the rheostat R2, are connected with the binding posts on S10, and each can in turn be connected with a or A, b or B, etc. The heating of the top of the chair calorimeter is controlled by the point 5 on the rheostat R2, the rear by the point 4, the front by the point 3, and the bottom by the point 2. Point 1 is used for heating the air entering the calorimeter by means of an electric lamp placed in the air-pipe, as shown in fig. 25.
The warming of the electrical reheater placed in the water-circuit just before the water enters the calorimeter is done by an electrical current controlled by the resistance R1. This R1 is connected on one end directly with the 110-volt circuit and the current leaving it passes through the resistance inside the heater in the water-current. The two heaters, one for each calorimeter, are indicated on the diagram above and below the switch S9. The disposition of the switches is such as to make it possible to use alternately the reheaters on either the bed or the chair calorimeter, and the main resistance R1 suffices for both.
For use in measuring the temperature of the air and of the copper wall of the calorimeters, as well as the rectal temperature of the subject, a series[Pg 35] of resistance thermometers is employed. These are so connected on the observer's table that they may be brought into connection with two Wheatstone bridges, W1 and W2. Bridge W1 is used for the resistance thermometers indicating the temperature of the wall and the air. Bridge W2 is for the rectal thermometer. Since similar thermometers are inserted in both calorimeters, it is necessary to introduce some switch to connect either set at will and hence the double-throw switches S1, S2, and S3 allow the use of either the wall, air, or rectal thermometer on either the bed or chair calorimeter at will. Since the bridge W1 is used for measuring the temperature of both the wall and the air, a fourth double-pole switch, S4, is used to connect the air and wall thermometers alternately. The double-contact key, K1, is connected with the bridge W1 and is so arranged that the battery circuit is first made and subsequently the galvanometer circuit. A similar arrangement in K2 controls the connections for the bridge W2.
The galvanometer is of the Deprez-d'Arsonval type and is extremely sensitive. The sensitiveness is so great that it is desirable to introduce a resistance of some 500 ohms into the thermal-junction circuits. This is indicated at the top of the diagram near the galvanometer. The maximum sensitiveness of the galvanometer is retained when the connection is made with the Wheatstone bridges. The galvanometer is suspended from the ceiling of the calorimeter laboratory and is free from vibration.
To vary the current passing through the manganin heating coils in the air-spaces next the zinc wall, a series of resistances is installed connected directly with the rheostat R2 in fig. 17. The details of these resistances and their connection with the rheostat are shown in fig. 18. The rheostat, which is in the right part of the figure, has five sliding contacts, each of which can be connected with ten different points. One end of the rheostat is connected directly with the 110-volt circuit. Beneath the observer's table are fastened the five resistances, which consist of four lamps, each having approximately 200 ohms resistance and then a series of resistance-coils wound on a long strip of asbestos lumber, each section having approximately 15 ohms between the binding-posts. A fuse-wire is inserted in each circuit to protect the chamber from excessive current. Of these resistances, No. 1 is used to heat the lamp in the air-current shown in fig. 25, and consequently it has been found advisable to place permanently a second lamp in series with the first, but outside of the air-pipe, so as to avoid burning out the lamp inside of the air-pipe. The other four resistances, 2, 3, 4, and 5, are connected with the different sections on the two calorimeters. No. 5 corresponds to the top of both calorimeters. No. 4 corresponds[Pg 36] to the rear section of the chair calorimeter and to the sides of the bed calorimeter. No. 3 corresponds to the front of the chair calorimeter and is without communication with the bed calorimeter. No. 2 connects with the bottom of both calorimeters.
It will be seen from the diagrams that each of these resistances can be connected at will with either the bed or the chair calorimeter and at such points as are indicated by the lettering below the numbers. Thus, section 1 can be connected with either the point A or point a on fig. 17 and thus directly control the amount of current passing through the corresponding resistance in series with the lamp in the air-current. The sliding contacts at present in use are ill adapted to long-continued usage and will therefore shortly be substituted by a more substantial instrument. The form of resistance using small lamps and the resistance wires wound on asbestos lumber has proven very satisfactory and very compact in form.
 Fig. 18.—Diagram of rheostat and resistances in series
with it. At the right are shown the sliding contacts, and in the center
places for lamps used as resistances, and to left the sections of wire
resistances.
Fig. 18.—Diagram of rheostat and resistances in series
with it. At the right are shown the sliding contacts, and in the center
places for lamps used as resistances, and to left the sections of wire
resistances.
The numerous electrical, thermometric, and chemical measurements necessary in the full conduct of an experiment with the respiration calorimeter has often raised the question of the desirability of making at least a portion of these observations more or less automatic. This seems particularly feasible with the observations ordinarily recorded by the physical observer. These observations consist of the reading of the mercurial thermometers indicating the temperatures of the ingoing and outcoming water, records[Pg 37] with the electric-resistance thermometers for the temperature of the air and the walls and the body temperatures, and the deflections of the thermo-electric elements.
Numerous plans have been proposed for rendering automatic some of these observations, as well as the control of the heating and cooling of the air-circuits. Obviously, such a record of temperature measurements would have two distinct advantages: (1) in giving an accurate graphic record which would be permanent and in which the influence of the personal equation would be eliminated; (2) while the physical observer at present has much less to do than with the earlier form of apparatus, it would materially lighten his labors and thereby tend to minimize errors in the other observations.
The development of the thread recorder and the photographic registration apparatus in recent years led to the belief that we could employ similar apparatus in connection with our investigations in this laboratory. To this end a number of accurate electrical measuring instruments were purchased, and after a number of tests it was considered feasible to record automatically the temperature differences of the ingoing and outcoming water from the calorimeter. Based upon our preliminary tests, the Leeds & Northrup Company of Philadelphia, whose experience with such problems is very extended, were commissioned to construct an apparatus to meet the requirements of the respiration calorimeter. The conditions to be met by this apparatus were such as to call for a registering recorder that would indicate the differences in temperature between the ingoing and outcoming water to within 0.5 per cent and to record these differences in a permanent ink line on coordinate paper. Furthermore, the apparatus must be installed in a fixed position in the laboratory, and connections should be such as to make it interchangeable with any one of five calorimeters.
After a great deal of preliminary experimenting, in which the Leeds & Northrup Company have most generously interpreted our specifications, they have furnished us with an apparatus which meets to a high degree of satisfaction the conditions imposed. The thermometers themselves have already been discussed. (See page 30.) The recording apparatus consists of three parts: (1) the galvanometer; (2) the creeper or automatic sliding-contact; (3) the clockwork for the forward movement of the roll of coordinate paper and to control the periodic movement of the creeper.
Under ordinary conditions with rest experiments in the chair calorimeter or bed calorimeter, the temperature differences run not far from 2° to 4°. Thus, it is seen that if the apparatus is to meet the conditions of the specifications it must measure differences of 2° C. to within 0.01° C. Provision has also been made to extend the measurement of temperature differences with the apparatus so that a difference of 8° can be measured with the same percentage accuracy.[Pg 38]
The apparatus depends fundamentally upon the perfect balancing of the two sides of a differential electric circuit. A conventional diagram, fig. 19, gives a schematic outline of the connections. The two galvanometer coils, fl and fr, are wound differentially and both coils most carefully balanced so that the two windings have equal temperature coefficients. This is done by inserting a small shunt y, parallel with the coil fl, and thus the temperature coefficient of fl and fr are made absolutely equal. The two thermometers are indicated as T1 and T2 and are inserted in the ingoing and outgoing water respectively. A slide-wire resistance is indicated by J, and r is the resistance for the zero adjustment. Ba, Z, and Z1 are the battery and its variable series resistances. If T1 and T2 are exactly of the same temperature, i. e., if the temperature difference of the ingoing and outcoming water is zero, the sliding contact q stands at 0 on the slide-wire and thus the resistance of the system from 0 through fl, r, and T1 back to the point C is exactly the same as the resistance of the slide-wire J plus the coil fr plus T2 back to the point C. A rise in temperature of T2 gives an increase of resistance in the circuit and the sliding contact q moves along the slide-wire toward J maximum until a balance is obtained.
 Fig. 19.—Diagram of wiring of differential circuit with
its various shunts, used in connection with resistance thermometers on
water-circuit of bed calorimeter.
Fig. 19.—Diagram of wiring of differential circuit with
its various shunts, used in connection with resistance thermometers on
water-circuit of bed calorimeter.
Provision is made for automatically moving the contact q by electrical means and thus the complete balance of the two differential circuits is maintained constant from second to second. As the contact q is moved, it carries with it a stylographic pen which travels in a straight line over a regularly moving roll of coordinate paper, thus producing a permanently recorded curve indicating the temperature differences. The slide-wire J is calibrated so that any inequalities in the temperature coefficient of the thermometer wires are equalized and also so that any unit-length on the slide-wire taken at any point along the temperature scale represents a resistance equal to the resistance change in the thermometer for that particular change in temperature. With the varying conditions to be met with in this apparatus, it is necessary that varying values should be[Pg 39] assigned at times to J and to r. This necessitates the use of shunts, and the recording range of the instrument can be easily varied by simple shunting, i. e., by changing the resistance value of J and r, providing these resistances unshunted have a value which takes care of the highest obtained temperature variations.
Fig. 19 shows the differential circuit complete with all its shunts. S is a fixed shunt to obtain a range on J; S' is a variable shunt to permit very slight variations of J within the range to correct errors due to changing of the initial temperatures of the thermometers; y is a permanent shunt across the galvanometer coil fl, to make the temperature coefficients of fl and fr absolutely equal; Z is the variable resistance in the battery-circuit to keep the current constant; r is a permanent resistance to fix the zero on varying ranges; S'' plus S1 constitutes a variable shunt to permit slight variations of r to finally adjust 0 after S' is fixed and t is a permanent shunt across the thermometer T1 to make the temperature coefficient of T1 equal to that of T2.
The apparatus can be used for measuring temperature differences from 0° to 4° or from 0° to 8°. When on the 0° to 8° range, the shunt S is open-circuited and the shunt S' alone used. The value of S, then, is predetermined so as to affect the value of the wire J and thus halve its influence in maintaining the balance. Similarly, when the lower range, i. e., from 0° to 4°, is used, the resistance r is employed, and when the higher range is used another value to r must be given by using a plug resistance-box, in the use of which the resistance r is doubled.
The resistance S'' and S1 are combined in a slide-wire resistance-box and are used to change the value of the whole apparatus when there are marked changes in the position of the thermometric scale. Thus, if the ingoing water is at 2° C. and the outcoming water at 5° C. in one instance, and in another instance the ingoing water is 13° and the outgoing water is 15°, a slight alteration in the value of S1, and also of S', is necessary in order to have the apparatus draw a curve to represent truly the temperature differences. These slight alterations are determined beforehand by careful tests and the exact value of the resistances in S' and in S1 are permanently recorded for subsequent use.
The galvanometer is of the Deprez-d'Arsonval type and has a particularly powerful magnetic field, in which a double coil swings suspended similar to the marine galvanometer coils. This coil is protected from vibrations by an anti-vibration tube A, fig. 20, and carries a pointer P which acts to select the direction of movement of the recording apparatus, the movable contact point q, fig. 19. In front of this galvanometer coil and inclosed in the same air-tight metal case is the plunger contact Pl, fig. 21. The galvanometer[Pg 40] pointer P swings freely below the silver contacts S1 and S2, just clearing the ivory insulator i. The magnet plunger makes a contact depending upon the adjustment of a clock at intervals of 2 seconds. So long as both galvanometer coils are influenced by exactly the same strength of current, the pointer will stand in line with and immediately below i and no current passes through the recording apparatus. Any disturbance of the electrical equilibrium causes the pointer P to swing either toward S1 or S2, thus completing the circuit at either the right hand or the left hand, at intervals of 2 seconds. The movement of the pointer away from its normal position exactly beneath i to either S1 on the left hand or S2 on the right, results from an inequality in the current flowing through the two coils in the galvanometer. The difference in the two currents passing through these coils is caused by a change in temperatures of the two thermometers in the water circuit.
 Fig. 20.—Diagram of galvanometer coil used in connection
with recording apparatus for resistance thermometers in the
water-circuit of bed calorimeter. A, anti-vibration tube; P, pointer.
Fig. 20.—Diagram of galvanometer coil used in connection
with recording apparatus for resistance thermometers in the
water-circuit of bed calorimeter. A, anti-vibration tube; P, pointer.
The movement of the sliding-contact q, fig. 19, along the slide-wire J, is produced by means of a special device called a creeper, consisting of a piece of brass carefully fitted to a threaded steel rod some 30 centimeters long. The movement of this bar along this threaded rod accomplishes two things.[Pg 41] The bar is in contact with the slide-wire J and therefore varies the position of the point q and it also carries with it a stylographic pen. The movements of this bar to the right or the left are produced by an auxiliary electric current, the contact of which is made by a plunger-plate forcing the pointer P against either S1 or S2. P makes the contact between Pl and either S1 or S2 and sends a current through solenoids at either the right or the left of the creeper. At intervals of every 2 seconds the plunger rises and forces the pointer P against either S1, i, or S2 above. The movement of this plunger is controlled by a current from a 110-volt circuit, the connections of which are shown in fig. 22. If the contact is made at T, the current passes through 2,600 ohms, directly across the 110-volt circuit, and consequently there is no effective current flowing through the plunger Pl. When the contact T is open, the current flows through the plunger in series with 2,600 ohms resistance. T is opened automatically at intervals of 2 seconds by the clock.
 Fig. 21.—Diagram of wiring of circuits actuating plunger
and creeper.
Fig. 21.—Diagram of wiring of circuits actuating plunger
and creeper.
 Fig. 22.—Diagram of wiring of complete 110-volt
circuit.
Fig. 22.—Diagram of wiring of complete 110-volt
circuit.
The movement of the contact arm along the threaded rod is produced by the action of either one of two solenoids, each of which has a core attached to a rack and pinion at either end of the rod. If the current is passed through the contact S1, a current passes through the left-hand solenoid, the core moves down, the rack on the core moves the pinion on the rod through a definite fraction of a complete revolution and this movement forces the creeper in one direction. Conversely, the passing of the current through the solenoid at the other end of the threaded rod moves the creeper in the other direction. The distance which the iron rack on the end of the core is moved is determined carefully, so that the threaded rod is turned for each contact exactly the same fraction of a revolution. For actuating these solenoids, the 110-volt circuit is again used. The wire connections are shown in part in fig. 21, in which it is seen that the current passes through the plunger-contact and through the pointer P to the silver plate S1 and [Pg 42]then along the line G1 through 350 ohms wound about the left-hand solenoid back through a 600-ohm resistance to the main line. The use of the 110-volt current under such circumstances would normally produce a notable sparking effect on the pointer P, and to reduce this to a minimum there is a high resistance, amounting to 10,000 ohms on each side, shunted between the main line and the creeper connections. This shunt is shown in diagram in fig. 22. Thus there is never a complete open circuit and sparking is prevented.
The clock requires winding every week and is so geared as to move the paper forward at a rate of 3 inches per hour. The contact-point for opening the circuit T on fig. 22 is likewise connected with one of the smaller wheels of the clock. This contact is made by tripping a little lever by means of a toothed wheel of phosphor-bronze.
 Fig. 23
Fig. 23 Fig. 24.—Detailed wiring diagram showing all parts of
recording apparatus, together with wiring to thermometers complete,
including all previous figures.
Fig. 24.—Detailed wiring diagram showing all parts of
recording apparatus, together with wiring to thermometers complete,
including all previous figures.
The whole apparatus is permanently and substantially installed on the north wall of the calorimeter laboratory. A photograph showing the various parts and their installation is given in fig. 23. On the top shelf is seen the galvanometer and on the lower shelf the recorder with its glass door in front and the coordinate paper dropping into the box below. The curve drawn on the coordinate paper is clearly shown. Above the recorder are the resistance-boxes, three in number, the lower one at the left being the resistance S1, the upper one at the left being the resistance S', and the upper one at the right being the resistance Z1. Immediately above the resistance-box Z1 is shown the plug resistance-box which controls on the one hand the resistance r and on the other hand the resistance S, both of which are substantially altered when changing the apparatus to register from the 0° to 4° scale to the 0° to 8° scale. A detailed wiring diagram is given in fig. 24.
 Fig. 25.—Section of calorimeter walls and part of
ventilating air-circuit, showing part of pipes for ingoing air and
outgoing air. On the ingoing air-pipe at the right is the lamp for
heating the ingoing air. Just above it, H is the quick-throw valve for
shutting off the tension equalizer IJ. I is the copper portion of the
tension equalizer, while J is the rubber diaphragm; K, the pet-cock for
admitting oxygen; F, E, G, the lead pipe conducting the cold water for
the ingoing air; and C, the hair-felt insulation. N, N are brass ferules
soldered into the copper and zinc walls through which air-pipes pass; M,
a rubber stopper for insulating the air-pipe from the calorimeter; O,
the thermal junctions for indicating differences of temperature of
ingoing and outgoing air and U, the connection to the outside; QQ, exits
for the air-pipes from the box in which thermal junctions are placed; P,
the dividing plate separating the ingoing and outgoing air; R, the
section of piping conducting the air inside the calorimeter; S, a
section of piping through which the air passes from the calorimeter; A,
a section of the copper wall; Y, a bolt fastening the copper wall to the
2-1/2 inch angle W; B, a portion of zinc wall; C, hair-felt lining of
asbestos wall D; T-J, a thermal junction in the walls.
Fig. 25.—Section of calorimeter walls and part of
ventilating air-circuit, showing part of pipes for ingoing air and
outgoing air. On the ingoing air-pipe at the right is the lamp for
heating the ingoing air. Just above it, H is the quick-throw valve for
shutting off the tension equalizer IJ. I is the copper portion of the
tension equalizer, while J is the rubber diaphragm; K, the pet-cock for
admitting oxygen; F, E, G, the lead pipe conducting the cold water for
the ingoing air; and C, the hair-felt insulation. N, N are brass ferules
soldered into the copper and zinc walls through which air-pipes pass; M,
a rubber stopper for insulating the air-pipe from the calorimeter; O,
the thermal junctions for indicating differences of temperature of
ingoing and outgoing air and U, the connection to the outside; QQ, exits
for the air-pipes from the box in which thermal junctions are placed; P,
the dividing plate separating the ingoing and outgoing air; R, the
section of piping conducting the air inside the calorimeter; S, a
section of piping through which the air passes from the calorimeter; A,
a section of the copper wall; Y, a bolt fastening the copper wall to the
2-1/2 inch angle W; B, a portion of zinc wall; C, hair-felt lining of
asbestos wall D; T-J, a thermal junction in the walls.
In passing the current of air through the calorimeter, temperature conditions may easily be such that the air entering is warmer than the outcoming air, in which case heat will be imparted to the calorimeter, or the reverse conditions may obtain and then heat will be brought away. To avoid this difficulty, arrangements are made for arbitrarily controlling the temperature of the air as it enters the calorimeter. This temperature control is based upon the fact that the air leaving the chamber is caused to pass over the ends of a series of thermal junctions shown as O in fig. 25. These thermal junctions have one terminal in the outgoing air and the other in the ingoing air, and consequently any difference in the temperature of the two air-currents is instantly detected by connecting the circuit with the galvanometer. Formerly the temperature control was made a varying one, by providing for either cooling or heating the ingoing air as the situation called for. The heating was done by passing the current through an[Pg 44] electric lamp placed in the cross immediately below the tension equalizer J. Cooling was effected by means of a current of water through the lead pipe E closely wrapped around the air-pipe, water entering at F and leaving at G. This lead pipe is insulated by hair-felt pipe-covering, C. More recently, we have adopted the procedure of passing a continuous current of water, usually at a very slow rate, through the lead pipe E and always heating the air somewhat by means of the lamp, the exact temperature control being obtained by varying the heating effect of the lamp itself. This has been found much more satisfactory than by alternating from the cooling system to the heating system. In the case of the air-current, however, it is unnecessary to have the drop-sight feed-valve as used for the wall control, shown in fig. 13.
During experiments with man not all the heat leaves the body by radiation and conduction, since a part is required to vaporize the water from the skin and lungs. An accurate measurement of the heat production by man therefore required a knowledge of the amount of heat thus vaporized. One of the great difficulties in the numerous forms of calorimeters that have been used heretofore with man is that only that portion of heat measured by direct radiation or conduction has been measured and the difficulties attending the determination of water vaporized have vitiated correspondingly the estimates of the heat production. Fortunately, with this apparatus the determinations of water are very exact, and since the amount of water vaporized inside the chamber is known it is possible to compute the heat required to vaporize this water by knowing the heat of vaporization of water.
Since the earlier reports describing the first form of calorimeters were written, there has appeared a research by one of our former associates, Dr. A. W. Smith[11] who, recognizing the importance of knowing exactly the heat of vaporization of water at 20°, has made this a special object of investigation. When connected with our laboratory a number of experiments were made by Doctors Smith and Benedict in an attempt to determine the heat of vaporization of water directly in a large calorimeter; but for lack of time and pressure of other experimental work it was impossible to complete the investigation. Subsequently Dr. Smith has carried out the experiments with the accuracy of exact physical measurements and has given us a very valuable series of observations.
Using the method of expressing the heat of vaporization in electrical units, Smith concludes that the heat of vaporization of water between 14° and 40° is given by the formula
L (in joules) = 2502.5 - 2.43T
[Pg 45]and states that the "probable error" of values computed from this formula is 0.5 joule. The results are expressed in international joules, that is, in terms of the international ohm and 1.43400 for the E.M.F. of the Clark cell at 15° C., and assuming that the mean calorie is equivalent to 4.1877 international joules,[12] the formula reads
L (in mean calories) = 597.44 - 0.580T
With this formula Smith calculates that at 15° the heat of vaporization of water is equal to 588.73 calories; at 20°, 585.84 calories; at 25°, 582.93 calories; at 30°, 580.04 calories;[13] and at 35°, 577.12 calories. In all of the calculations in the researches herewith we have used the value found by Smith as 586 calories at 20°. Inasmuch as all of our records are in kilo-calories, we multiply the weight of water by the factor 0.586 to obtain the heat of vaporization.
The chair calorimeter was designed for experiments to last not more than 6 to 8 hours, as a person can not remain comfortably seated in a chair much longer than this time. For longer experiments (experiments during the night and particularly for bed-ridden patients) a type of calorimeter which permits the introduction of a couch or bed has been devised. This calorimeter has been built, tested, and used in a number of experiments with men and women. The general shape of the chamber is given in fig. 26. The principles involved in the construction of the chair calorimeter are here applied, i. e., the use of a structural-steel framework, inner air-tight copper lining, outer zinc wall, hair-felt insulation, and outer asbestos panels. Inside of the chamber there is a heat-absorbing system suspended from the ceiling, and air thermometers and thermometers for the copper wall are installed at several points. The food-aperture is of the same general type and the furniture here consists simply of a sliding frame upon which is placed an air-mattress. The opening is at the front end of the calorimeter and is closed by two pieces of plate glass, each well sealed into place by wax after the subject has been placed inside of the chamber. Tubes through the wall opposite the food-aperture are used for the introduction of electrical connections, ingoing and outgoing water, the air-pipes, and connections for the stethoscope, pneumograph, and telephone.
The apparatus rests on four heavy iron legs. Two pieces of channel iron are attached to these legs and the structural framework of the calorimeter chamber rests upon these irons. The method of separating the asbestos outer panels is shown in the diagram. In order to provide light for the[Pg 46] chamber, the outer wall in front of the glass windows is made of glass rather than asbestos. The front section of the outer casing can be removed easily for the introduction of a patient.
In this chamber it is impossible to weigh the bed and clothing, and hence this calorimeter can not be used for the accurate determination of the moisture vaporized from the lungs and skin of the subject, since here (as in almost every form of respiration chamber) it is absolutely impossible to distinguish between the amount of water vaporized from bed-clothing and that vaporized from the lungs and skin of the subject. With the chair calorimeter, the weighing arrangements make it possible to weigh the chair, clothing, etc., and thus apportion the total water vaporized between losses from the chair, furniture, and body of the man. In view of the fact that the water vaporized from the skin and lungs could not be determined, the whole interior of the chamber of the bed calorimeter has been coated with a white enamel paint, which gives it a bright appearance and makes it much more attractive to new patients. An incandescent light placed above the head at the front illuminates the chamber very well, and as a matter of fact the food-aperture is so placed that one can lie on the cot and actually look outdoors through one of the laboratory windows.
 Fig. 26.—Cross-section of bed calorimeter, showing part
of steel construction, also copper and zinc walls, food-aperture, and
wall and air-resistance thermometers. Cross-section of opening,
cross-section of panels of insulating asbestos, and supports of
calorimeter itself are also indicated.
Fig. 26.—Cross-section of bed calorimeter, showing part
of steel construction, also copper and zinc walls, food-aperture, and
wall and air-resistance thermometers. Cross-section of opening,
cross-section of panels of insulating asbestos, and supports of
calorimeter itself are also indicated.
Special precaution was taken with this calorimeter to make it as comfortable and as attractive as possible to new and possibly apprehensive patients. The painting of the walls unquestionably results in a condensation of more or less moisture, for the paint certainly absorbs more moisture[Pg 47] than does the metallic surface of the copper. The chief value of the determination of the water vaporized inside of the chamber during an experiment lies, however, not in a study of the vaporization of water as such, but in the fact that a certain amount of heat is required to vaporize the water and obviously an accurate measure of the heat production must involve a measure of the amount of water vaporized. So far as the measurement of heat is concerned, it is immaterial whether the water is vaporized from the lungs or skin of the subject or the clothing, bedding, or walls of the chamber; since for every gram of water vaporized inside of the chamber, from whatever source, 0.586 calorie of heat must have been absorbed.
The apparatus as perfected is very sensitive. The sojourn in the chamber is not uncomfortable; as a matter of fact, in an experiment made during January, 1909, the subject remained inside of the chamber for 30 hours. With male patients no difficulty is experienced in collecting the urine. No provision is made for defecation, and hence it is our custom in long experiments to empty the lower bowel with an enema and thus defer as long as possible the necessity for defecation. With none of the experiments thus far made have we experienced any difficulty in having to remove the patient because of necessity to defecate in the cramped quarters. It is highly probable that, with the majority of sick patients, experiments will not extend for more than 8 or 10 hours, and consequently the apparatus as designed should furnish most satisfactory results.
In testing the apparatus by the electrical-check method, it has been found to be extremely accurate. When the test has been made with burning alcohol, as described beyond, it has been found that the large amount of moisture apparently retained by the white enamel paint on the walls vitiates the determination of water for several hours after the experiment begins, and only after several hours of continuous ventilating is the moisture content of the air brought down to a low enough point to establish equilibrium between the moisture condensed on the surface and the moisture in the air and thus have the measured amount of moisture in the sulphuric acid vessels equal the amount of moisture formed by the burning of alcohol. Hence in practically all of the alcohol-check experiments, especially of short duration, with this calorimeter, the values for water are invariably somewhat too high. A comparison of the alcohol-check experiments made with the bed and chair calorimeters gives an interesting light upon the power of paint to absorb moisture and emphasizes again the necessity of avoiding the use of material of a hygroscopic nature in the interior of an apparatus in which accurate moisture determinations from the body are to be made.
The details of the bed calorimeter are better shown in fig. 4. The opening at the front is here removed and the wooden track upon which the frame, supporting the cot, slides is clearly shown. The tension equalizer[Pg 48] (see page 71) partly distended is shown connected to the ingoing air-pipe, and on the top of the calorimeter connected to the tension equalizer is a Sondén manometer. On the floor at the right is seen the resistance coil used for electrical tests (see page 50). A number of connections inside the chamber at the left are made with electric wires or with rubber tubing. Of the five connections appearing through the opening, reading from left to right, we have, first, the rubber connection with the pneumograph, then the tubing for connection with the stethoscope, then the electric-resistance thermometer, the telephone, and finally a push button for bell call. The connections for the pneumograph and stethoscope are made with the instruments outside on the table at the left of the bed calorimeter.
While it is possible to control arbitrarily the temperature of the calorimeter by increasing or decreasing the amount of heat brought away, and thus compensate exactly for the heat eliminated by the subject, the hydrothermal equivalent of the system itself being about 20 calories—on the other hand the body of the subject may undergo marked changes in temperature and thus influence the measurement of the heat production to a noticeable degree; for if heat is lost from the body by a fall of body-temperature or stored as indicated by a rise in temperature, obviously the heat produced during the given period will not equal that eliminated and measured by the water-current and by the latent heat of water vaporized. In order to make accurate measurements, therefore, of the heat-production as distinguished from the heat elimination, we should know with great accuracy the hydrothermal equivalent of the body and changes in body temperature. The most satisfactory method at present known of determining the hydrothermal equivalent of the body is to assume the specific heat of the body as 0.83.[14] This factor will of course vary considerably with the weight of body material and the proportion of fat, water, and muscular tissue present therein, but for general purposes nothing better can at present be employed. From the weight of the subject and this factor the hydrothermal equivalent of the body can be calculated. It remains to determine, then, with great exactness the body temperature.
Recognizing early the importance of securing accurate body-temperatures in researches of this kind, a number of investigations were made and published elsewhere[15] regarding the body-temperature in connection with the[Pg 49] experiments with the respiration calorimeter. It was soon found that the ordinary mercurial clinical thermometer was not best suited for the most accurate observations of body-temperature and a special type of thermometer employing the electrical-resistance method was used. In many of the experiments, however, it is impracticable with new subjects to complicate the experiment by asking them to insert the electrical rectal thermometer, and hence we have been obliged to resort to the usual clinical thermometer with temperatures taken in the mouth, although in a few instances they have been taken in the axilla and the rectum. For the best results the electrical rectal thermometer is used. This apparatus permits a continuous measurement of body temperature, deep in the rectum, unknown to the subject and for an indefinite period of time, it being necessary to remove the thermometer only for defecation.
As a result of these observations it was soon found that the body temperature was not constant from hour to hour, but fluctuated considerably and underwent more or less regular rhythm with the minimum between 3 and 5 o'clock in the morning and the maximum about 5 o'clock in the afternoon. In a number of experiments where the mercurial thermometer was used under the tongue and observations thus taken compared with records with the resistance thermometer, it was found that with careful manipulation and avoiding muscular activity, mouth breathing, and the drinking of hot or cold liquid, a fairly uniform agreement between the two could be obtained. Such comparisons made on laboratory assistants can not be duplicated with the ordinary subject.
It is assumed that fluctuations in temperature measured by the rectal thermometer likewise hold true for the average temperature of the whole body, but evidence on this point is unfortunately not as complete as is desirable. In an earlier report of investigations of this nature, a few experiments on comparison of measurements of resistance thermometer deep in the rectum and in a well-closed axilla showed a distinct tendency for the curves to continue parallel. A research is very much needed at present on a topographical distribution of body temperature, and particularly on the course of the fluctuations in different parts of the body. A series of electric-resistance thermometers placed at different points in the colon, at different points in a stomach tube, in the well-closed axilla, possibly attached to the surface of the body, and in women in the vagina, should give a very accurate picture of the distribution of the body-temperature and likewise indicate the proportionality of the fluctuations in different parts of the body. Until such a research is completed, however, it is necessary to assume that fluctuations in body-temperature as measured by the electric rectal thermometer are a true measure of the average body-temperature of the whole body. Indeed it is upon this assumption that it is necessary for us to make corrections for heat lost from or stored in the body. It is our custom,[Pg 50] therefore, to compute the hydrothermal equivalent by multiplying the body-weight by the specific heat of the body, commonly assumed as 0.83, and then to make allowance for fluctuations in body-temperature.
When it is considered that with a subject having a weight of 70 kilos a difference in temperature of 1° C. will make a difference in the measurement of heat of some 60 calories, it is readily seen that the importance of knowing the exact body-temperature can not be overestimated; indeed, the whole problem of the comparison of the direct and indirect calorimetry hinges more or less upon this very point, and it is strongly to be hoped that ere long the much-needed observations on body-temperature can be made.
After providing a suitable apparatus for bringing away the heat generated inside the chamber and for preventing the loss of heat by maintaining the walls adiabatic, it is still necessary to demonstrate the ability of the calorimeter to measure known amounts of heat accurately. In order to do this we pass a current of electricity of known voltage through a resistance coil and thus develop heat inside the respiration chamber. While, undoubtedly, the use of a standard resistance and potentiometer is the most accurate method for measuring currents of this nature, thus far we have based our experiments upon the measurements made with extremely accurate Weston portable voltmeter and mil-ammeters. Thanks to the kindness of one of our former co-workers, Mr. S. C. Dinsmore, at present associated with the Weston Electrical Instrument Company, we have been able to obtain two especially exact instruments. The mil-ammeter is so adjusted as to give a maximum current of 1.5 amperes and the voltmeter reads from zero to 150 volts. The direct current furnished the building is caused to pass through a variable resistance for adjusting minor variations in voltage and then through the mil-ammeter into a manganin resistance-coil inside the chamber, having a resistance of 84.2 ohms. Two leads from the terminals of the manganin coil connect with the voltmeter outside the chamber, and hence the drop in potential can be measured very accurately and as frequently as is desired. The current furnished the building is remarkably steady, but for the more accurate experiments a small degree of hand regulation is necessary.
The advantage of the electrical method of controlling the apparatus is that the measurements can be made very accurately, rapidly, and in short periods. In making experiments of this nature it is our custom first to place the resistance-coil in the calorimeter and make the connections. The current is then passed through the coil, and simultaneously the water is started flowing through the heat-absorbing system and the whole calorimeter is adjusted in temperature equilibrium as soon as possible. When the temperature of the air and walls is constant and the thermal-junction[Pg 51] system in equilibrium, the exact time is noted and the water-current deflected into the meter. At the end of one hour, the usual length of a period, the water-current is deflected from the meter, the meter is weighed, and the average temperature-difference of the water obtained by averaging the results of all the temperature differences noted during the hour. Usually during an experiment of this nature, records of the water-temperatures are made every 4 minutes; occasionally, when the fluctuations are somewhat greater than usual, records are made every 2 minutes.
The calculation of the heat developed in the apparatus is made by means of the formula C × E × t × 0.2385 = calories, in which C equals the current in amperes, E the electromotive force, and t the time in seconds. This gives the heat expressed in calories at 15° C. This procedure we have followed as a result of the recommendation of Dr. E. B. Rosa, of the National Bureau of Standards. In order to convert the values to 20°, the unit commonly employed in calorimetric work, it has been necessary to multiply by the ratio of the specific heat of water at 15° to that of water at 20°. Assuming the specific heat of water at 20° to be 1, the specific heat at 15° is 1.001.[16]
Of the many electrical check-tests made with this type of apparatus, but one need be given here, pending a special treatment of the method of control of the calorimeter in a forthcoming publication. An electrical check-experiment with the chair calorimeter was made on January 4, 1909, and continued 6 hours. The voltmeter and mil-ammeter were read every few minutes, the water collected in the water-meter, carefully weighed, and the temperature differences as measured on the two mercury thermometers were recorded every 4 minutes.
The heat developed during the experiment may be calculated from the data as follows: Average current = 1.293 amperes; average E. M. F. = 109.15 volts; time = 21,600 seconds; factor used to convert watt-seconds to calories = 0.2385. (1.293 × 109.15 × 21600 × 0.2385) × 1.001 = 727.8 calories produced.
During the 6 hours 237.63 kilograms of water passed through the absorbing system.
The average temperature rise was 3.04° C., the total heat brought away was therefore (237.63 × 3.04) × 1.0024[17] = 724.1 calories.
Thus in 6 hours there were about 3.7 calories more heat developed inside the apparatus than were measured by the water-current, a discrepancy of about 0.5 per cent.
Under ideal conditions of manipulation, the withdrawal of heat from the calorimeter should be at just such a rate as to exactly compensate for the heat developed by the resistance-coil. Under these conditions, then, there would be no heat abstracted from nor stored by the calorimeter and its temperature should remain constant throughout the whole experiment. Practically this is very difficult to accomplish and there are minor fluctuations in temperature above and below the initial temperature during a long experiment and, indeed, during a short experimental period. If a certain amount of heat has been stored up in the calorimeter chamber or has been abstracted from it, there should be corrections made for the variations in the temperature of the chamber. Such corrections are impossible unless a proper determination of the hydrothermal equivalent has been made. A number of experiments to determine this hydrothermal equivalent have been made and the results are recorded beyond, together with a discussion of the nature of the experiments. As a result of these experiments it has been possible to make correction for the slight temperature changes in the calorimeter.
It is interesting to note that these fluctuations are small and there may therefore be a considerable error in the determination of the hydrothermal equivalent without particularly affecting the corrections applied in the ordinary electrical check-test. The greatest difficulty experienced with the calorimeter as a means of measuring heat has been to secure the average temperature of the ingoing water. The temperature difference between the mass of water flowing through the pipes and the outer wall of the pipe is at best considerable. The use of the vacuum-jacketed glass tubes has minimized the loss of heat through this tube considerably, but it is advisable that the bulb of the thermometer be placed exactly in the center of the water-tube, as otherwise too high a temperature-reading will be secured. When the proper precautions are taken to secure the correct temperature-reading, the results are most satisfactory.
In testing both calorimeters a large number of electrical check experiments have led to the conclusion that discrepancies in results were invariably due, not to the loss of heat through the walls of the calorimeter, but to erroneous measurement of the temperature of the water-current.
While the temperature control of the calorimeter is such that in general the average temperature varies but a few hundredths of a degree between the beginning and the end of an experimental period, in extremely accurate work it is necessary to know the amount of heat which is absorbed with any increase in temperature. In other words, the determination of the hydrothermal equivalent is essential.[Pg 53]
The large majority of the methods for determining the hydrothermal equivalent of materials are at once eliminated when the nature of the calorimeter here used is taken into consideration. Obviously, in warming up the chamber there are two sources of heat: first, the heat inside of the chamber; second, the heat in the outer walls. As has been previously described, the zinc wall is arbitrarily heated so that its temperature fluctuations will follow exactly those of the inner wall, hence it is impossible to compute from the weight of the metal the hydrothermal equivalent. By means of the electrical check experiments, however, a method for determining the hydrothermal equivalent is at hand. The general scheme is as follows.
During an electrical check experiment, when thermal equilibrium has been thoroughly established and the heat brought away by the water-current exactly counterbalances the heat generated in the resistance-coil inside the chamber, the temperature of the calorimeter is allowed to rise slowly by raising the temperature of the ingoing water and thus bringing away less heat. At the same time the utmost pains are taken to maintain the adiabatic condition of the metal walls. Since the temperature is rising during this period, it is necessary to warm the air in the outer spaces by the electric current. By this method it is possible to raise the temperature of the calorimeter 1 degree or more in 2 hours and establish thermal equilibrium at the higher level. The experiment is then continued for 2 hours at this level, and the next 2 hours the temperature is gradually allowed to fall by lowering the temperature of the ingoing water so that more heat is brought away than is generated, care being taken likewise to keep the walls adiabatic. Under these conditions the heat brought away by the water-current during the period of rising temperature is considerably less than that actually developed by the electric current and the difference represents the amount of heat absorbed by the calorimeter in the period of the temperature rise. Conversely, during the period when the temperature is falling, there is a considerable increase in the amount of heat brought away by the water-current over that generated in the resistance-coil and the difference represents exactly the amount of heat given up by the calorimeter during the fall in temperature. It is thus possible to measure the capacity of the calorimeter for absorbing heat during a rise in temperature and the amount of heat lost by it during cooling. A number of such experiments have been made with both calorimeters and it has been found that the hydrothermal equivalent of the bed calorimeter is not far from 21 kilograms. For the chair calorimeter a somewhat lower figure has been found, i. e., 19.5 kilograms.[Pg 54]
This apparatus is designed much after the principle of the Regnault-Reiset apparatus, in that there is a confined volume of air in which the subject lives and which is purified by its passage through vessels containing absorbents for water and carbon dioxide. Fresh oxygen is added to this current of air and it is then returned to the chamber to be respired. This principle, in order to be accurate for oxygen determinations, necessitates an absolutely air-tight system and consequently special precautions have been taken in the construction of the chamber and accessories.
As already suggested, the walls are constructed of the largest possible sheets of copper with a minimum number of seams and opportunities for leakage. In testing the apparatus for leaks, the greatest precaution is taken. A small air-pressure is applied and the variations in height of a delicate manometer noted. In cases of apparent leakage, all possible sources of leak are gone over with soapsuds when there is a slight pressure on the chamber. As a last resort, which has ultimately proven to be the best method of testing, an assistant goes inside of the chamber, it is then hermetically sealed, and a slight diminished pressure is produced. Ether is then poured about the walls of the chamber and the odor of ether soon becomes apparent inside of the chamber if there is a leakage. Many leaks that could not be found by soapsuds can be readily detected by this method.
The special features of the respiration chamber are the ventilating-pipe system and openings for supplementary apparatus for absorption of water and carbon dioxide. The air entering the chamber is absolutely dry and is directed into the top of the chamber immediately above the head of the subject. The moisture given off from the lungs and skin and the expired gases all tend to mix readily with this dry air as it descends, and the final mixture of gases is withdrawn through an opening near the bottom of the chamber at the front. Under these conditions, therefore, we believe we have a maximum intermingling of the gases. However, even with this system of ventilation, we do not feel that there is theoretically the best mixture of gases, and an electric fan is used inside of the chamber. In experiments where there is considerable regularity in the carbon-dioxide production and oxygen consumption, the system very quickly attains a state of equilibrium, and while the analysis of the outcoming air does not necessarily represent fairly the actual composition of the air inside of the chamber, it evidently represents to the same degree from hour to hour the state of equilibrium that is usually maintained through the whole of a 6-hour experiment.[Pg 55]
The interior of the chamber and all appliances are constructed of metal except the chair in which the subject sits. This is of hard wood, well shellacked, and consequently non-porous. With this calorimeter it is desired to make studies regarding the moisture elimination, and consequently it is necessary to avoid the use of all material of a hygroscopic nature. Although the chair can be weighed from time to time with great accuracy and its changes in weight obtained, it is obviously impossible, in any type of experiment thus far made, to differentiate between the water vaporized from the lungs and skin of the man and that from his clothes. Subsequent experiments with a metal chair, with minimum clothing, with cloth of different textures, without clothing, with an oiled skin, and various other modifications affecting the vaporization of water from the body of the man will doubtless throw more definite light upon the question of the water elimination through the skin. At present, however, we resort to the use of a wooden chair, relying upon its changes in weight as noted by the balance to aid us in apportioning the water vaporized between the man and his clothing and the chair.
The walls of the chamber are semi-rigid. Owing to the calorimetric features of this apparatus, it is impracticable to use heavy boiler-plate or heavy metal walls, as the sluggishness of the changes in temperature, the mass of metal, and its relatively large hydrothermal equivalent would interfere seriously with the sensitiveness of the apparatus as a calorimeter. Hence we use copper walls, with a fair degree of rigidity, attached to a substantial structural-steel support; and for all practical purposes the apparatus can be considered as of constant volume. Particularly is this the case when it is considered that the pressure inside of the chamber during an experiment never varies from the atmospheric pressure by more than a few millimeters of water. It is possible, therefore, from the measurements of this chamber, to compute with considerable accuracy the absolute volume. The apparent volume has been calculated to be 1,347 liters.
In order to communicate with the interior of the chamber, maintain a ventilating air-current, and provide for the passage of the current of water for the heat-absorber system and the large number of electrical connections, a number of openings through the walls of the chamber were necessary. The great importance of maintaining this chamber absolutely air-tight renders it necessary to minimize the number of these openings, to reduce their size as much as possible, and to take extra precaution in securing their closure during an experiment. The largest opening is obviously the trap-door at the top through which the subject enters, shown in dotted outline in fig. 7. While somewhat inconvenient to enter the chamber in this way, the entrance from above possesses many advantages. It is readily[Pg 56] closed and sealed by hot wax and rarely is a leakage experienced. The trap-door is constructed on precisely the same plan as the rest of the calorimeter, having its double walls of copper and zinc, its thermal-junction system, its heating wires and connections, and its cooling pipes. When closed and sealed, and the connections made with the cooling pipes and heating wires, it presents an appearance not differing from any other portion of the calorimeter.
The next largest opening is the food-aperture, which is a large sheet-copper tube, somewhat flattened, thus giving a slightly oval form, closed with a port, such as is used on vessels. The door of the port consists of a heavy brass frame with a heavy glass window and it can be closed tightly by means of a rubber gasket and two thumbscrews. On the outside is used a similar port provided with a tube somewhat larger in diameter than that connected with the inner port. The annular space between these tubes is filled with a pneumatic gasket which can be inflated and thus a tight closure may be maintained. When one door is closed and the other opened, articles can be placed in and taken out of the chamber without the passage of a material amount of air from the chamber to the room outside or into the chamber from outside.
The air-pipes passing through the wall of the calorimeter are of standard 1-inch piping. The insulation from the copper wall is made by a rubber stopper through which this piping is passed, the stopper being crowded into a brass ferule which is stoutly soldered to the copper wall. This is shown in detail in fig. 25, in which N is the brass ferule and M the rubber stopper through which the air-pipe passes. The closure is absolutely air-tight and a minimum amount of heat is conducted out of the chamber, owing to the insulation of the rubber stopper M. The water-current enters and leaves the chamber through two pipes insulated in two similar brass ferules soldered to the copper and zinc walls. The insulation between the water-pipe and the brass ferule has been the subject of much experimenting and is discussed on page 24. The best insulation was secured by a vacuum-jacketed glass tube, although the special hard-rubber tubes surrounding the electric-resistance thermometers have proven very effective as insulators in the bed calorimeter.
A series of small brass tubes, from 10 to 15 millimeters in diameter, are soldered into the copper wall in the vicinity of the water-pipes. These are used for electrical connections and for connections with the manometer, stethoscope, and pneumograph. All of these openings are tested carefully and shown to be absolutely air-tight before being put in use.
In the dome of the calorimeter, and directly over the head of the subject, is the opening for the weighing apparatus. This consists of a hard-rubber tube, threaded at one end and screwed into a brass flange heavily soldered to the copper wall (fig. 9). When not in use, a solid rubber stopper on a[Pg 57] brass rod is drawn into this opening, thus producing an air-tight closure. When in actual use during the process of weighing, a thin rubber diaphragm prevents leakage of air through this opening. The escape of heat through the weighing-tube is minimized by having this tube of hard rubber.
 Fig. 27.—Diagram of ventilation of respiration
calorimeter. The air is taken out at lower right-hand corner and forced
by the blower through the apparatus for absorbing water and carbon
dioxide. It returns to the calorimeter at the top. Oxygen can be
introduced into the chamber itself as need is shown by the tension
equalizer.
Fig. 27.—Diagram of ventilation of respiration
calorimeter. The air is taken out at lower right-hand corner and forced
by the blower through the apparatus for absorbing water and carbon
dioxide. It returns to the calorimeter at the top. Oxygen can be
introduced into the chamber itself as need is shown by the tension
equalizer.
The ventilating air-current is so adjusted that the air which leaves the chamber is caused to pass through purifiers, where the water-vapor and the carbon dioxide are removed, and then, after being replenished with fresh oxygen, it is returned to the chamber ready for use. The general scheme of the respiration apparatus is shown in fig. 27. The air leaving the chamber contains carbon dioxide and water-vapor and the original amount of nitrogen and is somewhat deficient in oxygen. In order to purify the air it must be passed through absorbents for carbonic acid and water-vapor and hence some pressure is necessary to force the gas through these purifying vessels. This pressure is obtained by a small positive rotary blower, which has been described previously in detail.[18] The air is thus forced successively through sulphuric acid, soda or potash-lime, and again sulphuric acid. Finally it is directed back to the respiration chamber free from carbon dioxide and water and deficient in oxygen. Pure oxygen is admitted to the chamber to make up the deficiency, and the air thus regenerated is breathed again by the subject.
The rotary blower used in these experiments for maintaining the ventilating current of air has given the greatest satisfaction. It is a so-called[Pg 58] positive blower and capable of producing at the outlet considerable pressure and at the inlet a vacuum of several inches of mercury. At a speed of 230 revolutions per minute it delivers the air at a pressure of 43 millimeters of mercury, forcing it through the purifying vessels at the rate of 75 liters per minute. This rate of ventilation has been established as being satisfactory for all experiments and is constant. Under the pressure of 43 millimeters of mercury there are possibilities of leakage of air from the blower connections and hence, to note this immediately, the blower system is immersed in a tank filled with heavy lubricating oil. The connections are so well made, however, that leakage rarely occurs, and, when it does, a slight tightening of the stuffing-box on the shaft makes the apparatus tight again.
To absorb 25 to 40 grams of water-vapor in an hour from a current of air moving at the rate of 75 liters per minute and leaving the air essentially dry under these conditions has been met by the apparatus herewith described. The earlier attempts to secure this result involved the use of enameled-iron soup-stock pots, fitted with special enameled-iron covers and closed with rubber gaskets. For the preliminary experimenting and for a few experiments with man these proved satisfactory, but in spite of their resistance to the action of sulphuric acid, it was found that they were not as desirable as they should be for continued experimenting from year to year. Recourse was then had to a special form of chemical pottery, glazed, and a type that usually gives excellent satisfaction in manufacturing concerns was used.
This special form of absorbers presented many difficulties in construction, but the mechanical difficulties were overcome by the potter's skill and a number of such vessels were furnished by the Charles Graham Chemical Pottery Works. Here again these vessels served our purpose for several months, but unfortunately the glaze used did not suffice to cover them completely and there was a slight, though persistent, leakage of sulphuric acid through the porous walls. To overcome this difficulty the interior of the vessels was coated with hot paraffin after a long-continued washing to remove the acid and after they had been allowed to dry thoroughly. The paraffin-treated absorbers continued to give satisfaction, but it was soon seen that for permanent use something more satisfactory must be had. After innumerable trials with glazed vessels of different kinds of pottery and glass, arrangements were made with the Royal Berlin Porcelain Works to mold and make these absorbers out of their highly resistant porcelain. The result thus far leaves nothing to be desired as a vessel for this purpose. A number of such absorbers were made and have been constantly used for a year and are absolutely without criticism.[Pg 59]
Fig. 28 shows the nature of the interior of the apparatus. The air enters through one opening at the top, passes down through a bent pipe, and enters a series of roses, consisting of inverted circular saucers with holes in the rims. The position of the holes is such that when the vessel is one-fourth to one-third full of sulphuric acid the air must pass through the acid three times. To prevent spattering, a small cup-shaped arrangement, provided with holes, is attached to the opening through which the air passes out of the absorber, and for filling the vessel with acid a small opening is made near one edge. The specifications required that the apparatus should be made absolutely air-tight to pressures of over 1 meter of water, and that there is no porosity in these vessels under these conditions is shown by the fact that such a pressure is held indefinitely. The inside and outside are both heavily glazed. There is no apparent action of sulphuric acid on the vessels and the slight increase in temperature resulting from the absorption of water-vapor as the air passes through does not appear to have any deleterious effect.
 Fig. 28.—Cross-section of sulphuric-acid absorber. The
air enters at the top of the right-hand opening, descends to the bottom
of the absorber, and then passes through three concentric rings, which
are covered with acid, and it finally passes out at the left-hand
opening. Beneath the left-hand opening is a cup arrangement for
preventing the acid being carried mechanically out through the opening.
The opening for filling and emptying the absorber is shown midway
between the two large openings.
Fig. 28.—Cross-section of sulphuric-acid absorber. The
air enters at the top of the right-hand opening, descends to the bottom
of the absorber, and then passes through three concentric rings, which
are covered with acid, and it finally passes out at the left-hand
opening. Beneath the left-hand opening is a cup arrangement for
preventing the acid being carried mechanically out through the opening.
The opening for filling and emptying the absorber is shown midway
between the two large openings.
The vessels without filling and without rubber elbows weigh 11.5 kilograms; with the special elbows and couplings attached so as to enable them to be connected with the ventilating air-system, the empty absorbers weigh 13.4 kilograms; and filled with sulphuric acid they weigh 19 kilograms. Repeated tests have shown that 5.5 kilograms of sulphuric acid will remove the water-vapor from a current of air passing through the absorbers at the rate of 75 liters of air per minute, without letting any appreciable amount pass by until 500 grams of water have been absorbed. At this degree of saturation a small persistent amount of moisture escapes absorption in the acid and consequently a second absorber will begin to gain in weight. Experiments demonstrate that the first vessel can gain 1,500 grams of water before the second gains 5 grams. As a matter of fact, it has been found more advantageous to use but one absorber and have it refilled as soon as it has gained 400 grams, thus allowing a liberal factor of safety and no danger of loss of water.[Pg 60]
The problem of absorbing the water-vapor from so rapid a current of air is second only to that of absorbing the carbon dioxide from such a current. All experiments with potassium hydroxide in the form of sticks or in solution failed to give the desired results and the use of soda-lime has supplemented all other forms of carbon dioxide absorption. More recently we have been using potash-lime, substituting caustic potash for caustic soda in the formula, and the results thus obtained are, if anything, more satisfactory than with the soda-lime.
The potash-lime is made as follows: 1 kilogram of commercial potassium hydroxide, pulverized, is dissolved in 550 to 650 cubic centimeters of water and 1 kilogram of pulverized quicklime added slowly. The amount of water to be used varies with the moisture content of the potash. There is a variation in the moisture content of different kegs of potash, so when a keg is opened we determine experimentally the amount of water to be used. After a batch is made up in this way it should be allowed to cool before testing whether it has the right amount of water, and this is determined by feeling of it and noting how it pulverizes in the hand. It is not advisable to make a great quantity at once, because we have found that if a large quantity is made and broken into small particles and stored in a container it has a tendency to cake and thus interfere with its ready subsequent use.
A record was kept of the gains in weight of a can filled with potash-lime during a series of experiments where there were three silver-plated cans used. This can was put at the head of the system and when it began to lose weight it was removed. The records of gains of weight when added together amount to 400 grams. From experience with other cans where the loss of moisture was determined, it is highly probable that at least 200 grams of water were vaporized from the reagent and thus the total amount of carbon dioxide absorbed must have been not far from 600 grams. At present our method is not to allow the cans to gain a certain weight, but during 4-hour or 5-hour experiments, in which each can may be used 2 or 3 hours, it is the practice to put a new can on each side of the absorber system (see page 66) at the beginning of every experiment. This insures the same power of absorption on each side of the absorption system so that the residual amount of carbon dioxide in the chamber from period to period does not undergo very marked changes. This has been found the best method, because if one can is left on a day longer than the other there is apt to be alternately a rise and fall in the amount of residual carbon dioxide in the apparatus, owing to the unequal efficiency of the absorbers.
These cans are each day taken to the basement, where the first section[19] only[Pg 61] is taken out and replaced with new potash-lime. Thus, three-quarters of the contents of the can is used over and over, while the first quarter is freshly renewed every day. Potash-lime has not been found practicable for the U-tubes because one can not, as in the case of soda-lime, see the whitening of the reagent where the carbon dioxide is absorbed.
The importance of having the soda-lime or potash-lime somewhat moist, to secure the highest efficiency for the absorption of the carbon dioxide, makes it necessary to absorb the moisture taken up by the dry air in passing through the potash-lime can. Consequently a second vessel containing sulphuric acid is placed in the system to receive the air immediately after it leaves the potash-lime can. Obviously the amount of water absorbed here is very much less than in the first acid absorber and hence the same absorber can be used for a greater number of experiments.
The complete removal of water-vapor and carbon dioxide from a current of air moving at the rate of 75 liters per minute calls for large and somewhat unwieldy vessels in which is placed the absorbing material. This is particularly the case with the vessels containing the rather large amounts of sulphuric acid required to dry the air. In the course of an hour there is ordinarily removed from the chamber not far from 25 grams of water-vapor and 20 to 30 grams of carbon dioxide. This necessitates weighing the absorbers to within 0.25 gram if an accuracy of 1 per cent is desired. The sulphuric-acid absorbers weigh about 18 kilograms when filled with acid. In order to weigh this receptacle so as to measure accurately the increase in weight due to the absorption of water to within less than 1 per cent, we use the balance shown in fig. 29. This balance has been employed in a number of other manipulations in connection with the respiration calorimeter and accessory apparatus and the general type of balance leaves nothing to be desired as a balance capable of carrying a heavy load with remarkable sensitiveness.
The balance is rigidly mounted on a frame consisting of four upright structural-steel angle-irons, fastened at the top to a substantial wooden bed. Two heavy wooden pieces run the length of the table and furnish a substantial base to which the standard of the balance is bolted. The balance is surrounded by a glass case to prevent errors due to air-currents (see fig. 2). The pan of the balance is not large enough to permit the weighing of an absorber, hence provision is made for suspending it on a steel or brass rod from one of the hanger arms. This rod passes through a hole in the bottom of the balance case, and its lower end is provided with a piece of pipe having hooks at either end. Since the increase in weight rather than the absolute weight of the absorber is used, the greater part of the weight is taken up by lead counterpoises suspended above the pan on the[Pg 62] right-hand arm of the balance. The remainder of the weight is made up with brass weights placed in the pan.
 Fig. 29.—Balance for weighing absorbers, showing general
type of balance and case surrounding it, with counterpoise and weights
upon right-hand pan. A sulphuric-acid absorber is suspended in position
ready for weighing. Elevator with compressed-air system is shown in
lower part of case.
Fig. 29.—Balance for weighing absorbers, showing general
type of balance and case surrounding it, with counterpoise and weights
upon right-hand pan. A sulphuric-acid absorber is suspended in position
ready for weighing. Elevator with compressed-air system is shown in
lower part of case.
In order to suspend this heavy absorber, a small elevator has been constructed, so that the vessel may be raised by a compressed-air piston. This piston is placed in an upright position at the right of the elevator and is connected with the compressed-air service of the building. The pressure is about 25 pounds per square inch and the diameter of the cylinder is 2.5 inches, thus giving ample service for raising and lowering the elevator and[Pg 63] its load. By turning a 3-way valve at the end of the compressed-air supply-pipe, so that the air rushes into the cylinder above the piston, the piston is pushed to the base of the cylinder and the elevator thereby raised. The pressure of the compressed air holds the elevator in this position while the hooks are being adjusted on the absorber. By turning the 3-way valve so as to open the exhaust leading to the upper part of the cylinder to the air, the weight of the elevator expels the air, and it soon settles into the position shown in the figure. The weighing can then be made as the absorber is swinging freely in the air. After the weighing has been made, the elevator is again lifted, the hooks are released, and by turning the valve the elevator and load are safely lowered.
The size of the openings of the pipes into the cylinder is so adjusted that the movement of the elevator is regular and moderate whether it is being raised or lowered, thus avoiding any sudden jars that might cause an accident to the absorbers. With this system it is possible to weigh these absorbers to within 0.1 gram and, were it necessary, probably the error could be diminished so that the weight could be taken to 0.05 gram. On a balance of this type described elsewhere,[20] weighings could be obtained to within 0.02 gram. For all practical purposes, however, we do not use the balance for weighing the absorbers closer than to within 0.10 gram. In attempting to secure accuracy no greater than this, it is unnecessary to lower the glass door to the balance case or, indeed, to close the two doors to the compartment in which the elevator is closed, as the slight air-currents do not affect the accuracy of the weighing when only 0.1 gram sensitiveness is required.
As is to be expected, the passage of so large a volume of air through the sulphuric acid in such a relatively small space results in a slight acid odor in the air-current leaving this absorber. The amount of material thus leaving the absorber is not weighable, as has been shown by repeated tests, but nevertheless there is a sufficiently irritating acid odor to make the air very uncomfortable for subsequent respiration. It has been found that this odor can be wholly eliminated by passing the air through a can containing cotton wool and dry sodium bicarbonate. This can is not weighed, and indeed, after days of use, there is no appreciable change in its weight.
In order to subdivide experiments into periods as short as 1 or 2 hours, it is necessary to deflect the air-current at the end of each period from one set of purifiers to the other, in order to weigh the set used and to measure[Pg 64] the quantity of carbon dioxide and water-vapor absorbed. The conditions under which these changes from one system to another are made, and which call for an absolutely gas-tight closure, have been discussed in detail elsewhere.[21] It is sufficient to state here that the very large majority of mechanical valves will not serve the purpose, since it is necessary to have a pressure of some 40 millimeters of mercury on one side of the valve at the entrance to the absorber system and on the other side atmospheric pressure. A valve with an internal diameter of not less than 25 millimeters must be used, and to secure a tight closure of this large area and permit frequent opening and shutting is difficult. After experimenting with a large number of valves, a valve of special construction employing a mechanical seal ultimately bathed in mercury was used for the earlier apparatus. The possibility of contamination of the air-current by mercury vapor was duly considered and pointed out in a description of this apparatus. It was not until two years later that difficulties began to be experienced and a number of men were severely poisoned while inside the chamber. A discussion of this point has been presented elsewhere.[22] At that time mercury valves were used both at the entrance and exit ends of the absorber system, although as a matter of fact, when the air leaves the last absorber and returns to the respiration chamber, the pressure is but a little above that of the atmosphere. Consequently, mechanical valves were substituted for mercurial valves at the exit and the toxic symptoms disappeared. In constructing the new calorimeters it seemed to be desirable to avoid all use of mercury, if possible. We were fortunate in finding a mechanical valve which suited this condition perfectly. These valves, which are very well constructed, have never failed to show complete tightness under all possible tests and are used at the exit and entrance end of the absorber system. Their workmanship is of the first order, and the valve is somewhat higher in price than ordinary mechanical valves. They have been in use on the apparatus for a year now and have invariably proved to be absolutely tight. They are easy to obtain and are much easier to manipulate and much less cumbersome than the mercury valves formerly used.
Throughout the construction of the respiration apparatus and its various parts, it was constantly borne in mind that the slightest leak would be very disastrous for accurate oxygen determinations. At any point where there is a pressure greater or less than that of the atmosphere, special precaution[Pg 65] must be taken. At no point in the whole apparatus is it necessary to be more careful than with the couplings which connect the various absorber systems with each other and with the valves; for these couplings are opened and closed once every hour or two and hence are subject to considerable strain at the different points. If they are not tight the experiment is a failure so far as the determination of oxygen is concerned. For the various parts of the absorber system we have relied upon the original type of couplings used in the earlier apparatus. A rubber gasket is placed between the male and female part of the coupling and the closure can be made very tight. In fact, after the absorbers are coupled in place they are invariably subjected to severe tests to prove tightness.
For connecting the piping between the calorimeter and the absorption system we use ordinary one-inch hose-couplings, firmly set up by means of a wrench and disturbed only when necessary to change from one calorimeter chamber to another.
The purifying apparatus for the air-current is compactly and conveniently placed on a solidly constructed table which can be moved about the laboratory at will. The special form of caster on the bottom of the posts of the table permits its movement about the laboratory at will and by screwing down the hand screws the table can be firmly fixed to the floor.
The details of the table are shown in fig. 30. (See also fig. 4, page 4.) The air coming from the calorimeter passes in the direction of the downward arrow through a 3/4-inch pipe into the blower, which is immersed in oil in an iron box F. The blower is driven by an electric motor fastened to a small shelf at the left of the table. The air leaving the blower ascends in the direction of the arrow to the valve system H, where it can be directed into one of the two parallel sets of purifiers; after it passes through these purifiers (sulphuric-acid vessel 2, potash-lime container K, and sulphuric-acid vessel 1) it goes through the sodium-bicarbonate can G to a duplicate valve system on top of the table. From there it passes through a pipe along the top of the table and rises in the vertical pipe to the hose connection which is coupled with the calorimeter chamber.
The electric motor is provided with a snap-switch on one of the posts of the table and a regulating rheostat which permits variations in the speed of the motor and consequently in the ventilation produced by the blower. The blower is well oiled, and as oil is gradually carried in with the air, a small pet-cock at the bottom of the T following the blower allows any accumulated oil to be drawn away from time to time. The air entering the valve system at H enters through a cross, two arms of which connect with two "white star" valves. The upper part of the cross is connected[Pg 66] to a small rubber tubing and to the mercury manometer D, which also serves as a valve for passing a given amount of air through a series of U-tubes for analysis of the air from time to time. It is assumed that the air drawn at the point H is of substantially the same composition as that inside the chamber, an assumption that may not be strictly true, but doubtless the sample thus obtained is constantly proportional to the average composition, which fluctuates but slowly. Ordinarily the piping leading from the left-hand arm of the tube D is left open to the air and consequently the difference in the level of the mercury in the two arms of D indicates the pressure on the system. This is ordinarily not far from 40 to 50 millimeters of mercury.
 Fig. 30.—Diagram of absorber table. 1 and 2 contain
sulphuric acid; K contains potash-lime; G, sodium bicarbonate can; F,
rotary blower for maintaining air-current; H, valves for closing either
side; and D, mercury manometer and valve for diverting air to U-tubes on
table. Air leaves A, passes through the meter, and then through drying
tower B and through C to ingoing air-pipe. At the left is the regulating
rheostat and motor and snap-switch. General direction of ventilation is
indicated by arrows.
Fig. 30.—Diagram of absorber table. 1 and 2 contain
sulphuric acid; K contains potash-lime; G, sodium bicarbonate can; F,
rotary blower for maintaining air-current; H, valves for closing either
side; and D, mercury manometer and valve for diverting air to U-tubes on
table. Air leaves A, passes through the meter, and then through drying
tower B and through C to ingoing air-pipe. At the left is the regulating
rheostat and motor and snap-switch. General direction of ventilation is
indicated by arrows.
The absorber table, with the U-tubes and meter for residual analyses, is shown in the foreground in fig. 2. The two white porcelain vessels with a silver-plated can between them are on the middle shelf. The sodium bicarbonate can, for removing traces of acid fumes, is connected in an upright[Pg 67] position, while the motor, the controlling rheostat, and the blower are supported by the legs near the floor. The two rubber pipes leading from the table can be used to connect the apparatus either with the bed or chair calorimeter. In fig. 4 the apparatus is shown connected with the bed calorimeter, but just above the lowest point of the rubber tubing can be seen in the rear the coupling for one of the pipes leading from the chair calorimeter. The other is immediately below and to the left of it.
The residual air inside of the chamber amounts to some 1,300 liters and contains about 250 liters of oxygen. Consequently it can be seen that in an 8-hour experiment the subject could easily live during the entire time upon the amount of oxygen already present in the residual air. It has been repeatedly shown that until the per cent of oxygen falls to about 11, or about one-half normal, there is no disturbance in the respiratory exchange and therefore about 125 liters of oxygen would be available for respiration even if no oxygen were admitted. Inasmuch as the subject when at rest uses not far from 14 to 15 liters per hour, the amount originally present in the chamber would easily suffice for an 8-hour experiment. Moreover, the difficulties attending an accurate gas analysis and particularly the calculation of the total amount of oxygen are such that satisfactory determinations of oxygen consumption by this method would be impossible. Furthermore, from our previous experience with long-continued experiments of from 10 days to 2 weeks, it has been found that oxygen can be supplied to the system readily and the amount thus supplied determined accurately. Consequently, even in these short experiments, we adhere to the original practice of supplying oxygen to the air and noting the amount thus added.
The oxygen supply was formerly obtained from small steel cylinders of the highly compressed gas. This gas was made by the calcium-manganate method and represented a high degree of purity for commercial oxygen. More recently we have been using oxygen of great purity made from liquid air. Inasmuch as this oxygen is very pure and much less expensive than the chemically-prepared oxygen, extensive provisions have been made for its continued use. Instead of using small cylinders containing 10 cubic feet and attaching thereto purifying devices in the shape of soda-lime U-tubes and a sulphuric-acid drying-tube, we now use large cylinders and we have found that the oxygen from liquid air is practically free from carbon dioxide and water-vapor, the quantities present being wholly negligible in experiments such as these. Consequently, no purifying attachments are considered necessary and the oxygen is delivered directly from the cylinder. The cylinders, containing 100 cubic feet (2,830 liters), under a pressure of 120 atmospheres, are provided with well-closing valves and weigh when fully charged 57 kilograms.[Pg 68]
 Fig. 31.—Diagram of oxygen balance and cylinder. At the
top is the balance arrangement, and at the center its support. At the
left is the oxygen cylinder, with reducing valve A, rubber tube D
leading from it, F the electro-magnet which opens and closes D, K the
hanger of the cylinder and support for the magnet, R the lever which
operates the supports for the cylinder and its counterpoise S, T' a box
which is raised and lowered by R, and T its surrounding box.
Fig. 31.—Diagram of oxygen balance and cylinder. At the
top is the balance arrangement, and at the center its support. At the
left is the oxygen cylinder, with reducing valve A, rubber tube D
leading from it, F the electro-magnet which opens and closes D, K the
hanger of the cylinder and support for the magnet, R the lever which
operates the supports for the cylinder and its counterpoise S, T' a box
which is raised and lowered by R, and T its surrounding box.
It is highly desirable to determine the oxygen to within 0.1 gram, and we are fortunate in having a balance of the type used frequently in this laboratory which will enable us to weigh this cylinder accurately with a sensitiveness of less than 0.1 gram. Since 1 liter of oxygen weighs 1.43 grams, it can be seen that the amount of oxygen introduced into the chamber[Pg 69] can be measured by this method within 70 cubic centimeters. Even in experiments of but an hour's duration, where the amount of oxygen admitted from the cylinder is but 25 to 30 grams, it can be seen that the error in the weighing of the oxygen is much less than 1 per cent.
The earlier forms of cylinders used were provided with valves which required some special control and a rubber bag was attached to provide for any sudden rush of gas. The construction of the valve and valve-stem was unfortunately such that the well-known reduction valves could not be attached without leakage under the high pressure of 120 atmospheres. With the type of cylinder at present in use, such leakage does not occur and therefore we simply attach to the oxygen cylinder a reduction-valve which reduces the pressure from 120 atmospheres to about 2 or 3 pounds to the square inch. The cylinder, together with the reduction valve, is suspended on one arm of the balance. The equipment of the arrangement is shown in fig. 31. (See also fig. 5, page 4.) The cylinder is supported by a clamp K hung from the balance arm, and the reduction-valve A is shown at the top. The counterpoise S consists of a piece of 7-inch pipe, with caps at each end. At a convenient height a wooden shelf with slightly raised rim is attached.
In spite of the rigid construction of this balance, it would be detrimental to allow this enormous weight to remain on the knife-edges permanently, so provision is made for raising the cylinders on a small elevator arrangement which consists of small boxes of wood, T, into which telescope other boxes, T'. A lever handle, R, when pressed forward, raises T' by means of a roller bearing U, and when the handle is raised the total weight of the cylinders is supported on the platforms.
The balance is attached to an upright I-beam which is anchored to the floor and ceiling of the calorimeter laboratory. Two large turnbuckle eye-bolts give still greater rigidity at the bottom. The whole apparatus is inclosed in a glass case, shown in fig. 5.
The use of the reduction-valve has made the automatic control of the oxygen supply much simpler than in the apparatus formerly used. The details of the connections somewhat schematically outlined are given in fig. 32, in which D is the oxygen cylinder, K the supporting band, A the reduction-valve, and J the tension-equalizer attached to one of the calorimeters. Having reduced the pressure to about 2 pounds by means of the reduction-valve, the supply of oxygen can be shut off by putting a pinch-cock on a rubber pipe leading from the reduction-valve to the calorimeters. Instead of using the ordinary screw pinch-cock, this connection is closed by a spring clamp. The spring E draws on the rod which is connected at L and pinches the rubber tube tightly. The tension at E can be[Pg 70] released by an electro-magnet F, which when magnetized exercises a pull on the iron rod, extends the spring E, and simultaneously releases the pressure on the rubber tube at L. To make the control perfectly automatic, the apparatus shown on the top of the tension-equalizer J is employed. A wire ring, with a wire support, is caused to pass up through a bearing fastened to the clamp above J. As the air inside of the whole system becomes diminished in volume and the rubber cap J sinks, there is a point at which a metal loop dips into two mercury cups C and C', thus closing the circuit, which causes a current of electricity to pass through F. This releases the pressure at L, oxygen rushes in, and the rubber bag J becomes distended. As it is distended, it lifts the metal loop out of the cups, C and C', and the circuit is broken. There is, therefore, an alternate opening and closing of this circuit with a corresponding admission of oxygen. The exact position of the rubber diaphragm can be read when desired from a pointer on a graduated scale attached to a support holding the terminals of the electric wires. More frequently, however, when the volume is required, instead of[Pg 71] filling the bag to a definite point, as shown by the pointer, a delicate manometer is attached to the can by means of a pet-cock and the oxygen is admitted by operating the switch B until the desired tension is reached.
 Fig. 32.—Part of the oxygen cylinder and connections to
tension-equalizer. At the left is shown the upper half of the oxygen
cylinder with a detail of the electro-magnet and reducing-valve. D is
the cylinder; K, the band supporting the oxygen cylinder and
electro-magnet arrangement; F, the electro-magnet; E, the tension
spring; and L, the rubber tubing at a point where it is closed by the
clamp. The tension-equalizer and the method of closing the circuit
operating it are shown at the right. C and C' are two mercury cups into
which the wire loop dips, thus closing the circuit. B is a lever used
for short-circuiting for filling the diaphragm J. G is a sulphuric-acid
container; H, the quick-throw valve for shutting off the tension
equalizer J; M, part of the ingoing air-pipe; N, a plug connecting the
electric circuit with the electro-magnet; and O, a storage battery.
Fig. 32.—Part of the oxygen cylinder and connections to
tension-equalizer. At the left is shown the upper half of the oxygen
cylinder with a detail of the electro-magnet and reducing-valve. D is
the cylinder; K, the band supporting the oxygen cylinder and
electro-magnet arrangement; F, the electro-magnet; E, the tension
spring; and L, the rubber tubing at a point where it is closed by the
clamp. The tension-equalizer and the method of closing the circuit
operating it are shown at the right. C and C' are two mercury cups into
which the wire loop dips, thus closing the circuit. B is a lever used
for short-circuiting for filling the diaphragm J. G is a sulphuric-acid
container; H, the quick-throw valve for shutting off the tension
equalizer J; M, part of the ingoing air-pipe; N, a plug connecting the
electric circuit with the electro-magnet; and O, a storage battery.
In order to provide for the maximum sensitiveness for weighing D and its appurtenances, the electric connection is broken at the cylinder by means of the plug N and the rubber tube is connected by a glass connector which can be disconnected during the process of weighing. Obviously, provision is also made that there be no leakage of air out of the system during the weighing. The current at F is obtained by means of a storage battery O. The apparatus has been in use for some time in the laboratory and has proved successful in the highest degree.
The rigid walls of the calorimeter and piping necessitate some provision for minor fluctuations in the absolute volume of air in the confined system. The apparatus was not constructed to withstand great fluctuations in pressure, and thin walls were used, but it is deemed inadvisable to submit it even to minor pressures, as thus there would be danger of leakage of air through any possible small opening. Furthermore, as the carbon dioxide and water-vapor are absorbed out of the air-current, there is a constant decrease in volume, which is ordinarily compensated by the admission of oxygen. It would be very difficult to adjust the admission of oxygen so as to exactly compensate for the contraction in volume caused by the absorption of water-vapor and carbon dioxide. Consequently it is necessary to adjust some portion of the circulating air-current so that there may be a contraction and expansion in the volume without producing a pressure on the system. This was done in a manner similar to that described in the earlier apparatus, but on a much simpler plan.
To the air-pipe just before it entered the calorimeter was attached a copper can with a rubber diaphragm top. This diaphragm, which is, as a matter of fact, a ladies' pure rubber bathing-cap, allows for an expansion or contraction of air in the system of 2 to 3 liters. The apparatus shown in position is to be seen in fig. 25, in which the tin can I is covered with the rubber diaphragm J. If there is any change in volume, therefore, the rubber diaphragm rises or falls with it and under ordinary conditions of an experiment this arrangement results in a pressure in the chamber approximately that of the atmosphere. It was found, however, that even the slight resistance of the piping from the tension-equalizer to the chamber, a pipe some 26 millimeters in diameter and 60 centimeters long, was sufficient to cause a slightly diminished pressure inside the calorimeter, inasmuch as the air was sucked out by the blower with a little greater speed than it was forced in by the pressure at the diaphragm. Accordingly the apparatus has been modified so that at present the tension-equalizer is attached directly to the wall of the calorimeter independent of the air-pipe.[Pg 72]
In most of the experiments made thus far it has been our custom to conduct the supply of fresh oxygen through pet-cock K on the side of the tension-equalizer. This is shown more in detail in fig. 32, in which, also, is shown the interior construction of the can. Owing to the fact that the air inside of this can is much dryer than the room air, we have followed the custom with the earlier apparatus of placing a vessel containing sulphuric acid inside the tension-equalizer, so that any moisture absorbed by the dry air inside the diaphragm may be taken up by the acid and not be carried into the chamber. The air passing through the pipe to the calorimeter is, it must be remembered, absolutely dry and hence there are the best conditions for the passage of moisture from the outside air through the diaphragm to this dry air. Attaching the tension-equalizer directly to the calorimeter obviates the necessity for this drying process and hence the sulphuric-acid vessel has been discarded.
The valve H (fig. 25) is used to cut off the tension-equalizer completely from the rest of the system at the exact moment of the end of the experimental period. After the motor has been stopped and the slight amount of air partly compressed in the blower has leaked back into the system, and the whole system is momentarily at equal tension, a process occupying some 3 or 4 seconds, the gate-valve H is closed. Oxygen is then admitted from the pet-cock K until there is a definite volume in J as measured by the height to which the diaphragm can rise or a second pet-cock is connected to the can I and a delicate petroleum manometer attached in such a manner that the diaphragm can be filled to exactly the same tension each time. Under these conditions, therefore, the apparent volume of air in the system, exclusive of the tension-equalizer, is always the same, since it is confined by the rigid walls of the calorimeter and the piping. Furthermore, the apparent volume of air in the tension-equalizer is arbitrarily adjusted to be the same amount at the end of each period by closing the valve and introducing oxygen until the tension is the same.
Recognizing the importance of measuring very accurately the barometric pressure, or at least its fluctuations, we have installed an accurate barometer of the Fortin type, made by Henry J. Green. This is attached to the inner wall of the calorimeter laboratory, and since the calorimeter laboratory is held at a constant temperature, temperature corrections are unnecessary, for we have here to deal not so much with the accurate measurement of the actual pressure as with the accurate measurement of differences in pressure. For convenience in reading, the ivory needle at the base of the instrument and the meniscus are well illuminated with electric lamps behind a white screen, and a small lamp illuminates the vernier. The barometer can be read to 0.05 millimeter.[Pg 73]
The carbon-dioxide production, water-vapor elimination, and oxygen absorption of the subject during 1 or 2 hour periods are recorded in a general way by the amounts of carbon dioxide and water-vapor absorbed by the purifying vessels and the loss of weight of the oxygen cylinder; but, as a matter of fact, there may be considerable fluctuations in the amounts of carbon dioxide and water-vapor and particularly oxygen in the large volume of residual air inside the chamber. With carbon dioxide and water-vapor this is not as noticeable as with oxygen, for in the 1,300 liters of air in the chamber there are some 250 liters of oxygen, and slight changes in the composition of this air indicate considerable changes in the amount of oxygen. Great changes may also take place in the amounts of carbon dioxide and water-vapor under certain conditions. In some experiments, particularly where there are variations in muscular activity from period to period, there may be a considerable amount of carbon dioxide in the residual air and during the next period, when the muscular activity is decreased, for example, the percentage composition of the air may vary so much as to indicate a distinct fall in the amount of carbon dioxide present. Under ordinary conditions of ventilation during rest experiments the quantity of carbon dioxide present in the residual air is not far from 8 to 10 grams. There are usually present in the air not far from 6 to 9 grams of water-vapor, and hence this residual amount can undergo considerable fluctuations. When it is considered that an attempt is made to measure the total amount of carbon dioxide expired in one hour to the fraction of a gram, it is obvious that fluctuations in the composition of residual air must be taken into consideration.
It is extremely difficult to get a fair sample of air from the chamber. The air entering the chamber is free from water-vapor and carbon dioxide. In the immediate vicinity of the entering air-tube there is air which has a much lower percentage of carbon dioxide and water-vapor than the average, and on the other hand close to the nose and mouth of the subject there is air of a much higher percentage of carbon dioxide and water-vapor than the average. It has been assumed that the composition of the air leaving the chamber represents the average composition of the air in the chamber. This assumption is only in part true, but in rest experiments (and by far the largest number of experiments are rest experiments) the changes in the composition of the residual air are so slow and so small that this assumption is safe for all practical purposes.
Another difficulty presents itself in the matter of determining the amount of carbon dioxide and water-vapor; that is, to make a satisfactory analysis of air without withdrawing too great a volume from the chamber. The difficulty in analysis is almost wholly confined to the determination of[Pg 74] water-vapor, for while there are a large number of methods for determining small amounts of carbon dioxide with great accuracy, the method for determining water-vapor to be accurate calls for the use of rather large quantities of air. From preliminary experiments with a sling psychrometer it was found that its use was precluded by the space required to successfully use this instrument, the addition of an unknown amount of water to the chamber from the wet bulb, and the difficulties of reading the instrument from without the chamber. Recourse was had to the determination of moisture by the absolute method, in that a definite amount of air is caused to pass over pumice-stone saturated with sulphuric acid. It is of interest here to record that at the moment of writing a series of experiments are in progress in which an attempt is being made to use a hair hygrometer for this purpose.
The method of determining the water-vapor and carbon dioxide in the residual air is extremely simple, in that a definite volume of air is caused to pass over sulphuric acid and soda-lime contained in U-tubes. In other words, a small amount of air is caused to pass through a small absorbing-system constructed of U-tubes rather than of porcelain vessels and silver-plated cans. Formerly a very elaborate apparatus was employed for aspirating the air from the chamber through U-tubes and then returning the aspirated air to the chamber. This involved the use of a suction-pump and called for a special installation for maintaining the pressure of water constant. More recently a much simpler device has been employed, in that we have taken advantage of the pressure in the ventilating air-system developed by the passage of air through the blower. After forcing a definite quantity of air through the reagents in the U-tubes, it is then conducted back to the system after having been measured in a gas-meter.
This procedure is best noted from fig. 30. The connected series of three U-tubes on the rack on the table is joined on one end by well-fitting rubber connections to the tube leading from the mercurial manometer and on the other end to the rubber tube A leading to the gas-meter. On lowering the mercury reservoir E, the mercury is drained out of the tube D and air passes through both arms of the tube and then through the three U-tubes. In the first of these it is deprived of moisture, and in the last two of carbon dioxide. The air then enters the meter, where it is measured and leaves the meter through the tube B, saturated with water-vapor at the room temperature. To remove this water-vapor the air is passed through a tower filled with pumice-stone drenched with sulphuric acid. It leaves the tower through the tube C and enters the ventilating air-pipe on its way to the calorimeter.
The method of manipulation is very simple. After connecting the U-tubes the pet-cock connecting the tube C with the pipe is opened, the mercury reservoir E is lowered, and air is allowed to pass through until[Pg 75] the meter registers 10 liters. By raising the reservoir E the air supply is shut off, and after closing the stop-cock at C the tubes are disconnected, a second set is put in place, and the operation repeated. The U-tubes are of a size having a total length of the glass portion equal to 270 millimeters and an internal diameter of 16 millimeters. They permit the passage of 3 liters of air per minute through them without a noticeable escape of water-vapor or carbon dioxide. The U-tubes filled with pumice-stone and sulphuric acid weigh 90 grams. They are always weighed on the balance with a counterpoise, but no attempt is made to weigh them closer than to 0.5 milligram.
The gas-meter is made by the Dansk Maalerfabrik in Copenhagen, and is of the type used by Bohr in many of his investigations. It has the advantage of showing the water-level, and the volume may be read directly. The dial is graduated so as to be read within 50 cubic centimeters.
The Elster meter formerly used for this purpose was much smaller than the meter of the Dansk Maalerfabrik we are now using. The volume of water was much smaller and consequently the temperature fluctuations much more rapid. While the residual analyses for which the meter is used are of value in interpolating the results for the long experiments, and consequently errors in the meter would be more or less constant, affecting all results alike, we have nevertheless carefully calibrated the meter by means of the method of admitting oxygen from a weighed cylinder.[23] The test showed that the meter measured 1.4 per cent too much, and consequently this correction must be applied to all measurements made with it.
With an apparatus as elaborate as is the respiration calorimeter and its accessories, the calculation of results presents many difficulties, but the experience of the past few years has enabled us to lessen materially the intricacies of the calculations formerly thought necessary.
The total amount of water-vapor leaving the chamber is determined by noting the increase in weight of the first sulphuric-acid vessel in the absorber system. This vessel is weighed with a counterpoise and hence only the increment in weight is recorded. A slight correction may be necessary here, as frequently the absorber is considerably warmer at the end of the period than at the beginning and if weighed while warm there may be an error of 0.1 to 0.2 gram. If the absorbers are weighed at the same temperature at the beginning and end, this correction is avoided.
The amount of carbon dioxide absorbed from the ventilating air-current is found by noting the changes in weight of the potash-lime can and the last sulphuric-acid vessel. As shown by the weights of this latter vessel, it is very rare that sufficient water is carried over from the potash-lime to the sulphuric acid to cause a perceptible change in temperature, and no temperature corrections are necessary. It may occasionally happen that the amount of carbon dioxide absorbed is actually somewhat less than the amount of water-vapor abstracted from the reagent by the dry air-current as it passes through the can. The conditions will then be such that there will be a loss in weight of the potash-lime can and a large gain in weight of the sulphuric-acid vessel. Obviously, the algebraic sum of these amounts will give the true weight of the carbon dioxide absorbed.
The amount of oxygen admitted is approximately measured by noting the loss in weight of the oxygen cylinder. Since, however, in admitting the oxygen from the cylinder there is a simultaneous admission of a small amount of nitrogen, a correction is necessary. This correction can be computed either by the elaborate formulas described in the publication of Atwater and Benedict[24] or by the more abbreviated method of calculation which has been used very successfully in all short experiments in this laboratory. In either case it is necessary to know the approximate percentage of nitrogen in the oxygen.
With the modified method of computation discussed in detail on page 88 it is seen that such exceedingly exact analyses of oxygen as were formerly made are unnecessary, and further calculation is consequently very simple if we know the percentage of nitrogen to within a fraction of 1 per cent. We have used a Haldane gas-analysis apparatus for analyzing the oxygen, although the construction of the apparatus is such that this presents some[Pg 77] little difficulty. It is necessary, for example, to accurately measure about 16 cubic centimeters of pure nitrogen, pass it into the potassium pyrogallate pipette, and then (having taken a definite sample of oxygen) gradually absorb the oxygen in the potassium pyrogallate and measure subsequently the accumulated nitrogen. The analysis is tedious and not particularly satisfactory. Having checked the manufacturer's analysis of a number of cylinders of oxygen and invariably found them to agree with our results, we are at present using the manufacturer's guaranteed analysis. If there was a very considerable error in the gas analysis, amounting even to 1 per cent, the results during short experiments would hardly be affected.
A careful inspection of the elaborate method of calculation required for use with the calorimeter formerly at Wesleyan University shows that a large proportion of it can be eliminated owing to the fact that we are here able to work in a room of constant temperature. It has been pointed out that the fluctuations in the temperature of the gas-meter affect not only the volume of the gas passing through the meter, but likewise the tension of aqueous vapor. The corrections formerly made for temperature on the barometer are now unnecessary; finally (and perhaps still more important) it is no longer necessary to subdivide the volume of the system into portions of air existing under different temperatures, depending upon whether they were in the upper or lower part of the laboratory. In other words, the temperature of the whole ventilating circuit and chamber, with the single exception of the air above the acid in the first sulphuric-acid absorber, may be said to be constant. During rest experiments this assumption can be made without introducing any material error, but during work experiments it is highly probable that some consideration must be given to the possibility of the development of a considerable temperature rise in the air of the potash-lime absorbers, due to the reaction between the carbon dioxide and the solid absorbent. It is thus apparent that the constant-temperature conditions maintained in the calorimeter laboratory not only facilitate calorimetric measurements, but also simplify considerably the elaborate calculations of the respiratory exchange formerly required.
In the earlier form of apparatus the largest variation in the apparent volume of air was due to the fluctuations in the height of the large rubber diaphragms used on the tension equalizer. In the present form of apparatus there is but one rubber diaphragm, and this is small, containing not more than 3 to 4 liters as compared to about 30 liters in the earlier double rubber diaphragms. As now arranged, all fluctuations due to the varying[Pg 78] positions of the tension-equalizer are eliminated as each experimental period is ended with the diaphragm in exactly the same position, i. e., filled to a definite tension.
In its passage through the purifiers the air is subjected to more or less pressure, and it is obvious that if these absorbers were coupled to the ventilating system under atmospheric pressure, and then air caused to pass through them, there would be compression in a portion of the purifier system. Thus there would be a contraction in the volume, and air thus compressed would subsequently be released into the open air when the absorbers were uncoupled. The method of testing the system outlined on page 100 equalizes this error, however, in that the system is tested under the same pressure used during an actual experiment, and hence between the surface of the sulphuric acid in the first porcelain vessel and the sulphuric acid in the second porcelain vessel there is a confined volume of air which at the beginning of an experimental period is under identically the same pressure as it is at the end. There is, then, no correction necessary for the rejection of air with the changes in the absorber system.
As the water-vapor is absorbed by the sulphuric acid, there is a slight increase in volume of the acid. This naturally results in the diminution of the apparent volume of air and likewise again affects the amount of oxygen admitted to produce constant apparent volume at the end of each experimental period. The amount of increase which thus takes place for each experimental period is very small. It has been found that an increase in weight of 25 grams of water-vapor results in an increase in volume of the acid of some 15 cubic centimeters. Formerly this correction was made, but it is now deemed unnecessary and unwise to introduce a refinement that is hardly justified in other parts of the apparatus. Similarly, there is theoretically at least an increase in volume of the potash-lime by reason of the absorption of the carbon dioxide. This was formerly taken into consideration, but the correction is no longer applied.
With experiments on man, there is a constant transformation of solid body material into gaseous products which are carried out into the air-current and absorbed. Particularly where no food is taken, this solid material becomes smaller in volume and consequently additional oxygen is required to take the place of the decrease in volume of body substance. But this so-called respiratory loss is more theoretical than practical in importance, and in the experiments made at present the correction is not considered necessary.[Pg 79]
The ventilating air-circuit may be said to consist of several portions of air. The largest portion is that in the respiration chamber itself and consists of air containing oxygen, nitrogen, carbon dioxide, and water-vapor. This air is assumed to have the same composition up to the moment when it begins to bubble through the sulphuric acid in the first acid-absorber. The air in this absorber above the acid, amounting to about 14 liters, has a different composition in that the water-vapor has been completely removed. The same 14 liters of air may then be said to contain carbon dioxide, nitrogen, and oxygen. This composition is immediately disturbed the moment the air enters the potash-lime can, when the carbon dioxide is absorbed and the volume of air in the last sulphuric-acid absorber, in the sodium-bicarbonate can, and in the piping back to the calorimeter may be said to consist only of nitrogen and oxygen. The air then between the surface of the sulphuric acid in the last porcelain absorber and the point where the ingoing air is delivered to the calorimeter consists of air free from carbon dioxide and free from water. Formerly this section also included the tension-equalizer, but very recently we have in both of the calorimeters attached the tension-equalizer directly to the respiration chamber.
In the Middletown apparatus, these portions of air of varying composition were likewise subject to considerable variations in temperature, in that the temperature of the laboratory often differed materially from that of the calorimeter chamber itself, especially as regards the apparatus in the upper part of the laboratory room. It is important, however, to know the total volume of the air inclosed in the whole system. This is obtained by direct measurement. The cubic contents of the calorimeter has been carefully measured and computed; the volumes of air in the pipes, valve systems, absorbing vessels, and tension-equalizer have been computed from dimensions, and it has been found that the total volume in the apparatus is, deducting the volume of the permanent fixtures in the calorimeter, 1,347 liters. The corresponding volume for the bed calorimeter is 875. These values are altered by the subject and extra articles taken into the chamber.
From a series of careful measurements and special tests the following apparent volumes for different parts of the system have been calculated:
| Liters. | |
| Volume of the chair calorimeter chamber (without fixtures) | 1360.0 | 
| Permanent fixtures (5); chair and supports (8) | 13.0 | 
| ——— | |
| Apparent volume of air inside chamber | 1347.0 | 
| Air in pipes, blower, and valves to surface of acid in first acid vessel | 4.5 | 
| ——— | |
| Apparent volume of air containing water-vapor | 1351.5 | 
| Air above surface of acid in first sulphuric-acid vessel and potash-lime can | 16.0 | 
| ——— | |
| Apparent volume of air containing carbon dioxide | 1367.5 | 
| Air in potash-lime can, second sulphuric-acid vessel and connections, sodium-bicarbonate cans, and pipes to calorimeter chamber | 23.5 | 
| ——— | |
| Apparent volume of air containing carbon dioxide, water, oxygen, and nitrogen | 1391.0 | 
[Pg 80]These volumes represent conditions existing inside the chamber without the subject, i. e., conditions under which an alcohol check-test would be conducted. In an experiment with man it would be necessary to deduct the volume of the man, books, urine bottles, and all supplemental apparatus and accessories. Under these circumstances the apparent volume of the air in the chamber may at times be diminished by nearly 90 to 100 liters. At the beginning of each experiment the apparent volume of air is calculated.
The increment in weight of the absorbers for water and carbon dioxide and the loss in weight of the oxygen cylinder give only an approximate idea of the amounts of carbon dioxide and water-vapor produced and oxygen absorbed during the period, and it is necessary to make correction for change in the composition of the air as shown by the residual analyses and for fluctuations in the actual volume. In order to compute from the analyses the total carbon-dioxide content of the residual air, it is necessary to know the relation of the air used for the sample to the total volume, and thus we must know accurately the volume of air passing through the gas-meter.
In the earlier apparatus 10-liter samples were used, and the volume of the respiration chamber was so large that it was necessary to multiply the values found in the residual sample by a very large factor, 500. Hence, the utmost caution was taken to procure an accurate measurement of the sample, the exact amounts of carbon dioxide absorbed, and water-vapor absorbed. To this end a large number of corrections were made, which are not necessary with the present type of apparatus with a volume of residual air of but about 1,300 liters, and accordingly the manipulation and calculations have been very greatly simplified.
While formerly pains were taken to obtain the exact temperature of the air leaving the gas-meter, with this apparatus it is unnecessary. When the earlier type of apparatus was in use there were marked changes in the temperature of the calorimeter laboratory and in the water in the meter which were naturally prejudicial to the accurate measurement of the volume of samples, but with the present control of temperature in this laboratory it has been found by repeated tests that the temperature of the water in the meter does not vary a sufficient amount to justify this painstaking measurement and calculation. Obviously, this observation also pertains to the corrections for the tension of aqueous vapor. It has been found possible to assume an average laboratory temperature and reduce the volume as read on the meter by means of a constant factor.[Pg 81]
The quantity of air passing through the meter is so adjusted that exactly 10 liters as measured on the dial pass through it for one analysis. The air as measured in the meter is, however, under markedly different conditions from the air inside the respiration chamber. While there is the same temperature, there is a material difference in the water-vapor present, and hence the moisture content as expressed in terms of tension of aqueous vapor must be considered. This obviously tends to diminish the true volume of air in the meter.
Formerly we made accurate correction for the tension of aqueous vapor based upon the barometer and the temperature of the meter at the end of the period, but it has now been found that the reduction of the meter readings to conditions inside of the chamber can be made with a sufficient degree of accuracy by multiplying the volume of air passing through the meter by a fraction, (h-t)/h, in which h represents the barometer and t the tension of aqueous vapor at the temperature of the laboratory, 20° C. Since the tension of aqueous vapor at the laboratory temperature is not far from 15 mm., a simple calculation will show that there may be considerable variations in the value of h without affecting the fraction materially, and we have accordingly assumed a value of h as normally 760 mm., and the correction thus obtained is (760 - 15)/760 = 0.98, and all readings on the meter should be multiplied by this fraction.
On the one hand, then, there is the correction on the meter itself, which correction is +1.4 per cent (see page 75); and on the other hand the correction on the sample for the tension of aqueous vapor, which is -2.0 per cent, and consequently the resultant correction is -0.6 per cent. From the conditions under which the experiments are made, however, it is rarely possible to read the meter closer than ±0.05 liter, as the graduations on the meter correspond to 50 cubic centimeters. It will be seen, then, that this final correction is really inside the limit of error of the instrument, and consequently with this particular meter now in use no correction whatever is necessary for the reduction of the volume. The matter of temperature corrections has been taken up in great detail in an earlier publication, and where there are noticeable differences in temperature between the meter and the calorimeter chamber the calculation is very much more complicated.
For practical purposes, therefore, we may assume that the quantity of air passed through the meter, as now in use, represents exactly 10 liters measured under the conditions obtaining inside of the respiration chamber, and in order to find the total amount of water-vapor present in the chamber it is necessary only to multiply the weight of water found in the 10-liter sample by one-tenth of the total volume of air containing water-vapor.[Pg 82]
The total volume of air which contains water-vapor is not far from 1,360 liters; consequently multiplying the weight of water in the sample by 136 gives the total amount of water in the chamber and the piping. The volume of air containing carbon dioxide is that contained in the chamber and piping to the first sulphuric-acid vessel plus 16 liters of air above the sulphuric acid and connections in the first porcelain vessel, and in order to obtain the amount of carbon dioxide from the sample it is only necessary to multiply the weight of carbon dioxide in the sample by 137.6.
Since in the calculation of the total amount of residual oxygen volumes rather than weights of gases are used, it is our custom to convert the weights of carbon dioxide and water-vapor in the chamber to volumes by multiplying by the well-known factors. The determination of oxygen depends upon the knowledge of the true rather than the apparent volume of air in the system, and consequently the apparent volume must be reduced to standard conditions of temperature and pressure each time the calculation is made. To this end, the total volume of air in the inclosed circuit (including that in the tension-equalizer, amounting to 1,400 liters in all) is reduced to 0° and 760 millimeters by the usual methods of computation. The total volume of air (which may be designated as V) includes the volumes of carbon dioxide, water-vapor, oxygen, and nitrogen. From the calculations mentioned above, the volumes of water-vapor and carbon dioxide have been computed, and deducting the sum of these from the reduced volume of air gives the volume of oxygen plus nitrogen. If the volume of nitrogen is known, obviously the volume of oxygen can be found.
At the beginning of the experiment, it is assumed that the chamber is filled with ordinary air. By calculating the amount of nitrogen in the chamber at the start as four-fifths of the total amount, no great error is introduced. In many experiments actual analyses of the air have been made at the moment of the beginning of the experiment. The important thing to bear in mind is that having once sealed the chamber and closed it tightly, no nitrogen can enter other than that admitted with the oxygen, and hence the residual amount of nitrogen remains unaltered save for this single exception. If care is taken to keep an accurate record of the amount of nitrogen admitted with the oxygen, the nitrogen residual in the chamber at any given time is readily computed. While from an absolute mathematical standpoint the accuracy of this computation can be questioned, here again we are seeking an accurate record of differences rather than an absolute amount, and whether we assume the volume of the air in the chamber to contain 20.4 per cent of oxygen or 21.6 per cent is a matter of indifference. It is of importance only to note the increases in the amount of nitrogen, since these increases represent decrease in the residual oxygen and it is with the changes in the residual oxygen that we particularly have to do.[Pg 83]
The air, being confined in a space with semi-rigid walls, is subjected naturally to variations in true volume, depending upon the temperature and barometric pressure. If the air inside of the chamber becomes considerably warmer there is naturally an expansion, and were it not for the tension-equalizer there would be pressure in the system. Also, if the barometer falls, there is an expansion of air which, again, in the absence of the tension-equalizer, would produce pressure in the system. It is necessary, therefore, in calculating the true volume of air, to take into account not only the apparent volume, which, as is shown above, is always a constant amount at the end of each period, but the changes in temperature and barometric pressure must also be noted. Since there is a volume of about 1,400 liters, a simple calculation will show that for each degree centigrade change in temperature there will be a change in volume of approximately 4.8 liters. In actual practice, however, this rarely occurs, as the temperature control is usually inside of 0.1° C. and for the most part within a few hundredths. A variation in barometric pressure of 1 millimeter will affect 1,400 liters by 1.8 liters.
In actual practice, therefore, it is seen that if the barometer falls there will be an expansion of air in the system. This will tend to increase the volume by raising the rubber diaphragm on the tension-equalizer, the ultimate result of which is that at the final filling with oxygen at the end of the period less is used than would be the case had there been no change in the barometer. In other words, for each liter expansion of air inside of the system, there is 1 liter less oxygen required to bring the apparent volume the same at the end of the period. Similarly, if there is an increase in temperature of the air, there is expansion, and a smaller amount of oxygen is required than would be the case had there been no change; and conversely, if the barometer rises or the temperature falls, more oxygen would be supplied than is needed for consumption. It is thus seen that the temperature and barometer changes affect the quantity of oxygen admitted to the chamber.
Any variations in the residual amount of carbon dioxide or water-vapor likewise affect the oxygen. Thus, if there is an increase of 1 gram in the amount of residual carbon dioxide, this corresponds to 0.51 liter, and consequently an equal volume of oxygen is not admitted to the chamber during the period, since its place has been taken by the increased volume of carbon dioxide. A similar reasoning will show that increase in the water-vapor content will have a similar effect, for each gram of water-vapor corresponds[Pg 84] to 1.25 liters and therefore influences markedly the introduction of oxygen. All four of the factors, therefore (barometric pressure, temperature, residual carbon dioxide, and residual water-vapor), affect noticeably the oxygen determination.
Of the three factors to be determined in the residual air, the oxygen (which is most important from the standpoint of the relative weight to be placed upon the analysis) unfortunately can not be directly determined without great difficulty. Furthermore, any errors in the analysis may be very greatly multiplied by the known errors involved in the determination of the true volume of the air in the chamber as a result of the difficulties in obtaining the average temperature of the air. Believing that the method of analysis as outlined above should be controlled as far as possible by other independent methods, we were able to compare the carbon dioxide as determined by the soda-lime method with that obtained by the extremely accurate method used by Sondén and Pettersson. An apparatus for the determination of carbon dioxide and oxygen on the Pettersson principle has been devised by Sondén and constructed for us by Grave, of Stockholm.
In the control experiments, the air leaving the mercury valve D (fig. 30, page 66) was caused to pass through a T-tube, one arm of which connected directly with the sampling pipette of the Sondén gas-analysis apparatus, the other arm connecting with the U-tubes for residual analyses. By lowering and raising the mercury reservoir on the gas-analysis apparatus, a sample of air could be drawn into the apparatus for analysis. The results of the analysis were expressed on the basis of moist air in volume per cents rather than by weight, as is done with the soda-lime method. Hence in comparison it was necessary to convert the weights to volume, and during this process the errors due to not correcting for temperature and barometer are made manifest. However, the important point to be noted is that whatever fluctuations in composition of the residual air were noted by the soda-lime method, similar fluctuations of a corresponding size were recorded by the volumetric analysis with the Sondén apparatus. Under these conditions, therefore, we believe that the gravimetric method outlined above is sufficiently satisfactory, so far as the carbon-dioxide content is concerned, for ordinary work where there are no wide variations in the composition of the air from period to period.
It is impossible to obtain in the market absolutely chemically pure oxygen. All the oxygen that we have thus far been able to purchase contains nitrogen and, in some instances, measurable amounts of water-vapor and carbon dioxide. The better grade of oxygen, that prepared from liquid air, is practically free from carbon dioxide and water-vapor, but it still contains[Pg 85] nitrogen, and hence with every liter of oxygen admitted there is a slight amount of nitrogen added. This amount can readily be found from the gasometric analysis of the oxygen and from the well-known relation between the weight and the volume of nitrogen the weight can be accurately found. This addition of nitrogen played a very important rôle in the calculation of the oxygen consumption as formerly employed. As is seen later, a much abbreviated form of calculation is now in use in which the nitrogen admitted with the oxygen does not influence the calculation of the residual oxygen.
In long-continued experiments, where there is a possibility of a noticeable diminution in the percentage of oxygen in the chamber—a diminution caused either by a marked fall in barometer, which expands the air inside of the chamber and permits admission of less oxygen than would otherwise be required, or by the use of oxygen containing a high percentage of nitrogen, thus continually increasing the amount of nitrogen present in the system—it is highly probable that there may be such an accumulation of nitrogen as to render it advisable to provide for the admission of a large amount of oxygen to restore the air to approximately normal conditions. In rest experiments of short duration this is never necessary. The procedure by which such a restoration of oxygen percentage is accomplished has already been discussed elsewhere.[25] It involves the rejection of a definite amount of air by allowing it to pass into the room through the gas-meter and then making proper corrections for the composition of this air, deducting the volume of oxygen in it from the excess volume of oxygen introduced and correcting the nitrogen residual in order to determine the oxygen absorption during the period in which the air has been rejected.
The volume of air in the food-aperture between the two glass doors is approximately 5.3 liters. When the door on the inside is opened and the material placed in the food-aperture and the outer door is subsequently opened, there is by diffusion a passage outward of air of the composition of the air inside of the chamber, and the food-aperture is now filled with room air. When the inner door is again opened this room air enters the chamber and is replaced by air of the same composition as that in the chamber. It is seen, then, that there may theoretically be an interchange of air here which may have an influence on the results. In severe work experiments, where the amount of carbon dioxide in the air is enormously increased, such interchange doubtless does take place in measurable amounts and correction should undoubtedly be made. In ordinary rest experiments,[Pg 86] where the composition of the air in the chamber is much more nearly normal, this correction is without special significance. Furthermore, in the two forms of calorimeter now in use, the experiments being of but short duration, provision is made to render it unnecessary to open the food-aperture during the experiment proper. Consequently at present no correction for interchange of air in the food-aperture is made, and for the same reason the slight alteration in volume resulting from the removal or addition of material has also not been considered here.
To facilitate the calculations and for the sake of uniformity in expressing the results, a special form of blank is used which permits the recording of the principal data regarding the analyses of air in the chamber at the end of each period. Thus at the head of the sheet are recorded the time, the number of the period, kind of experiment, the name or initials of the subject, and the statement as to which calorimeter is used. The barometer recorded in millimeters is indicated in the column at the left and immediately below the heading, together with the temperature of the calorimeter as expressed in degrees centigrade. The temperature of the calorimeter as recorded by the physical observer is usually expressed in the arbitrary scale of the Wheatstone bridge and must be transposed into the centigrade scale by means of a calibration table.
The apparent air-volumes in the subsections of the ventilating system are recorded under the headings I, which represents the volume of air containing water-vapor and therefore is the air in the chamber plus the air in the piping to the surface of the acid in the first sulphuric-acid absorber; I-II, which represents the air containing carbonic acid and includes volume I plus the volume of the air in the first sulphuric-acid vessel and the volume of air in the potash-lime absorber; I-III, which includes the total confined volume of the whole system, since this air contains both oxygen and nitrogen. These volumes change somewhat, depending upon the size of the body of the subject, the volume of the materials taken into the chamber, and the type of calorimeter.
The data for the residual analyses are recorded in the lower left-hand corner: first the weight of the water absorbed from 10 liters of air passing through the meter; to the logarithm of this is added the logarithm of volume I; the result is the logarithm of the total weight of water-vapor in the ventilating air-current. To convert this into liters the logarithmic factor 09462[26] is added to the logarithm of the weight of water and (a) is the logarithm of water expressed in liters. A similar treatment is accorded the weight of carbon dioxide absorbed from the air-sample, (b) being ultimately the logarithm of the volume of carbon dioxide.
In order to determine the total volume of air in the chamber under standard conditions of temperature and pressure, to the logarithm of volume I-III is added, first, a logarithmic factor for the temperature recorded for the calorimeter to correct the volume of air to standard temperature. As the temperature fluctuations are all within 1 degree, a table has been prepared giving the standard fluctuation represented by the formula
| 1 | |
| —— | |
| 1 + at | 
in which t is the temperature of the calorimeter. The correction for pressure has also been worked out in a series of tables and the logarithmic factor here corresponds to the ratio p/760, in which p is the observed barometer. The logarithm of the total volume is recorded as a result of the addition of these three logarithms enumerated, and from this logarithm is expressed the total volume of air in liters. Deducting the sum of the values (a) and (b) from the total volume leaves the volume of oxygen plus nitrogen.
The calculation of the residual volume of nitrogen and the record of the additions thereto was formerly carried out with a refinement that to-day seems wholly unwarranted when other factors influencing this value are taken into consideration. For the majority of experiments the residual volume of nitrogen may be considered as constant in spite of the fact that some nitrogen is regularly admitted with the oxygen. The significance of this assumption is best seen after a consideration of the method of calculating the amount of oxygen admitted to the chamber.
Calculation of residual amounts of nitrogen, oxygen, carbon dioxide and water-vapor remaining in chamber at 8.10 A. M., June 24, 1909.
Residual at end of Prelim. period. Exp.: Parturition. No.........
Subject: Mrs. Whelan. Calorimeter: Bed.
-------------------------------------------
Barometer, 756.95 mm.
Temp. cal., 20.08 °C
----------------------------------------------
Apparent Volume of Air
I        containing H2O 715. liters
I-II          "        CO2   781.      "
I-III        "        O+N   755.     "
-------------------------------------------
Log. wt. H2O to residual
.0815         = 91116
Log. I         = 85431
——
76547 = 5.88 gms. H2O
Gms. to liters,    09462
——
(a)   86909 = 7.25 l. H2O
Log. wt. CO2 in residual
.0438        = 62634
Log. I-II     = 84392
———
49026 = 3.09 gms. CO2
Gms. to liters,        70680
———
(b)   19706 = 1.57 l. CO2
-------------------------------------------
Miscellaneous Calculations
875            48.65
164.55         25.9
———         90.
710.46        ———
4.6        164.55
———
715.0 I
14
———
781.0  I-II
24
———
755.0  I-III
-----------------------------
(a) 7.26 l.
(b) 1.57 l.
———
8.82  = l. CO2 + H2O
Log. I-III    = 87796
"    temp.    = 96912
"    pressure = 99856
———
Total volume    84588  = 700.37 l.
Volume CO2 + H2O =   8.82 l.
———
"   O + N         = 691.56 l.
"     N             = 552.96 l.
———
"     O             = 186.57 l.
Desiring to make the apparatus as practicable and the calculations as simple as possible, a scheme of calculation has been devised whereby the computations may be very much abbreviated and at the same time there is not too great a sacrifice in accuracy. The loss in weight of the oxygen cylinder has, in the more complicated method of computation, been considered as due to oxygen and about 3 per cent of nitrogen. The amount of nitrogen thus admitted has been carefully computed and its volume taken into consideration in calculating the residual oxygen. If it is considered for a moment that the admission of gas out of the steel cylinder is made at just such a rate as to compensate for the decrease in volume of the air in the system due to the absorption of oxygen by the subject, it can be seen that if the exact volume of the gas leaving the cylinder were known it would be immaterial whether this gas were pure oxygen, oxygen with some nitrogen, or oxygen with any other inert gas not dangerous to respiration or not absorbed by sulphuric acid or potash-lime. If 10 liters of oxygen had been absorbed by the man in the course of an hour, to bring the system back to constant apparent volume it would be necessary to admit 10 liters of such a gas or mixture of gases, assuming that during the hour there had been no change in the temperature, the barometric pressure, or the residual amounts of carbon dioxide or water-vapor.
Under these assumed conditions, then, it would only be necessary to measure the amount of gas admitted in order to have a true measure of the amount of oxygen absorbed. The measure of the volume of the gas admitted may be used for a measure of the oxygen absorbed, even when it is necessary to make allowances for the variations in the amount of carbon dioxide or water-vapor in the chamber, the temperature, and barometric pressure. From the loss in weight of the oxygen cylinder, if the cylinder contained pure oxygen, it would be known that 10 liters would be admitted for every 14.3 grams loss in weight.
From the difference in weight of 1 liter of oxygen and 1 liter of nitrogen, a loss in weight of a gas containing a mixture of oxygen with a small per cent of nitrogen would actually represent a somewhat larger volume of gas than if pure oxygen were admitted. The differences in weight of the two gases, however, and the amount of nitrogen present are so small that one might almost wholly neglect the error thus arising from this admixture of nitrogen and compute the volume of oxygen directly from the loss in weight of the cylinder.
As a matter of fact, it has been found that by increasing the loss in weight of the cylinder of oxygen containing 3 per cent nitrogen by 0.4 per cent and then converting this weight to volume by multiplying by 0.7, the volume of gas admitted is known with great accuracy. This method of[Pg 89] calculation has been used with success in connection with the large chamber and particularly for experiments of short duration. It has also been introduced with great success in a portable type of apparatus described elsewhere.[27] Under these conditions, therefore, it is unnecessary to make any correction on the residual volume of nitrogen as calculated at the beginning of the experiment. When a direct comparison of the calculated residual amount of oxygen present is to be made upon determinations made with a gas-analysis apparatus the earlier and much more complicated method of calculation must be employed.
Since the ventilating air-current has a confined volume, in which there are constantly changing percentages of carbon dioxide, oxygen, and water-vapor, it is important to note that the nitrogen present in the apparatus when the apparatus is sealed remains unchanged throughout the whole experiment, save for the small amounts added with the commercial oxygen—amounts well known and for which definite corrections can be made. Consequently, in order to find the amount of oxygen present in the residual air at any time it is only necessary to determine the amounts of carbon dioxide and water-vapor and, from these two factors and from the known volume of nitrogen present, it is possible to compute the total volume of oxygen after calculating the total absolute volume of air in the chamber at any given time.
While the apparent volume of the air remains constant throughout the whole experiment, by the conditions of the experiment itself the absolute amount may change considerably, owing primarily to the fluctuations in barometric pressure and secondarily to slight fluctuations in the temperature of the air inside of the chamber. Although the attempt is made on the part of the observers to arbitrarily control the temperature of this air to within a few hundredths of a degree, at times the subject may inadvertently move his body about in the chair just a few moments before the end of the period and thus temporarily cause an increased expansion of the air. The apparatus is, in a word, a large air-thermometer, inside the bulb of which the subject is sitting. If the whole system were inclosed in rigid walls there would be from time to time noticeable changes in pressure on the system due to variations in the absolute volume, but by means of the tension-equalizer these fluctuations in pressure are avoided.
The same difficulties pertain here which were experienced with the earlier type of apparatus in determining the average temperature of the volume of air inside of the chamber. We have on the one hand the warm surface of the man's body, averaging not far from 32° C. On the other hand we have[Pg 90] the cold water in the heat-absorbers at a temperature not far from 12° C. Obviously, the air in the immediate neighborhood of these two localities is considerably warmer or colder than the average temperature of the air. The disposition of the electric-resistance thermometers about the chamber has, after a great deal of experimenting, been made such as to permit the measurement as nearly as possible of the average temperature in the chamber. But this is at best a rough approximation, and we must rely upon the assumption that while the temperatures which are actually measured may not be the average temperature, the fluctuations of the average temperature are parallel to the fluctuations in the temperatures measured. Since every effort is made to keep these fluctuations at a minimum, it is seen that the error of this assumption is not as great as might appear at first sight. However, the calculation of the residual amount of oxygen in the chamber is dependent upon this assumption and hence any errors in the assumption will affect noticeably the calculation of the residual oxygen.
Attempts to compare the determination of the oxygen by the exceedingly accurate Sondén apparatus with that calculated after determining the water-vapor and carbon dioxide, temperature and pressure of the air in the chamber have thus far led to results which indicate one of three things: (1) that there is not a homogeneous mixture; (2) that during the time required for making residual analyses, i. e., some three or four minutes, there may be a variation in the oxygen content in the air of the chamber due to the oxygen continually added from the cylinder; (3) that the oxygen supplied from the cylinder is not thoroughly mixed with the air in the chamber until some time has elapsed. That is to say, with the method now in use it is necessary to fill the tension-equalizer to a definite pressure immediately at the end of each experimental period. This is done by admitting oxygen from the cylinder, and obviously this oxygen was not present in the air when analyzed. A series of experiments with a somewhat differently arranged system is being planned in which the oxygen will be admitted to the respiration chamber directly and not into the tension-equalizer, and at the end of the experiment the tension-equalizer will be kept at such a point that when the motor is stopped the amount of oxygen to be added to bring the tension to a definite point will be small.
Under these conditions it is hoped to secure a more satisfactory comparison of the analyses as made by means of the Sondén apparatus and as calculated from the composition of the residual air by the gravimetric analysis. It remains a fact, however, that no matter with what skill and care the gasometric analysis is made, either gravimetrically or volumetrically, the calculation of the residual amount of oxygen presents the same difficulties in both cases.[Pg 91]
From the weights of the sulphuric-acid and potash-lime vessels, the amounts of water-vapor and carbon dioxide absorbed out of the air-current are readily obtained. The loss in weight of the oxygen cylinder increased by 0.4 per cent (see page 88) gives the weight of oxygen admitted to the chamber. It remains, therefore, to make proper allowance for the variations in composition of the air inside the chamber at the beginning and end of the different periods. From the residual sheets the amounts of water-vapor, carbonic acid, and oxygen present in the system at the beginning and end of each period are definitely known. If there is an increase, for example, in the amount of carbon dioxide in the chamber at the end of a period, this increase must be added to the amount absorbed out of the air-current in order to obtain the true value for the amount produced during the experimental period.
A similar calculation holds true with regard to the water-vapor and oxygen. For convenience in calculating, the amounts of water-vapor and carbon dioxide residual in the chamber are usually expressed in grams, while the oxygen is expressed in liters. Hence, before making the additions or subtractions from the amount of oxygen admitted, the variations in the amount of oxygen residual in the system should be converted from liters to grams. This is done by dividing by 0.7.
After having brought to as high a degree of perfection as possible the apparatus for determining carbon dioxide, water, and oxygen, it becomes necessary to submit the apparatus to a severe test and thus demonstrate its ability to give satisfactory results under conditions that can be accurately controlled. The liberation of a definite amount of carbon dioxide from a carbonate by means of acid has frequently been employed for controlling an apparatus used for researches in gaseous exchange, but this only furnishes a definite amount of carbon dioxide and throws no light whatever upon the ability of the apparatus to determine the other two factors, water-vapor and oxygen. Some of the earlier experimenters have used burning candles, but these we have found to be extremely unsatisfactory. The necessity for an accurate elementary analysis, the high carbon content of the stearin and paraffin, and the possibility of a change in the chemical composition of the material all render this method unfit for the most accurate testing. As a result of a large number of experiments with different materials, we still rely upon the use of ethyl alcohol of known water-content. The experiments with absolute alcohol and with alcohol containing varying amounts of water showed no differences in the results, and[Pg 92] hence it is now our custom to obtain the highest grade commercial alcohol, determine the specific gravity accurately, and burn this material. We use the Squibb pyknometer[28] and thereby can determine the specific gravity of the alcohol to the fifth or sixth decimal place with a high degree of accuracy. Using the alcoholometric tables of Squibb[29] or Morley,[30] the percentage of alcohol by weight is readily found, and from the chemical composition of the alcohol can be computed not only the amount of carbon dioxide and water-vapor formed and oxygen absorbed by the combustion of 1 gram of ethyl hydroxide containing a definite known amount of water, but also the heat developed during its combustion.
With the construction of this apparatus it was found impracticable to employ the type of alcohol lamp formerly used with success in the Wesleyan University respiration chamber. Inability to illuminate the gage on the side of the lamp and the small windows on the side of the calorimeter precluded its use. It was necessary to resort to the use of an ordinary kerosene lamp with a large glass font and an Argand burner. Of the many check-tests made we quote one of December 31, 1908, made with the bed calorimeter:
Several preliminary weights of the rates of burning were made before the lamp was introduced into the chamber. The lamp was then put in place and the ventilation started without sealing the cover. The lamp burned for about one hour and a quarter and was then weighed again. Then the window was sealed in and the experiment started as soon as possible. At the end of the experiment the window was taken out immediately and the lamp blown out and then weighed. The amount burned between the time of weighing the alcohol and the beginning of the experiment was calculated from the rate of burning before the experiment and this amount subtracted from the total burned from the time that the lamp was weighed before being sealed in until the end, when it was weighed the second time. For the minute which elapsed between the end of the experiment and the last weighing, the rate for the length of the experiment itself was used.
During the experiment there were burned 142.7 grams of 92.20 per cent alcohol of a specific gravity of 0.8163.
A tabular summary of results is given below:
| Found. | Required. | |
| Carbon dioxide gms. | 259.9 | 251.4 | 
| Oxygen " | 278.5 | 274.8 | 
| Water-vapor " | 165.8 | 165.6 | 
| Heat cals. | 829.0 | 834.5 | 
Thus does the apparatus prove accurate for the determination of all four factors.[Pg 93]
The loss or gain in body-weight has always been taken as indicating the nature of body condition, a loss usually indicating that there is a loss of body substance and a gain the reverse. In experiments in which a delicate balance between the income and outgo is maintained, as in these experiments, it is of special interest to compare the losses in weight as determined by the balance with the calculated metabolism of material and thus obtain a check on the computation of the whole process of metabolism. Since the days of Sanctorius the loss of weight of the body from period to period has been of special interest. The most recent contribution to these investigations is that of the balance described by Lombard,[31] in which the body-weight is recorded graphically from moment to moment with an extraordinarily sensitive balance.
In connection with the experiments here described, however, the weighing with the balance has a special significance, in that it is possible to have an indirect determination of the oxygen consumption. As pointed out by Pettenkofer and Voit, if the weight of the excretions and the loss in body-weight are taken into consideration, the difference between the weight of the excretions and the loss in body-weight should be the weight of the oxygen absorbed. With this apparatus we are able to determine the water-vapor, the carbon-dioxide excretion, and the weight of the urine and feces when passed. If there is an accurate determination of the body-weight from hour to hour, this should give the data for computing exactly the oxygen consumption. Moreover, we have the direct determination of oxygen with which the indirect method can be compared.
In the earlier apparatus this comparison was by no means as satisfactory as was desired. The balance there used was sensitive only to 2 grams, the experiments were long (24 hours or more), and it seemed to be absolutely impossible, even by exerting the utmost precaution, to secure the body-weight of the subject each day with exactly the same clothing and accessories. Furthermore, where there is a constant change in body-weight amounting to 0.5 gram or more per minute, it is obvious that the weighing should be done at exactly the same moment from day to day. It is seen, therefore, that the comparison with the direct oxygen determination is in reality an investigation by itself, involving the most accurate measurements and the most painstaking development of routine.
With the hope of contributing materially to our knowledge regarding the indirect determination of oxygen, the special form of balance shown in fig. 9 was installed above the chair calorimeter. This balance is extremely[Pg 94] sensitive. With a dead load of 100 kilograms in each pan it has shown a sensitiveness of 0.1 gram, but in order to have the apparatus absolutely air-tight for the oxygen and carbon-dioxide determination, the rod on which the weighing-chair is suspended must pass through an air-tight closure. For this closure we have used a thin rubber membrane, weighing about 1.34 grams, one end of which is tied to a hard-rubber tube ascending from the chair to the top of the calorimeter, the other end being tied to the suspension rod. In playing up and down this rod takes up a varying weight of the rubber diaphragm, depending upon the position which it assumes, and therefore the sensitiveness noted by the balance with a dead load and swinging freely is greater than that under conditions of actual use. Preliminary tests with the balance lead us to believe that with a slight improvement in the technique a man can be weighed to within 0.3 gram by means of this balance. A series of check-experiments to test the indirect with the direct determination of oxygen are in progress at the moment of writing, and it is hoped that this problem can be satisfactorily solved ere long.
During the process of weighing, the ventilating air-current is stopped so as to prevent any slight tension on the rubber diaphragm and furnish the best conditions for sensitive equilibrium. After the weighing has been made and the time exactly recorded, the load is thrown off the knife-edges of the balance, and then provision has been made to raise the rod supporting the chair and simultaneously force a rubber stopper tightly into the hard rubber tube at the top of the calorimeter, thus making the closure absolutely tight. It is somewhat hazardous to rely during the entire period of an experiment upon the thin rubber membrane for the closure when the blower is moving the air-current.
To raise the chair and the man suspended on it in such a way as to draw the cork into the hard-rubber tube, we formerly used a large hand-lever, which was not particularly satisfactory. Thanks to the suggestion of Mr. E. H. Metcalf, we have been able to attach a pneumatic lift (fig. 9) in that the cross-bar above the calorimeter chamber, to which the suspension rod is attached, rests on two oak uprights and can be raised by admitting air into an air-cushion, through the central opening of which passes the chair-suspending rod. As the air enters the air-cushion it expands and lifts a large wooden disk which, in turn, lifts the iron cross-bar, raising the chair and weight suspended upon it. At the proper height and when the stopper has been thoroughly forced into place, two movable blocks are slipped beneath the ends of the iron cross-bar and thus the stopper is held firmly in place. The tension is then released from the air-cushion. This apparatus functionates very satisfactorily, raising the man or lowering him upon the knife-edges of the balance with the greatest regularity and ease.[Pg 95]
The striking relationship existing between pulse rate and general metabolism, noted in the fasting experiments made with the earlier apparatus, has impressed upon us the desirability of obtaining records of the pulse rate as frequently as possible during an experiment. Records of the respiration rate also have an interest, though not of as great importance. In order to obtain the pulse rate, we attach a Bowles stethoscope over the apex beat of the heart and hold it in place with a light canvas harness. Through a long transmission-tube passing through an air-tight closure in the walls of the calorimeter it is possible to count the beats of the heart without difficulty. The respiration rate is determined by attaching a Fitz pneumograph about the trunk, midway between the nipples and the umbilicus. The excursions of the tambour pointer as recorded on the smoked paper of the kymograph give a true picture of the respiration rate.
Of still more importance, however, is the fact that the expansion and contraction of the pneumograph afford an excellent means for noting the minor muscular activity of a subject, otherwise considered at complete rest. The slightest movement of the arm or the contraction or relaxation of any of the muscles of the body-trunk results in a movement of the tambour quite distinct from the respiratory movements of the thorax or abdomen. These movements form a very true picture of the muscular movements of the subject, and these graphic records have been of very great value in interpreting the results of many of the experiments.[Pg 96]
In the numerous previously published reports which describe the construction of and experiments with the respiration calorimeter, but little attention has been devoted to a statement of the routine. Since, with the increasing interest in this form of apparatus and the possible construction of others of similar form, a detailed description of the routine would be of advantage, it is here included.
Prior to an experiment, the subject is usually given either a stipulated diet for a period of time varying with the nature of the experiment or, as in the case of some experiments, he is required to go without food for at least 12 hours preceding. Occasionally it has been deemed advisable to administer a cup of black coffee without sugar or cream, and by this means we have succeeded in studying the early stages of starvation without making it too uncomfortable for the subject. The stimulating effect of the small amount of black coffee on metabolism is hardly noticeable and for most experiments it does not introduce any error.
The urine is collected usually for 24 hours before, in either 6 or 12 hour periods. During the experiment proper urine is voided if possible at the end of each period. This offers an opportunity for studying the periodic elimination of nitrogen and helps frequently to throw light upon any peculiarities of metabolism.
Even with the use of a long-continued preceding diet of constant composition, it is impossible to rely upon any regular time for defecation or for any definite separation of feces. For many experiments it is impracticable and highly undesirable to have the subject attempt to defecate inside the chamber, and for experiments of short duration the desire to defecate is avoided by emptying the lower bowel with a warm-water enema just before the subject enters the chamber. Emphasis should be laid upon the fact that a moderate amount of water only should be used and only the lower bowel emptied, so as not to increase the desire for defecation.
The clothing is usually that of a normal subject, although occasionally experiments have been made to study the influence of various amounts of clothing upon the person. There should be opportunity for a comfortable adjustment of the stethoscope and pneumograph, etc., and the clothing should be warm enough to enable the subject to remain comfortable and quiet during his sojourn inside the chamber.
The rectal thermometer, which has previously been carefully calibrated, is removed from a vessel of lukewarm water, smeared with vaseline, and inserted while warm in the rectum to the depth of 10 to 12 centimeters. The lead wires are brought out through the clothing in a convenient position.[Pg 97]
The stethoscope is attached as nearly as possible over the apex beat of the heart by means of a light harness of canvas. In the use of the Bowles stethoscope, it has been found that the heart-beats can easily be counted if there is but one layer of clothing between the stethoscope and the skin. Usually it is placed directly upon the undershirt of the subject.
The pneumograph is placed about the body midway between the nipple and the umbilicus and sufficient traction is put upon the chain or strap which holds it in place to secure a good and clear movement of the tambour for each respiration.
The subject is then ready to enter the chamber and, after climbing the stepladder, he descends into the opening of the chair calorimeter, sits in the chair, and is then ready to take care of the material to be handed in to him and adjust himself and his apparatus for the experiment. Usually several bottles of drinking-water are deposited in the calorimeter in a convenient position, as well as some urine bottles, reading matter, clinical thermometer, note-book, etc. Before the cover is finally put in place, the pneumograph is tested, stethoscope connections are tested to see if the pulse can be heard, the rectal thermometer connections are tested, and the telephone, call-bell, and electric light are all put in good working order. When the subject has been weighed in the chair, the balance is tested to see that it swings freely and has the maximum sensibility. All the adjustments are so made that only the minimum exertion will be necessary on the part of the subject after the experiment has once began.
The cover is put in place and wax is well crowded in between it and the rim of the opening. The wax is preferably prepared in long rolls about the size of a lead-pencil and 25 to 30 centimeters long. This is crowded into place, a flat knife being used if necessary. An ordinary soldering-iron, which has previously been moderately heated in a gas flame, is then used to melt the wax into place. This process must be carried out with the utmost care and caution, as the slightest pinhole through the wax will vitiate the results. The sealing is examined carefully with an electric light and preferably by two persons independently. After the sealing is assured, the plugs connecting the thermal junctions and heating wires of the cover with those of the remainder of the chamber are connected, the water-pipe is put in place, and the unions well screwed together. After seeing that the electrical connections can not in any way become short-circuited on either the metal chamber or metal pipes, the asbestos cover is put in place.
Some time before the man enters the chamber, an electric lamp of from 16 to 24 candle-power (depending upon the size of the subject) is placed inside of the chamber as a substitute for the man, and the cooling water-current[Pg 98] is started and the whole apparatus is adjusted to bring away the heat prior to the entrance of the man. The rate of flow with the chair calorimeter is not far from 350 cubic centimeters per minute with a resting man. The proper mixture of cold and warm water is made, so that the electric reheater can be controlled readily by the resistance in series with it. Care is taken not to allow the water to enter the chamber below the dew-point and thus avoid the condensation of moisture on the absorbers. The thermal junctions indicate the temperature differences in the walls and the different sections are heated or cooled as is necessary until the whole system is brought as near thermal equilibrium as possible.
After the man enters, the lamp is removed and the water-current is so varied, if necessary, and the heating and cooling of the various parts so adjusted as to again secure temperature equilibrium of all parts. When the amount of heat brought away by the water-current exactly compensates that generated by the subject, when the thermal-junction elements in the walls indicate a 0 or very small deflection, when the resistance thermometers indicate a constant temperature of the air inside the chamber and the walls of the chamber, the experiment proper is ready to begin.
The physical observer keeps the chemical assistant thoroughly informed as to the probable time for the beginning of the experiment, so that there will be ample time for making the residual analyses of the air. After these analyses have been made and the experiment is about to begin, the observer at the table calls the time on the exact minute, at which time the blower is stopped and the purifying system changed. The physical observer takes the temperatures of the wall and air by the electric-resistance thermometers, reads the mercury thermometers, records the rectal thermometer, and at the exact moment of beginning the experiment the current of water which has previously been running into the drain is deflected into the water-meter. At the end of the period this routine is varied only in that the water-current is deflected from the water-meter into a small can holding about 4 liters, into which the water flows while the meter is being weighed.
The rate of flow of water through the apparatus is determined before the experiment begins. This is done by deflecting the water for a certain number of seconds into a graduate or by deflecting it into the small can and weighing the water thus collected. The water is then directed into the drain during the preliminary period. Meanwhile the main valve at the bottom of the water-meter is opened, such water as has accumulated from tests in preceding experiments is allowed to run out, and the valve is closed after the can is empty. The meter is then carefully balanced on the scales and the weight is recorded. At the beginning of the experiment the water is deflected from the drain into the meter. At the end of the period,[Pg 99] while the water is running into the small can, the water-meter is again carefully weighed and the weight recorded. Having recorded the weight, the water is again deflected into the large meter and what has accumulated in the small can is carefully poured into the large meter through a funnel. If the meter is nearly full, so that during the next period water will accumulate and overflow the meter, it is emptied immediately after weighing and while the small can is filling up. About 4 minutes is required to empty the can completely.
After it is emptied, it is again weighed, the water-current deflected from the small can to the meter, and the water which has accumulated in the small can carefully poured into the meter. All weights on the water-meter, both of the empty can and the can at the end of each period, are checked by two observers.
Shortly after the subject has entered the chamber and in many instances before the sealing-in process has begun, the ventilating air-current is started by starting the blower. The air passes through one set of purifiers during this preliminary period, and as no measurements are made for this period it is not necessary that the weights of the absorbers be previously known.
All precautions are taken, however, so far as securing tightness in coupling and installing them on the absorber system are concerned. During this period the other set of absorbers is carefully weighed and made ready to be put in place and tested and about 10 minutes before the experiment proper begins the residual analyses are begun. The series of U-tubes, which have previously been carefully weighed, are placed on small inclined racks and are connected with the meter and also with the tube leading to the mercury valve. The pet-cock which connects the return air-pipe with the drying-tower and the gas-meter is then opened and the mercury reservoir is lowered. The rate of flow of air through the U-tubes is regulated by a screw pinch-cock on the rubber tube leading to the first U-tube. This rate is so adjusted by means of the pinch-cock that about 3 liters of air per minute will flow through the U-tubes, and as the pointer on the gas-meter approaches 10 liters the mercury reservoir is raised at just such a point, gained by experience, as will shut off the air-current when the total volume registers 10 liters on the meter. The pet-cock in the pipe behind the meter is then closed, the U-tubes disconnected, and a new set put in place. A duplicate and sometimes a triplicate analysis is made.
When the physical observer calls the time for the end of the period, the switch which controls the motor is opened and the chemical assistant then opens the rear valve of the new set of absorbers and closes the rear valve of the old set, and likewise opens the front valve of the new set and closes the front valve of the old set. As soon as the signal is given that the oxygen[Pg 100] connections have been properly made and that the oxygen has been admitted to the chamber in proper amount, the blower is again started. It is then necessary to weigh the U-tubes and disconnect the old set of absorbers and weigh them. If the sulphuric-acid absorbers have not exceeded the limit of gain in weight they are used again; if they have, new ones are put in their place.
The first sulphuric-acid absorber is connected to the front valve, then the potash-lime can, and then the last sulphuric-acid absorber; but before connecting the last sulphuric-acid absorber with the sodium-bicarbonate can, a test is made of the whole system from the front valve to the end of the second sulphuric-acid absorber. This is made by putting a solid-rubber stopper in the exit end of the second sulphuric-acid absorber and, by means of a bicycle pump, forcing compressed air in through a pipe tapped into the pipe from the valve at the front end until a pressure of about 2 feet of water is developed in this part of the system. This scheme for testing and the method of connecting the extra pipe have been discussed in detail in an earlier publication.[32] Repeated tests have shown that this method of testing the apparatus for tightness is very successful, as the minutest leak is quickly shown.
After the system has been thoroughly tested, the rubber stopper in the exit end of the second sulphuric-acid absorber is first removed, then the tube connected with the pump and manometer is disconnected and its end placed in the reservoir of mercury. Occasionally, through oversight, the pressure is released at the testing-tube with the result that the air compressed in the system expands, forcing sulphuric acid into the valves and down into the blower, thus spoiling completely the experiment. After the testing, the last sulphuric-acid absorber is coupled to the sodium-bicarbonate can. It is seen that this last connection is the only one not tested, and it has been found that care must be taken to use only the best gaskets at this point, as frequently leaks occur; in fact, it is our custom to moisten this connection with soapsuds. If new rubber gaskets are used a leak is never found.
To maintain the apparent volume of air through the whole system constant, oxygen is admitted into the tension-equalizer until the same tension is exerted on this part of the system at the end as at the beginning. This is done by closing the valve connecting the tension-equalizer with the system and admitting oxygen to the tension-equalizer until the petroleum manometer shows a definite tension. After the motor is stopped, at the end of the experimental period, there is a small amount of air compressed in the blower which almost instantly leaks back through the blower and the whole system comes under atmospheric pressure, save that portion which[Pg 101] is sealed off between the two levels of the sulphuric acid in the two absorbing vessels. A few seconds after the motor is stopped the valve cutting off the tension-equalizer from the rest of the system is closed, the pet-cock connecting this with the petroleum manometer is opened, and oxygen is admitted by short-circuiting the electrical connections at the two mercury cups. This is done by the hands of the observer and must be performed very gently and carefully, as otherwise oxygen will rush in so rapidly as to cause excessive tension. As the bag fills with gas, the index on the petroleum manometer moves along the arc of a circle and gradually reaches the desired point. At this point, the supply of oxygen is cut off, the valve connecting the tension-equalizer with the main system is opened, and simultaneously the needle-valve on the reduction-valve of the oxygen cylinder is tightly closed, preliminary to weighing the cylinder. At this point the motor can be started and the experiment continued.
It is necessary, then, that the oxygen cylinder be weighed. This is done after first closing the pet-cock on the end of the pipe conducting the gas beneath the floor of the calorimeter room, slipping the glass joint in the rubber pipe leading from the reduction valve to the pet-cock, and breaking the connections between the two rubber pipes, the one from the pet-cock and the other to the reduction valve, also breaking the electrical connection leading to the magnet on the cylinder. The cylinder is then ready to swing freely without any connections to either oxygen pipe or electrical wires. It is then weighed, the loss in weight being noted by removing the brass weights on the shelf attached to the counterpoise. It is important to see that there is a sufficient number of brass weights always on the shelf to allow for a maximum loss of weight of oxygen from the cylinder during a given period. Since the cylinders contain not far from 4 to 5 kilograms of oxygen, in balancing the cylinders at the start it is customary to place at least 4 kilograms of brass weights on the shelf and then adjust the counterpoise so as to allow for the gradual removal of these weights as the oxygen is withdrawn.
As soon after the beginning of the period as possible, the U-tubes are weighed on the analytical balance, and if they have not gained too much they are connected ready for the next analysis. If they have already absorbed too much water or carbon dioxide, they are replaced by freshly filled tubes.
Immediately at the end of the experimental period the barometer is carefully set and read, and the reading is verified by another assistant. Throughout the whole experiment an assistant counts the pulse of the subject frequently, by means of the stethoscope, and records the respiration rate by noting the lesser fluctuations of the tambour pointer on the smoked paper. These observations are recorded every few minutes in a book kept especially for this purpose.[Pg 102]
A most excellent preservation of the record of the minor muscular movements is obtained by dipping the smoked paper on the kymograph drum in a solution of resin and alcohol. The lesser movements on the paper indicate the respiration rate, but every minor muscular movement, such as moving the arm or shifting the body in any way, is shown by a large deflection of the pointer out of the regular zone of vibration. These records of the minor muscular activity are of great importance in interpreting the results of the chemical and physical determinations.
[5] W. O. Atwater and F. G. Benedict: A respiration calorimeter with appliances for the direct determination of oxygen. Carnegie Institution of Washington Publication No. 42, p. 91. (1905.)
Francis G. Benedict: The influence of inanition on metabolism. Carnegie Institution of Washington Publication No. 77, p. 451. (1907.)
[6] W. O. Atwater and F. G. Benedict: A respiration calorimeter with appliances for the direct determination of oxygen. Carnegie Institution of Washington Publication No. 42, p. 114. (1905.)
[7] W. O. Atwater and F. G. Benedict: A respiration calorimeter with appliances for the direct determination of oxygen. Carnegie Institution of Washington Publication No. 42, p. 158. (1905.)
[8] Armsby: U. S. Dept. of Agr., Bureau of Animal Industry Bull. 51, p. 34. (1903.)
[9] Benedict and Snell: Eine neue Methode um Körpertemperaturen zu messen. Archiv f. d. ges. Physiologie, Bd. 88, pp. 492-500. (1901.)
W. O. Atwater and F. G. Benedict: A respiration calorimeter with appliances for the direct determination of oxygen. Carnegie Institution of Washington Publication No. 42, p. 156. (1905.)
[10] Rosa: U. S. Dept. of Agric., Office of Experiment Stations Bul. 63, p. 25.
[11] Smith: Heat of evaporation of water. Physical Review, vol. 25, p. 145. (1907.)
[12] Philosophical Transactions, vol. 199, A, p. 149. (1902.)
[13] This is in agreement with the value 579.6 calories found by F. Henning, Ann. d. Physik, vol. 21, p. 849. (1906.)
[14] Pembrey: Schäfer's Text-book of Physiology, vol. 1, p. 838. (1898.)
[15] Benedict and Snell: Körpertemperatur Schwankungen mit besonderer Rücksicht auf den Einfluss, welchen die Umkehrung der täglichen Lebensgewöhnheit beim Menschen ausübt. Archiv f. d. ges. Physiologie, Bd. 90. p. 33. (1902.)
Benedict: Studies in body-temperature: I. The influence of the inversion of the daily routine: the temperature of night-workers. American Journal of Physiology, vol. 11, p. 145. (1904.)
[16] W. O. Atwater and E. B. Rosa: Description of a new respiration calorimeter and experiments on the conservation of energy in the human body. U. S. Dept. of Agr., Office of Experiment Stations Bul. 63. (1899.)
[17] Specific heat of water at average temperature of the water in the heat-absorbing system referred to the specific heat of water at 20° C.
[18] W. O. Atwater and F. G. Benedict: A respiration calorimeter with appliances for the direct determination of oxygen. Carnegie Institution of Washington Publication No. 42, p. 18. (1905.)
[19] For a description of the apparatus and the method of filling see W. O. Atwater and F. G. Benedict: A respiration calorimeter with appliances for the direct determination of oxygen. Carnegie Institution of Washington Publication No. 43, p. 27. (1905.)
[20] W. O. Atwater and F. G. Benedict: A respiration calorimeter with appliances for the direct determination of oxygen. Carnegie Institution of Washington Publication No. 42, p. 56. (1905.)
[21] W. O. Atwater and F. G. Benedict: A respiration calorimeter with appliances for the direct determination of oxygen. Carnegie Institution of Washington Publication No. 42, p. 20. (1905.)
[22] Thorne M. Carpenter and Francis G. Benedict: Mercurial poisoning of men in a respiration chamber. American Journal of Physiology, vol. 24, p. 187. (1909.)
[23] Francis G. Benedict: A method of calibrating gas-meters. Physical Review, vol. 22, p. 294. (1906.)
[24] Atwater and Benedict: Loc. cit., p. 38.
[25] Atwater and Benedict: Carnegie Institution of Washington Publication No. 42, p. 77.
[26] In the use of logarithms space is saved by not employing characteristics.
[27] Francis G. Benedict: An apparatus for studying the respiratory exchange. American Journal of Physiology, vol. 24, p. 368. (1909.)
[28] Squibb: Journal of American Chemical Society, vol. 19, p. 111. (1897.)
[29] Squibb: Ephemeris, 1884 to 1885, part 2, pp. 562-577.
[30] Morley: Journal of American Chemical Society, vol. 26, p. 1185. (1904.)
[31] W. P. Lombard: A method of recording changes in body-weight which occur within short intervals of time. The Journal of the American Medical Association, vol. 47, p. 1790. (1906.)
[32] Atwater and Benedict: Loc. cit., p. 21.